EasyManua.ls Logo

LG MULTI V S ARUN048GSS4 - Vacuum Procedure; Vacuum Drying Steps

LG MULTI V S ARUN048GSS4
85 pages
Print Icon
To Next Page IconTo Next Page
To Next Page IconTo Next Page
To Previous Page IconTo Previous Page
To Previous Page IconTo Previous Page
Loading...
39
Refrigerant Piping Connections
Due to our policy of continuous product innovation, some specifications may change without notification.
©LG Electronics U.S.A., Inc., Englewood Cliffs, NJ. All rights reserved. “LG” is a registered trademark of LG Corp.
Use a meter that can measure
down to 0.22 lbs. If one isn’t
available, a charge cylinder can
be used instead.
Indoor Unit
Outdoor Unit
Liquid Piping
Vapor Piping
Liquid Side
Vapor Side
Close
Close
Vacuum
Pump
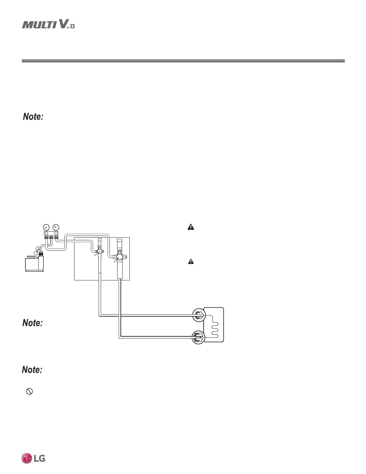
Vacuum Procedure
9DFXXPGU\LQJVKRXOGEHSHUIRUPHGIURPWKHVHUYLFHSRUWSURYLGHGRQWKHRXWGRRUXQLW¶VVHUYLFHYDOYHWRWKHYDFXXPSXPSFRPPRQO\XVHG
IRUOLTXLGSLSHDQGWKHYDSRUSLSH9DFXXPRIWKHSLSHDQGWKHLQGRRUXQLWVVKRXOGEHPDGHIURPWKHSRUWRIWKHRXWGRRUXQLW¶VVHUYLFHYDOYH
with the service valve closed.
Never perform air purging using refrigerant; it will damage the outdoor unit.
Use a vacuum pump that can evacuate to 500 microns.
1. Evacuate the system from the liquid and vapor pipes with a vacuum pump for over two (2) hours and bring the system to 500 microns.
2. 0DLQWDLQV\VWHPXQGHUWKDWFRQGLWLRQIRURYHURQHKRXULIWKHYDFXXPJDXJHULVHVWKHV\VWHPPD\FRQWDLQPRLVWXUHRUDOHDN
3. If there is a possibility of moisture in the piping (rainwater may have entered the piping if work was performed during a rainy season or
over an extended period), then:
Evacuate the system for two (2) hours to 7.3 psi (vacuum break) with nitrogen gas.
Evacuate it again with the vacuum pump for one (1) hour to 500 microns (vacuum drying).
4. If the system cannot be evacuated to 500 microns, repeat the steps of vacuum break and drying.
5. Finally, after maintaining the system in vacuum for one (1) hour, check if the vacuum gauge rises or not.
Figure 40: Vacuum Procedure Diagram.
If the primary refrigerant charge is not performed in a reasonable time after the vacuum procedure is complete, wet air may infiltrate the
RXWGRRUXQLW,IZHWDLULVPL[HGZLWKUHIULJHUDQWWKHUHIULJHUDQWF\FOHPD\PDOIXQFWLRQDQGWKHXQLWPD\EHGDPDJHG
Do not perform refrigerant charge while the compressor is operating, otherwise, liquid may leak and subsequently damage the com-
pressor.
Use a micron gauge to measure vacuum.
Obtain the precise amount of refrigerant needed using calculations outlined in the following pages. Too much or too little refrigerant may
cause the system to malfunction.
,IRWKHUUHIULJHUDQWVDUHPL[HGLQWKHRULJLQDOUHIULJHUDQWWKHUHIULJHUDQWSLSLQJV\VWHPPD\EHGDPDJHGRUPDOIXQFWLRQ
%HFDXVH5$LVDPL[HGUHIULJHUDQWWKHUHTXLUHGDGGLWLRQDOUHIULJHUDQWPXVWEHFKDUJHGLQLWVOLTXLGVWDWH,IWKHUHIULJHUDQWLVFKDUJHGLQ
its gaseous state, its composition changes and the system will not work properly.
8VHRIFRPEXVWLEOHJDVHVLQFOXGLQJFRPSUHVVHGDLURUR[\JHQUXQVWKH
ULVNRI¿UHDQGH[SORVLRQDQGSK\VLFDOLQMXU\RUGHDWK,QHUWJDVQLWUR-
gen) should be used when performing vacuum, checking leaks, cleaning
or repairs of pipes, etc.
WARNING
DANGER
8VHRIFRPEXVWLEOHJDVHVLQFOXGLQJFRPSUHVVHGDLURUR[\JHQPD\
UHVXOWLQ¿UHRUH[SORVLRQDQGSK\VLFDOLQMXU\RUGHDWK
REFRIGERANT PIPING CONNECTIONS
Vacuum Procedure

Table of Contents

Related product manuals