EasyManua.ls Logo

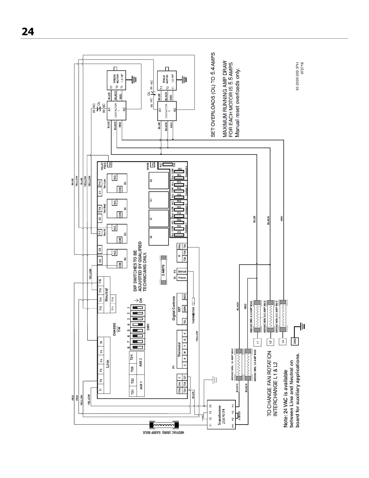
Lifebreath 2000EFD - Wiring Diagrams (2000 IFD;EFD-208)

Lifebreath 2000EFD
46 pages
Print Icon
To Next Page IconTo Next Page
To Next Page IconTo Next Page
To Previous Page IconTo Previous Page
To Previous Page IconTo Previous Page
Loading...
www.lifebreath.com
Page 21
WIRING DIAGRAMS (2000IFD/EFD-208)

Related product manuals