EasyManua.ls Logo

Lincat EB3 - Wiring and Circuit Diagrams; Model and General Circuit Diagrams

Lincat EB3
21 pages
Print Icon
To Next Page IconTo Next Page
To Next Page IconTo Next Page
To Previous Page IconTo Previous Page
To Previous Page IconTo Previous Page
Loading...
IS09 ECN2087
16
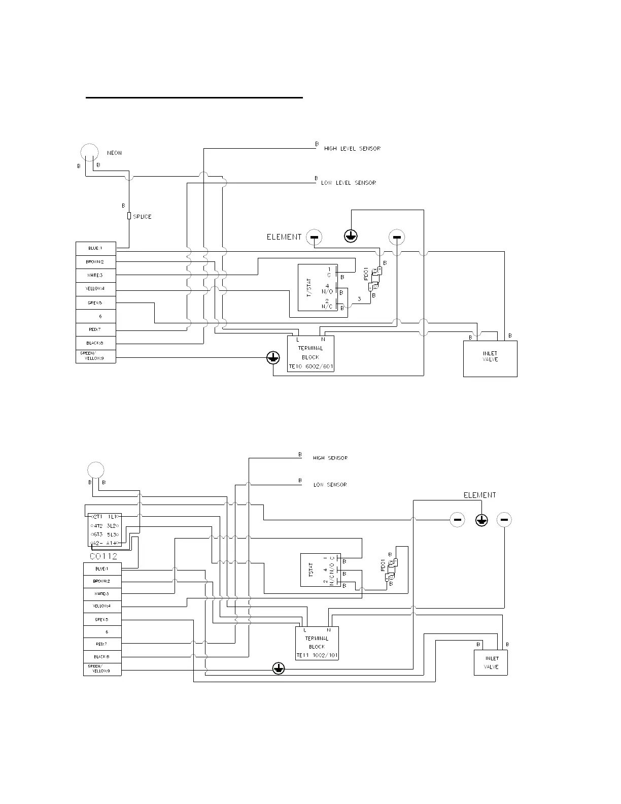
Wiring and Circuit Diagrams
EB3 Wiring Diagram
EB4 Wiring Diagram
NEON

Related product manuals