EasyManua.ls Logo

Lincat EB3 - EB6 Wiring Diagram; Circuit Diagram

Lincat EB3
21 pages
Print Icon
To Next Page IconTo Next Page
To Next Page IconTo Next Page
To Previous Page IconTo Previous Page
To Previous Page IconTo Previous Page
Loading...
IS09 ECN2087
17
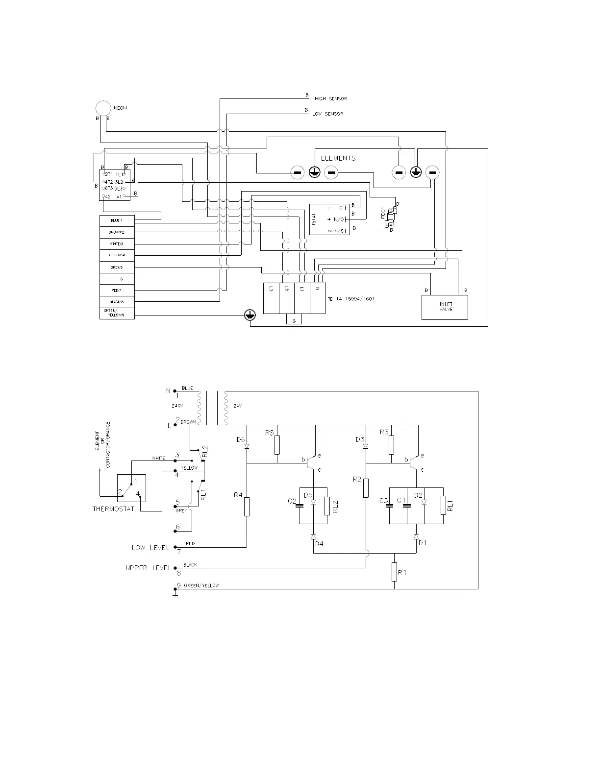
EB6 Wiring Diagram
For multi-phase wiring of the EB6, remove the link wire at L1 & L2.
Circuit Diagram
The circuit diagram above is essentially for the EB3 as the element is powered via the thermostat.
For the EB4 and EB6 switching of the contactor that powers the element(s) is made via the
thermostat.

Related product manuals