EasyManua.ls Logo

Linde E 30-02 - Page 93

Linde E 30-02
96 pages
Print Icon
To Next Page IconTo Next Page
To Next Page IconTo Next Page
To Previous Page IconTo Previous Page
To Previous Page IconTo Previous Page
Loading...
91
336 804 3001.0704
336 802 0226b
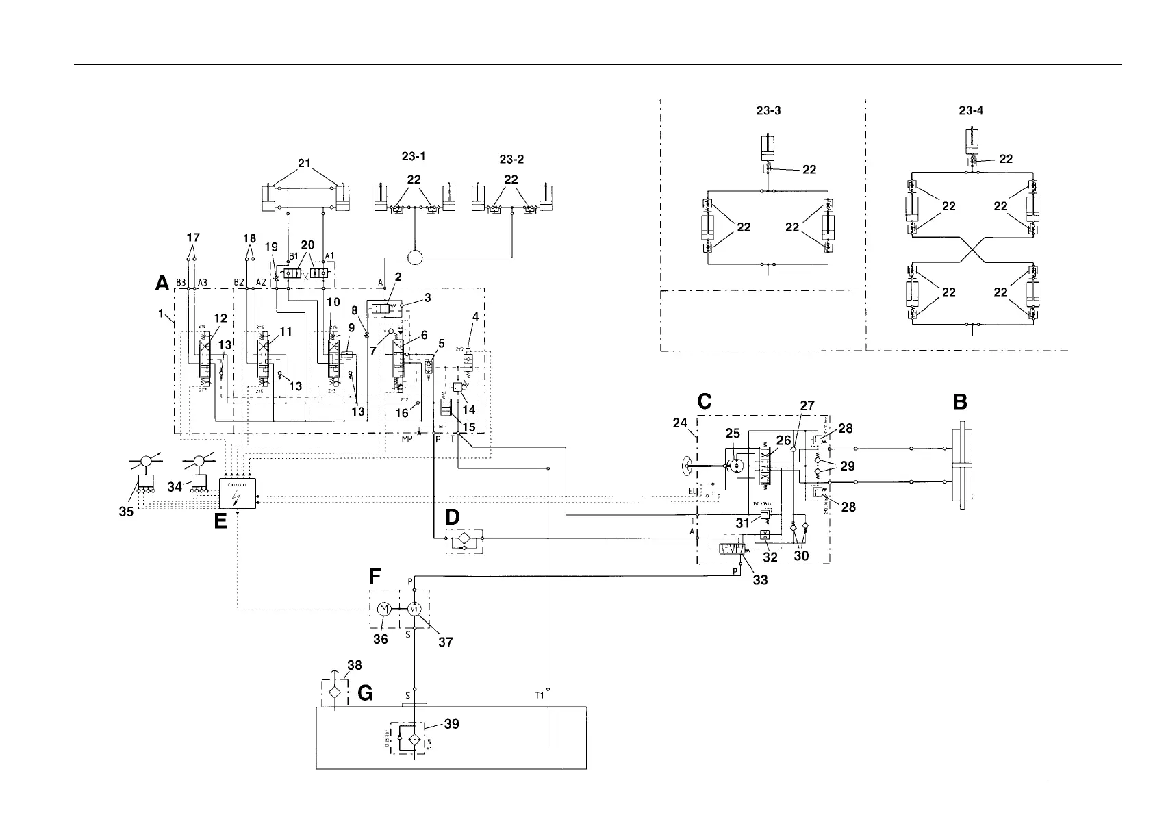
Hydraulic circuit diagram

Table of Contents

Related product manuals