EasyManua.ls Logo

Linear Series LS5050 - External Input Connection Diagrams

Linear Series LS5050
32 pages
Print Icon
To Next Page IconTo Next Page
To Next Page IconTo Next Page
To Previous Page IconTo Previous Page
To Previous Page IconTo Previous Page
Loading...
29
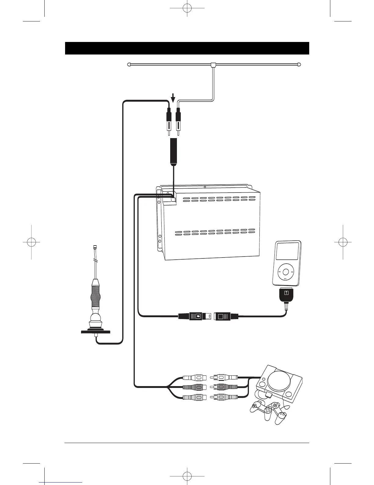
Input Connections
Left
Front Speaker
Left
Rear Speaker
+
-
+
-
Blue Wire: Power Antenna
Yellow Wire: 12 VDC Constant
Black Wire: Ground
Green Wire: Rear Left Speaker (+)
Green/Black Wire: Rear Left Speaker (-)
Right
Rear Speaker
Right
Front Speaker
+
-
+
-
White Wire: Front Left Speaker (+)
Gray/Black Wire: Front Right Speaker (-)
White/Black Wire: Front Left Speaker (-)
Gray Wire: Front Right Speaker (+)
Red Wire: Ignition Switched 12 VDC
Purple/Black Wire: Rear Right Speaker (-)
Purple Wire: Rear Right Speaker (+)
1 AMP
Audio Amplifier
See Amplifier Instructions
for Proper Connections
RCA Connectors
Game Console
(Optional)
Audio/Video
Input (Rear)
External Automotive
Type Antenna
(Optional)
Model: DP36AXT In-Wall Antenna
(Optional)
Plug Either Type of Antenna into
the Female Antenna Receptacle
IPOD
(Optional)
M
E
N
U
iPod Cable
(Optional)
LS5050-UM Rev. B 4/16/10 4:14 PM Page 29