EasyManua.ls Logo

LOFTNESS 61 - Hydraulic Motor, Variable 80 cc to 110 cc (N38488)

LOFTNESS 61
74 pages
Print Icon
To Next Page IconTo Next Page
To Next Page IconTo Next Page
To Previous Page IconTo Previous Page
To Previous Page IconTo Previous Page
Loading...
44 Battle Ax Skid Loader OM
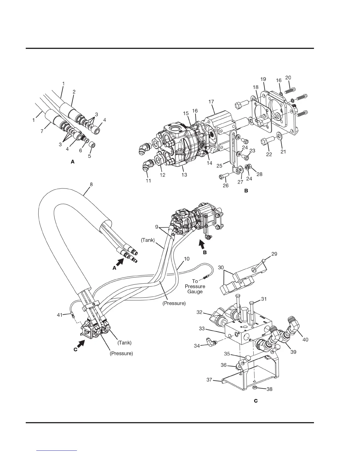
Hydraulics, Muncie Motor
Parts Identification
* Parts breakdown of item 13 (N34676) is on page 52.
* Parts breakdown of item 17 (N16416) is on page 53.
* Parts breakdown of item 33 (N34677) is on page 49.

Table of Contents