EasyManua.ls Logo

LOFTNESS 61 - Hydraulic Motor, 62.9 cc (N34676)

LOFTNESS 61
74 pages
Print Icon
To Next Page IconTo Next Page
To Next Page IconTo Next Page
To Previous Page IconTo Previous Page
To Previous Page IconTo Previous Page
Loading...
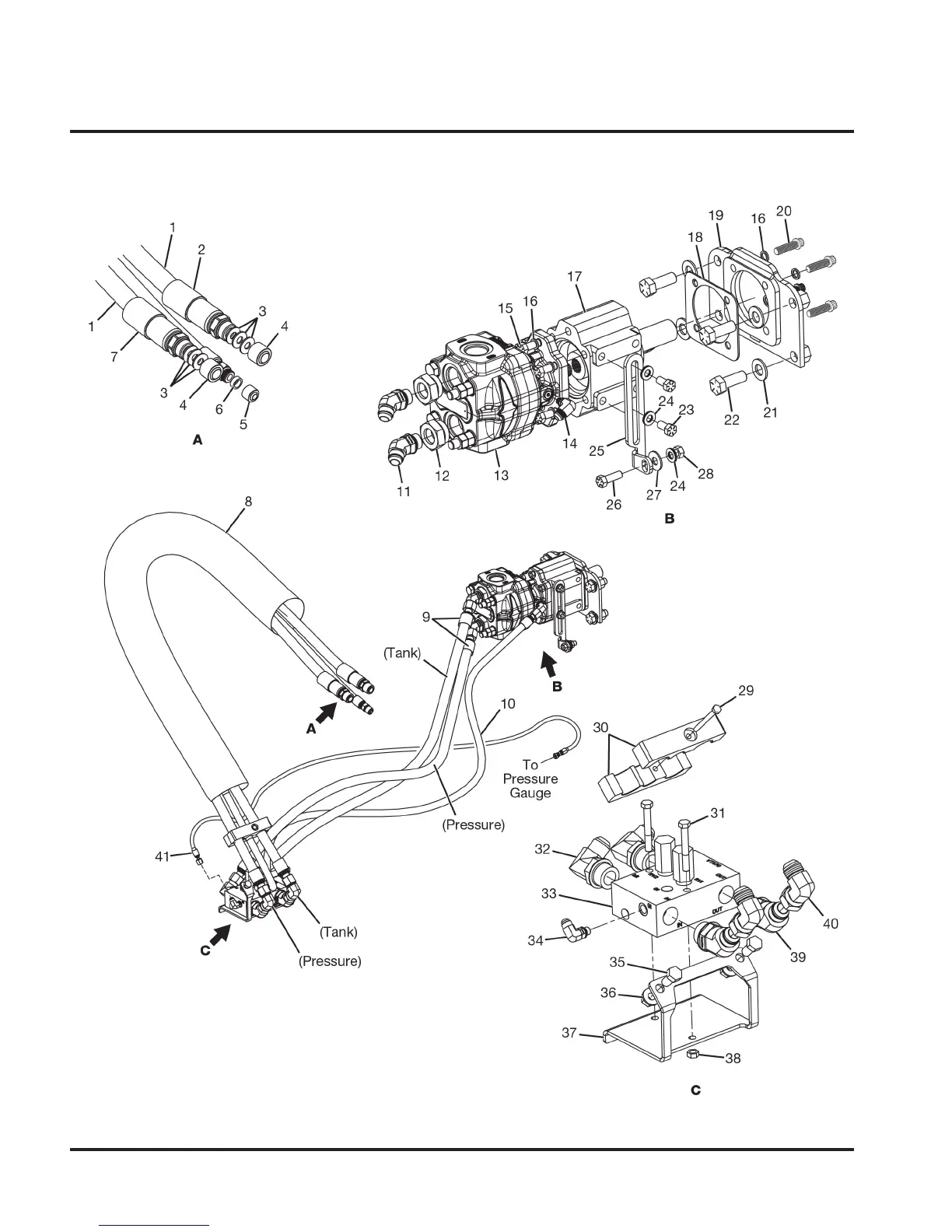
46 Battle Ax Skid Loader OM
Hydraulics, Muncie Motor (Cont’d)
Parts Identification
* Parts breakdown of item 13 (N34676) is on page 52.
* Parts breakdown of item 17 (N16416) is on page 53.
* Parts breakdown of item 33 (N34677) is on page 49.

Table of Contents