EasyManua.ls Logo

LogiCO2 O2 - Connection Diagram

LogiCO2 O2
32 pages
Print Icon
To Next Page IconTo Next Page
To Next Page IconTo Next Page
To Previous Page IconTo Previous Page
To Previous Page IconTo Previous Page
Loading...
10
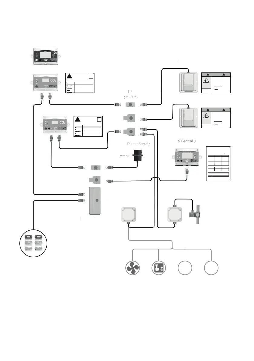
5. Connection diagram
This connection diagram shows an example of how the system can be installed.
Please note:
A separate installation manual is provided with each extra O2 sensor kit explaining the simple
installation process for adding additional sensors to an existing set.
Mk9 Central Unit
Remote Connection Box
Horn/Strobe
Power Supply
RJ45 Splitter (red)
1-1/1-2/1-4
RJ45 Splitter (blue)
1-1/1-2/1-4
Mk9
Mk9
k9
9
C
Ce
Ce
Ce
Ce
Ce
t
ntr
ntr
ntr
ntr
l
a
Uni
Un
U
U
t
Rem
ote
Co
nne
cti
on
Box
Horn/Stro
be
P
P
P
Pow
Pow
ow
w
w
er
er
er
er
Sup
up
Sup
Sup
Sup
Su
ply
ply
ly
y
ply
ply
p
p
R
J45 S
pli
li
tt
tte
r
(
red
)
1
-1
/
1-2
/
1-4
RJ45 S
pli
pli
pli
tte
tte
tt
r (
blue)
1-1
1
1
1
/
/1-
/1-
/1-
1
2/1
2/1
/1
1
1
2/
2
-4
-
-
Possibility to expand with up
to four Mk9 O2 Sensors or up
to eight Mk9/Mk10/Mk90
CO2 Sensors
SIGN CO2 SENSOR MK90 EN
ExplanationIndication
Unit in operation.Green LED
CO2 sensor fault. The display on the CO2 sensor will show ā€œErrorā€.
Call Service.
Low-Alarm (High ambient CO2 concentration level) or TWA Alarm (5000 ppm/8 h Time
Weighted Average). The display on the CO2 sensor will show ā€œAlarmā€ or ā€œTWA High Alarmā€.
Connected remote warning strobe will be activated. Call Service.
High-Alarm (Dangerously high ambient CO2 concentration level). The display on the CO2
sensor will show ā€œHigh-Alarmā€. The sensor will start flashing and connected remote warning
horn and strobe will be activated. Call Fire Departement.
CO2 Awareness indication. The CO2 level is over 5000 ppm. No danger - but the CO2 is
unnaturally high. The display on the CO2 sensor will show ā€œHighā€.
Yellow LED
Red LED
Red LED
Red LED
CO
2
ALERT
CAUTION!
CO
2
Sensor: Do not cover or place anything
in front of or on top of the sensor.
!
- 5 sec -
Altitude set to:
Done by:
SIGN CO2 SENSOR MK90 EN
ExplanationIndication
Unit in operation.Green LED
CO2 sensor fault. The display on the CO2 sensor will show ā€œErrorā€.
Call Service.
Low-Alarm (High ambient CO2 concentration level) or TWA Alarm (5000 ppm/8 h Time
Weighted Average). The display on the CO2 sensor will show ā€œAlarmā€ or ā€œTWA High Alarmā€.
Connected remote warning strobe will be activated. Call Service.
High-Alarm (Dangerously high ambient CO2 concentration level). The display on the CO2
sensor will show ā€œHigh-Alarmā€. The sensor will start flashing and connected remote warning
horn and strobe will be activated. Call Fire Departement.
CO2 Awareness indication. The CO2 level is over 5000 ppm. No danger - but the CO2 is
unnaturally high. The display on the CO2 sensor will show ā€œHighā€.
Yellow LED
Red LED
Red LED
Red LED
CO
2
ALERT
CAUTION!
CO
2
Sensor: Do not cover or place anything
in front of or on top of the sensor.
!
- 5 sec -
Altitude set to:
Done by:
Mk9 CO2 Sensor
Mk9 O2 Sensor
Mk90 CO2 Sensor
WARNING
! !
Confined Space
Risk for Asphyxiation
DO NOT ENTER THIS AREA WHEN SIREN
IS SOUNDING AND LIGHT IS FLASHING!
Emergency Actions
• Evacuate the Area Immediately.
• Call the Fire Department from
outside of the building.
Risk for
Low Oxygen
Level
Blue Light
Power ON
SIGN O2 H/S B EN
WARNING
! !
Confined Space
Risk for Asphyxiation
DO NOT ENTER THIS AREA WHEN SIREN
IS SOUNDING AND LIGHT IS FLASHING!
Emergency Actions
• Evacuate the Area Immediately.
• Call the Fire Department from
outside of the building.
Risk for
Low Oxygen
Level
Blue Light
Power ON
SIGN O2 H/S B EN
INDICATION CAUSE ACTION
Central Unit:
• The red diode is ON
• Constant sound signal
Display:
• Sensor number, O2 % and
Gateway Alarm A
ALARM
!
TAKE P RECAU TION S
Low concentration of O2
DO NOT ENTER
the risk zone.
Evacuate the area if
O2 level is under 19.5%.
Central Unit:
• The yellow diode is blinking
• Beeping sound signal
Display:
• Sensor number, (Fault
information)
SYSTEM FAULT
Check the manual, communication
cables and O2-Sensor.
If no fault is found, call service.
Phone: .....................................
After an alarm, always reset
the system.
ALARM RESET
ALARM TEST
Press reset button until ā€Testing
system...ā€ is shown in the display.
Sensor Place
1
2
3
4
O2 Safety System - Mk9
What to do in case of an ALARM?
1. Keep Calm!
2. Turn off the sounding alarm on the Central Unit by pressing the RESET button on the front.
3. Check the type of alarm and which Sensor is giving the alarm by following the instructions below.
SIGN O2 C-U MK9 EN
Press reset button until ā€Alarm
clearedā€ is shown in the display.
Test the alarm to insure that
communication, warning lamps
and sounders function.

Related product manuals