EasyManua.ls Logo

LORCH MX 350 EU - Stromlaufplan I Schematic I; MX Eu

LORCH MX 350 EU
31 pages
Print Icon
To Next Page IconTo Next Page
To Next Page IconTo Next Page
To Previous Page IconTo Previous Page
To Previous Page IconTo Previous Page
Loading...
LORCH
Stromlaufplan I schematic I C
xeM
an1"lecK11tM
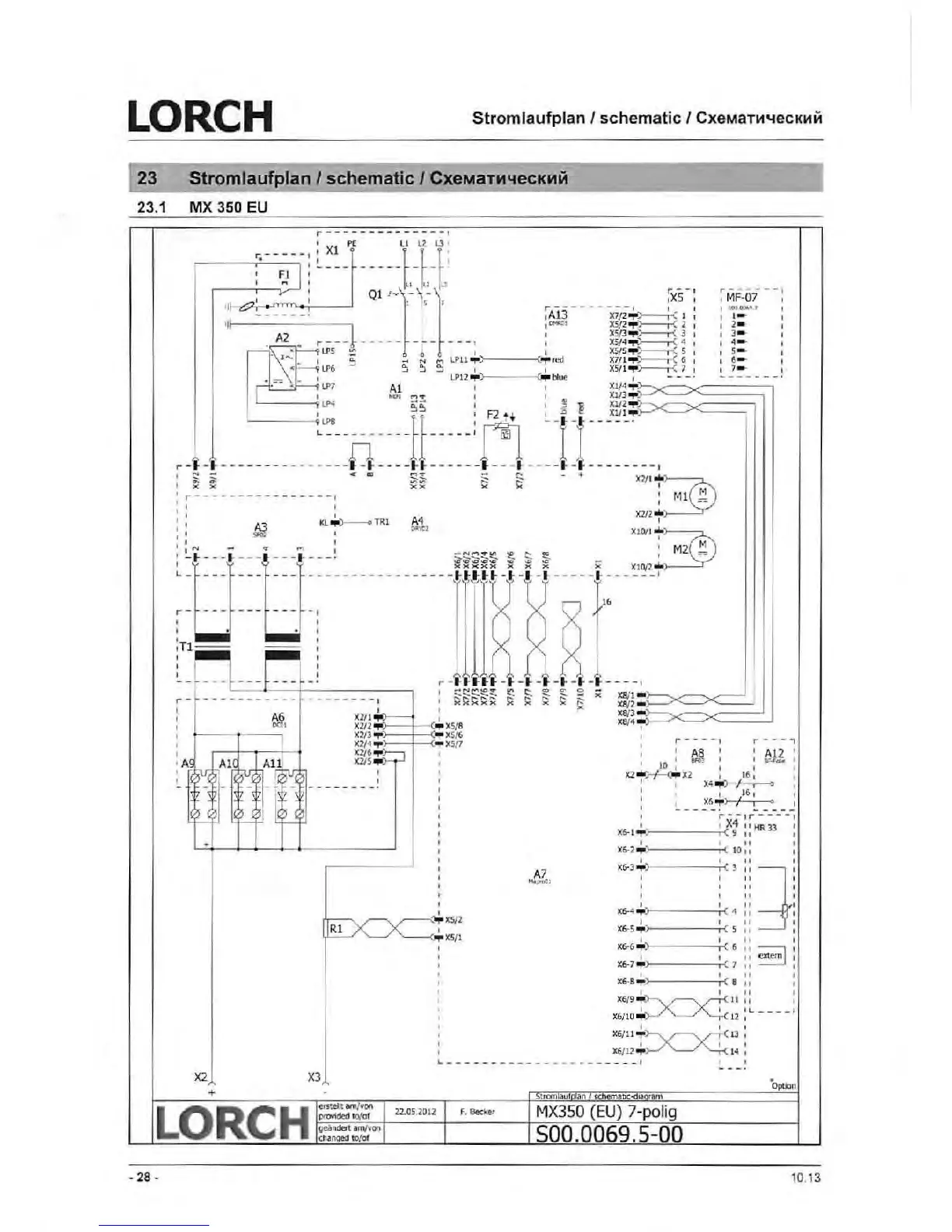
23
Stromlaufplan I schematic I
CxeMaTM'4eCKM.:1
----
23
.1
MX
350 EU
r------------
--1
: Xl T ---_ J J J
Ql
i'
~l't~
Jc:1
1u
__
/?~
.,.,..,.,
1 I i l• ' r - - - - -
11
1--r;...'
- - - - -
~
: I
A13
~
.~
·
A2
r---1
-.
--
---
--
- 1
LFS
U"I
0 I I
C:
- N !:' l
PU
"'P'
) C"'P'red
-J
~
~
::J
I I
lP12
>--
-(
"'P'
blue
r;-----,
I
r:
- - t
1XS
I
- - - I I I
XJ/2"'P'
">-r(
I 1
X5/
2
)--o-<
2
XS/3
"'P'
.>--r<
3
XS/
4
"'P'
.:;
---,-{
4
XS/5
">-r<
5 1
X7f1
)--
r< 6
XS/l
"'P'
">-r<
7
;------.
I
MF
-07 I
I
~00..91
1-
2•
3-
4-
I S-
I 6-
1 7-
lM
Wl
C'.l::!;
1
1
Xl/4 .
~
-
---;'
Al I
;LP8
~~
I
1
"'
X
l/3
~
D...
L
___
n _
___
__
Jt_
____
:rf2~~
·
~
-r
f
-r
l---
~1
;
~
r-
f - f
---
----
-
11
~ ~
----
-
--
-·
----
··
x
~
<
..
..,.,.
-----
- -
--
1 -
--
·
r -
-----
-
~~
~
~
-f
---
----
-
1 - - - - - - - - - I
XX
~
~
- + t
' ' '
'
"
'
~
~
:
AJ
,.
.
,_
><>
A<
:
Ml
!'.!
I I I
I I N
- I Oll
\U
X
2J2
I - f _ <T M I I
,rr
r
r-'
~"
~'--
· -
,,.,~
_ I -
--
----
-- --
--
--
----
-lf
ULH
L
---
~-
__
~
·
~
l
~)
r
Tl~
--
-_
--
-.
-i
i R R J.
16
- ·
~-
~---~
~
:
--·
~-
t
~
·
!!-!
-
-
i
-
-
-
r-
1
I
A6
CCO
I
--
-
----
-1
I
~~x~~~
~
~
~
~
o -
X><
><
><
l;<
~
~
X
x
----i
:
a
~
X
S/
8
g XS/6
I X
S/7
r----,
I
AS
I I
flO!
f
r---,
I
A12
I
I
.,......_
+
.---
-J
C.
XS/2
I
l'!"X5/l
A?
Ml~
l
I
10
I : 161
'X2
)-/-(
X2
X
~
...
) /
-,-o
I I I
,1
6 I
0
:
1
X6
...
) 7 I
I
;·-1r----1
I I
X4
II
HR33
X6-l ""'' 9 11
I
II
X6-2
...
: 10
11
II
I
X&-3
""')
I
X6-4
.:..,
:
c"
I I
X6-
5
...
,
r------,-o;.
llJ
II
II
II
I
~
I I
X6·6
~•
>---
---
"T"\_
I I
X6-7
"1"
1
'>---
---
-.-1.
I
X6-8
8
11
I
I I
fl
I
X6/9~11
11
I
X6/10.
)
.J"--
~(
1 2
:L
----I
I I I
X6Jl1
"1"
~-(
l)
1
I I I
1
~U
"I"
Ho
L--------
----------
-
---
1
option
X3
X2
+
lo
Re
H
=!a~;'
22os
.
2012
F.
Becker
MX
350
(EU)
7-po
li
g
_
~~~~
1
~~®
SOO
.0069.
5-0_Q
. 2
8.
10.13

Related product manuals