EasyManua.ls Logo

Lotus Evora - Page 269

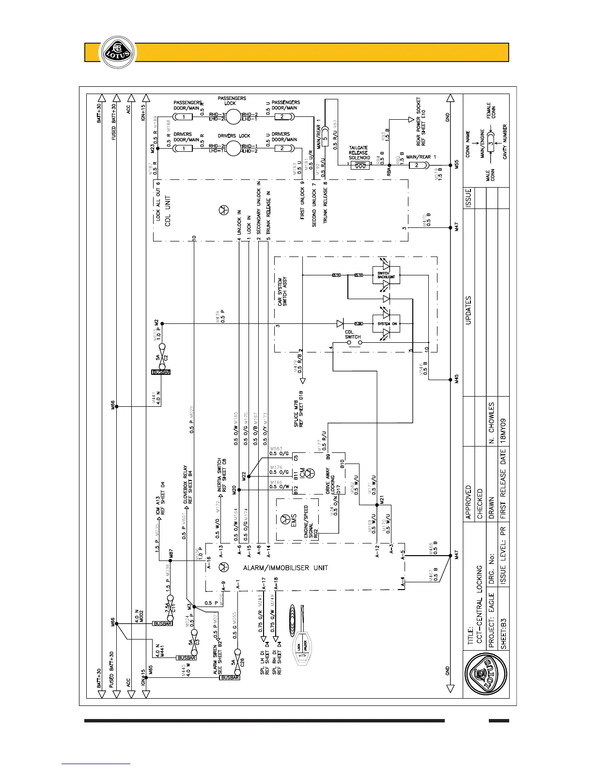
Lotus Evora
370 pages
Print Icon
To Next Page IconTo Next Page
To Next Page IconTo Next Page
To Previous Page IconTo Previous Page
To Previous Page IconTo Previous Page
Loading...
Page 45
Lotus Service Notes Section MR

Table of Contents

Related product manuals