EasyManua.ls Logo

Lumens VC-A60S - Page 14

Lumens VC-A60S
40 pages
To Next Page IconTo Next Page
To Next Page IconTo Next Page
To Previous Page IconTo Previous Page
To Previous Page IconTo Previous Page
Loading...
English -
13
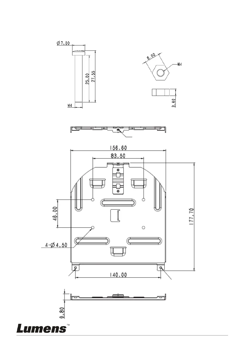
4.2.2.4 Size Diagram
1. Metal plate B - ceiling side
Metal plate B locking screw Metal plate B locking bolt
Metal
p
late B - ceilin
g
M3 threaded hole
M3 threaded hole
M3 threaded hole

Other manuals for Lumens VC-A60S

Related product manuals