EasyManua.ls Logo

MacDon 802 - Hydraulic Schematic: with Macdon Header Drive Pump

MacDon 802
45 pages
Print Icon
To Next Page IconTo Next Page
To Next Page IconTo Next Page
To Previous Page IconTo Previous Page
To Previous Page IconTo Previous Page
Loading...
38
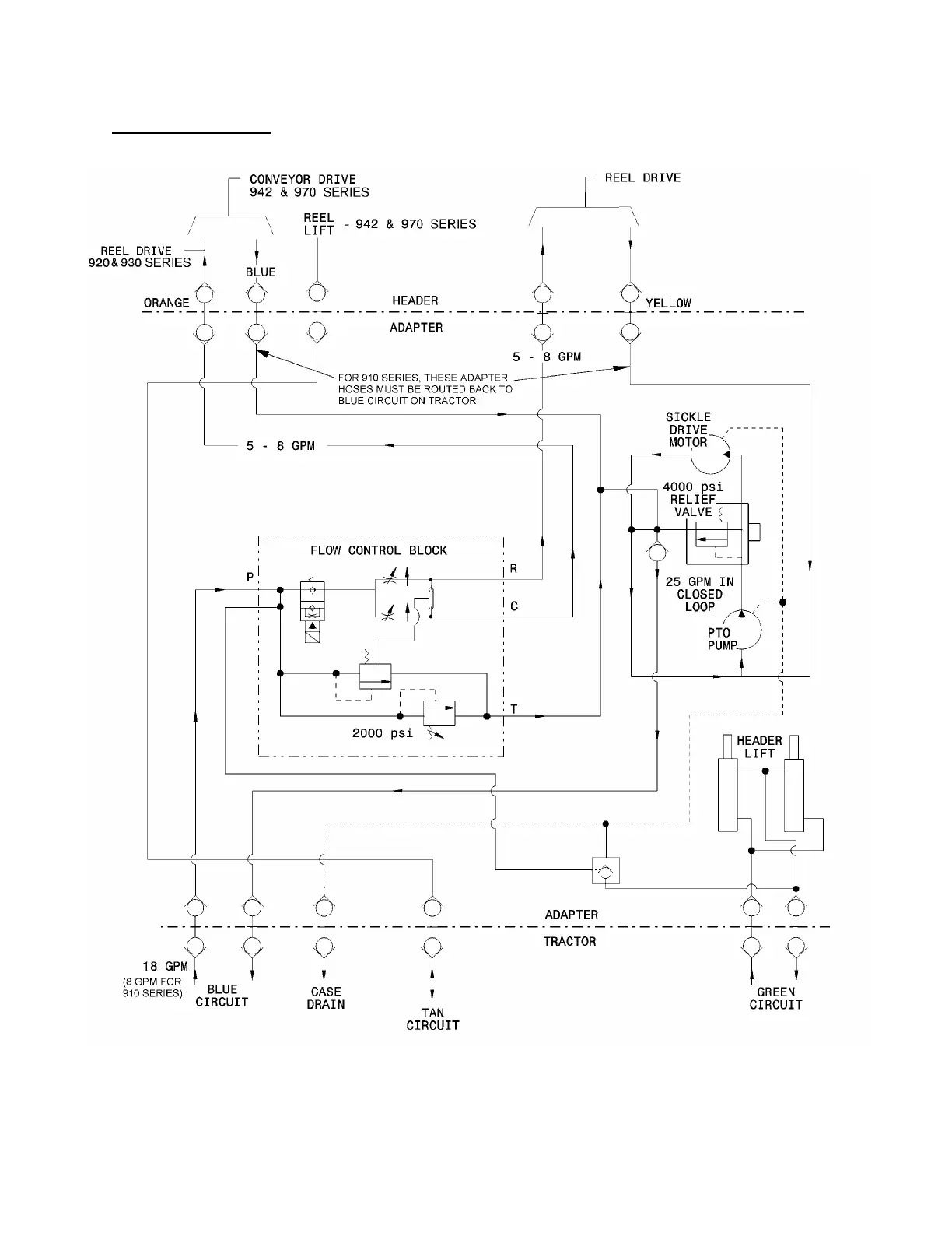
MAINTENANCE/SERVICE
HYDRAULIC SYSTEM
(continued)
NOTE: Available flow from tractor for the above circuit is 22 GPM.
802 ADAPTER WITH MacDon HEADER DRIVE PUMP - HYDRAULIC SCHEMATIC

Related product manuals