EasyManua.ls Logo

MacDon 802 - Hydraulic Schematic: with New Holland Auxiliary Pump

MacDon 802
45 pages
Print Icon
To Next Page IconTo Next Page
To Next Page IconTo Next Page
To Previous Page IconTo Previous Page
To Previous Page IconTo Previous Page
Loading...
39
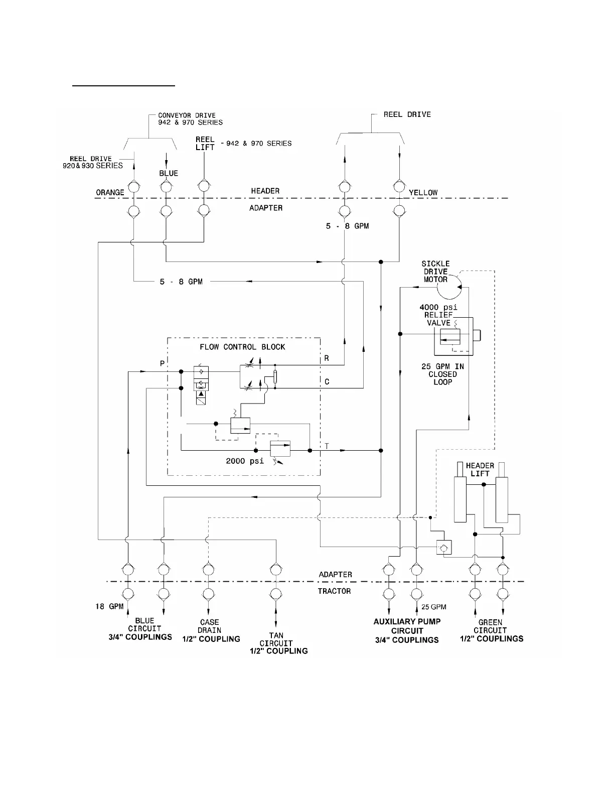
MAINTENANCE/SERVICE
HYDRAULIC SYSTEM
(continued)
MAINTENANCE/SERVICE
NOTE: Available flow from tractor for circuits other than auxillary circuit is 22 GPM.
Available flow from tractor for Auxillary circuit is up to 33 GPM.
802 ADAPTER WITH NEW HOLLAND AUXILIARY DRIVE PUMP - HYDRAULIC SCHEMATIC

Related product manuals