EasyManua.ls Logo

Mackie HUI - Application Hookups: Tracking and Mixing; Tracking and Overdubbing Setup; Mixdown and Mastering Configuration

Mackie HUI
36 pages
Print Icon
To Next Page IconTo Next Page
To Next Page IconTo Next Page
To Previous Page IconTo Previous Page
To Previous Page IconTo Previous Page
Loading...
22
H U I R E F E R E N C E G U I D E
Headphones
Power Amp
3
L/Mono
Headphones
Voice Talent
Mic 2
Voice Talent
Mic 1
Slating
Talk Back
Mic
Stereo EFX/
Compressor
DAT
DAT
(actually same one
as above)
R L/Mono R L/Mono
Talkback
Trigger Out
Insert
Insert
Out
Mic 2 Mic 1
R
MONITOR INPUTS
MONITOR OUTPUTS
1
2
3 2 1
DAW Audio Interface
882 or 888 outputs
Speakers C
Speakers A
Speakers
B
Speaker Selector Box
Internal
External
Mic
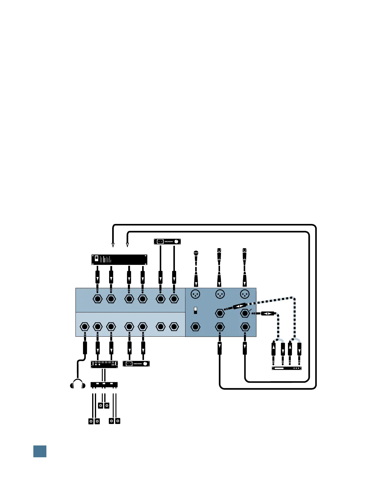
Tracking/Mixing Hookup
APPLICATION HOOKUPS
Tracking/Mixing Hookup
Scenario: Broadcast, multimedia, audio-for-
video suite, production, home studio recording,
mixdown, playback.
Source Material: Live audio (vocals, guitars,
dog, etc.), samplers, synths, drum machines,
prerecorded tracks.
Outputs: To DAW interface, mixdown deck,
speaker pair(s), headphones, effects loop from
inserts.
Audio Hookup:
Use Stereo Monitor Mode.
Tracking: One or two mics are plugged into
HUI’s excellent mic preamps (guitar/vocal, vocal
duo, etc.). A stereo compressor/limiter is inline
using the insert (compressor/limiter separated
as two mono units). The mic’s line output is
routed to the DAW audio interface either directly
or through a microphone mixer.
Overdubbing: Accomplished by recording
newly-enabled DAW tracks while monitoring
DAW output of previously laid-down tracks
through HUI
MONITOR INPUT 3
. The DAT/
HUI hookup (
MONITOR OUTPUT 2
) is for fi-
nal mastering tasks.
Mixdown: After you’ve recorded all the tracks
on the DAW, it’s time to automate the mixdown.
Follow your DAW’s instructions on creating and
automating a session.
MONITOR OUTPUT 3
is used for monitor speakers. When you finally
have it right, simply run the session one last time
with the DAT deck in record mode and its inputs
connected to HUI’s
MONITOR OUTPUT 2.
Digital Control Hookup: Connect MIDI I/O
from HUI to the computer/DAW. Any other
sources that might need to be synchronized to
the DAW are totally optional and studio-specific.
Special Notes: Use the
MONO
button in
the Control Room section to determine phase
cancellation during recording (i.e. mics cancel-
ling out each other).
MONO
is also a useful
check for stereo material that is to be aired for
mono broadcast (again, as a level balance and
phase cancellation check).

Table of Contents

Related product manuals