EasyManua.ls Logo

Mackie SR40.8 - Page 57

Mackie SR40.8
86 pages
Print Icon
To Next Page IconTo Next Page
To Next Page IconTo Next Page
To Previous Page IconTo Previous Page
To Previous Page IconTo Previous Page
Loading...
57
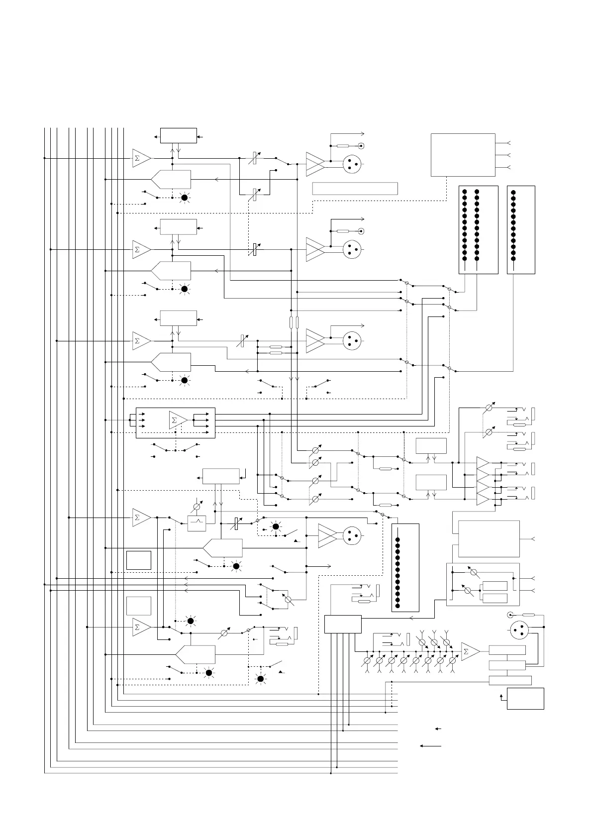
L (LEFT MAIN MIX)
R (RIGHT MAIN MIX)
C (CENTER MAIN MIX)
AUX SENDS 2–4 AND 6–8 NOT SHOWN
SUB 1
SUB 2
SUBS 3–8 NOT SHOWN
AUX SEND 1
AUX SEND 5
SOLO AUDIO (PFL, AFL-L & AFL R)
SOLO LOGIC
MUTE LOGIC
METER LOGIC
INSERT
(BALANCED)
SEND
RETURN
INSERT
(BALANCED)
L MIX
RETURN
PFL
AFL
(SIP)
PFL
AFL
(SIP)
22
10
7
4
2
0
2
4
7
10
20
30
22
10
7
4
2
0
2
4
7
10
20
30
PFL
AFL
(SIP)
INSERT
(BALANCED)
RETURN
SEND
INSERT
(UNBAL)
INSERT
(UNBAL)
PFL
AFL
(SIP)
PFL
AFL
(SIP)
22
10
7
4
2
0
2
4
7
10
20
30
L FADER
R FADER
LINK
(R=L+R)
LEFT MAIN OUT
RIGHT MAIN OUT
LEFT TAPE OUT
RIGHT TAPE OUT
TO MATRIX IN
TO MATRIX IN
ULTRA MUTE™
AUTOMATED
MUTING SYSTEM
MIDI IN
MIDI OUT
RS-232
L-R
METERS
CENTER
METER
(SOLO RELAY)
(METER AFL/PFL RELAY)
TO MATRIX IN
CENTER OUT
R MIX
SOLO
SOLO
C MIX
SOLO
C FADER
METERS: OUTPUTS:
PFL/AFL
METERS: INPUTS:
PFL/AFL
SOLO
LOGIC
SOLO:
INPUTS:
PFL/AFL
SOLO:
OUTPUTS:
PFL/AFL
INSERT
(BALANCED)
RETURN
SEND
SUB 1
MIX
AIR
16kHz
FADER
MUTE
SUB 1
OUT
SUB 1
METER
0VU = 0dBu
0VU = 0dBu
ASSIGN TO CTR
ASSIGN TO L-R
PA N
AUX SEND 1 MIX
FLIP
LEVEL
MUTE
AUX SEND 1 OUT
SOLO
EXTERNAL IN L R C
12345678
(FROM MAIN MIX)
(FROM
SUBS)
ULTRA MUTE
LEVEL POT
AFL/PFL SOLO
MATRIX OUT
TAPE OUT (MATRIX
C&D ONLY)
PHONES
LEVEL
SOLO LEVEL
(TALKBACK
DIM)
PHONES 1 OUT
PHONES 2 OUT
R MONITOR OUT
L MONITOR OUT
MONITOR
LEVEL
CLEAR-COM (TM)
INTERCOM
SYSTEM
INTERFACE
XLR
TALKBACK
SINE
PINK
TO MATRIX IN
SOLO
SEND
TALKBACK
ROUTING
MATRIX A
(1 OF 4)
3K3
3K3
SUB 1
(1 OF 8)
AUX 1
(1 OF 8)
MAIN LEFT/RIGHT/CENTER MIX
3K3EXTERNAL T/B OUT

Table of Contents