EasyManua.ls Logo

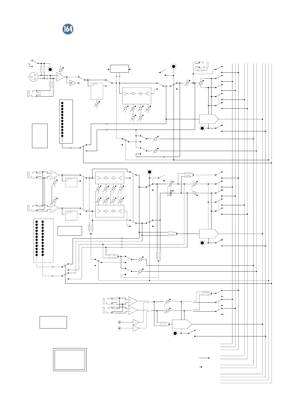
Mackie SR40.8 - SR40-8 Block Diagram

Mackie SR40.8
86 pages
Print Icon
To Next Page IconTo Next Page
To Next Page IconTo Next Page
To Previous Page IconTo Previous Page
To Previous Page IconTo Previous Page
Loading...
56
HPF
30–
800
Hz
MID HI
80
45–3K
12K
LO MID
500–15K
INSERT
(BALANCED)
SEND RETURN
SOLO
PFL
AFL
(SIP)
HPF
150Hz
MID HI
80 800 12K
LO MID
3K
MID HI
80 800 12K
LO MID
3K
HPF
150Hz
SOLO
PFL
AFL
(SIP)
22
10
7
4
2
0
2
4
7
10
20
30
SOLO
PFL
AFL
(SIP)
PHANTOM
MIC IN
LINE IN
TRIM
HPF
(LOW
CUT)
FREQ
EQ IN
GAIN
FREQ
MUTE
FADER
DIRECT
OUT
PA N
C
L-R
1-2
AUX 1
AUX 5PRE
PRE
METER
0VU = 0dBu
POLARITY
LINE IN
LINE IN
HPF (LOW CUT)
GAIN
EQ IN
MUTE
(MUTE)
FADER PAN
C
L-R
1-2
AUX 5
AUX 1PRE
PRE
TRIM
METER
0VU = 0dBu
AUX RETURN B1
(B2, B3, B4 IDENTICAL)
LINE IN L
LINE IN R
TAPE A IN
(TAPE B IDENTICAL)
LINE IN L
LINE IN R
AUX RETURN
B4 ONLY
L (LEFT MAIN MIX)
R (RIGHT MAIN MIX)
C (CENTER MAIN MIX)
FOR SIMPLICITY, AUX SENDS 2-4 AND 6-8 NOT SHOWN
SUB 1
SUB 2
FOR SIMPLICITY, SUBS 3-8 NOT SHOWN
AUX SEND 1
AUX SEND 5
SOLO AUDIO (PFL, AFL-L & AFL R)
SOLO LOGIC
MUTE LOGIC
METER LOGIC
LEVEL
MUTE
L-R
C
22
10
7
4
2
0
2
4
7
10
20
30
MACKIE DESIGNS
SR40-8/SR56-8
BLOCK DIAGRAM
(#052997DF)
MONO
CHANNEL
(1 OF 40,
SR40-8;
1 OF 56,
SR56-8)
MAIN AUX
RETURN (1 OF 4)
'B' AUX RETURNS
(4 TOTAL) & TAPE
IN (2 TOTAL)
AUX SEND 1 (2–4 IDENTICAL)
AUX SEND 5 (6–8 IDENTICAL)
AUX SEND 1 (2–4 IDENTICAL)
AUX SEND 5 (6–8 IDENTICAL)
(METER
AFL/PFL
RELAY)
(METER
AFL/PFL
RELAY)
(MUTE)
SR40•8 BLOCK DIAGRAM

Table of Contents

Other manuals for Mackie SR40.8

Related product manuals