EasyManua.ls Logo

Marantz AV8003 - Page 142

Marantz AV8003
219 pages
Print Icon
To Next Page IconTo Next Page
To Next Page IconTo Next Page
To Previous Page IconTo Previous Page
To Previous Page IconTo Previous Page
Loading...
178
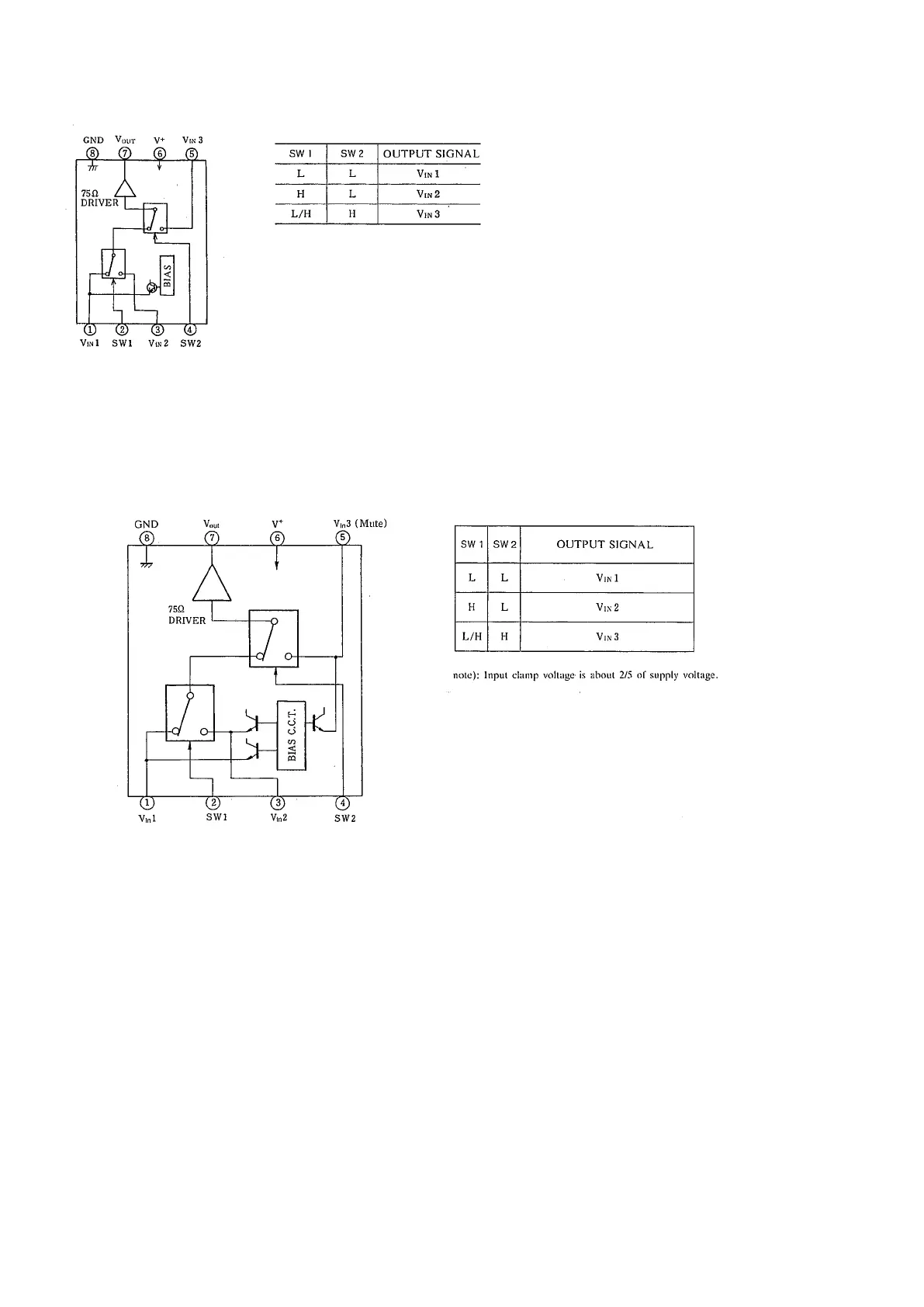
IC75 : NJM2264D
IC76 : NJM2244D
IC77 : NJM2244D
IC82 : NJM2244D

Other manuals for Marantz AV8003

Related product manuals