EasyManua.ls Logo

Marantz AV8003 - Page 76

Marantz AV8003
219 pages
Print Icon
To Next Page IconTo Next Page
To Next Page IconTo Next Page
To Previous Page IconTo Previous Page
To Previous Page IconTo Previous Page
Loading...
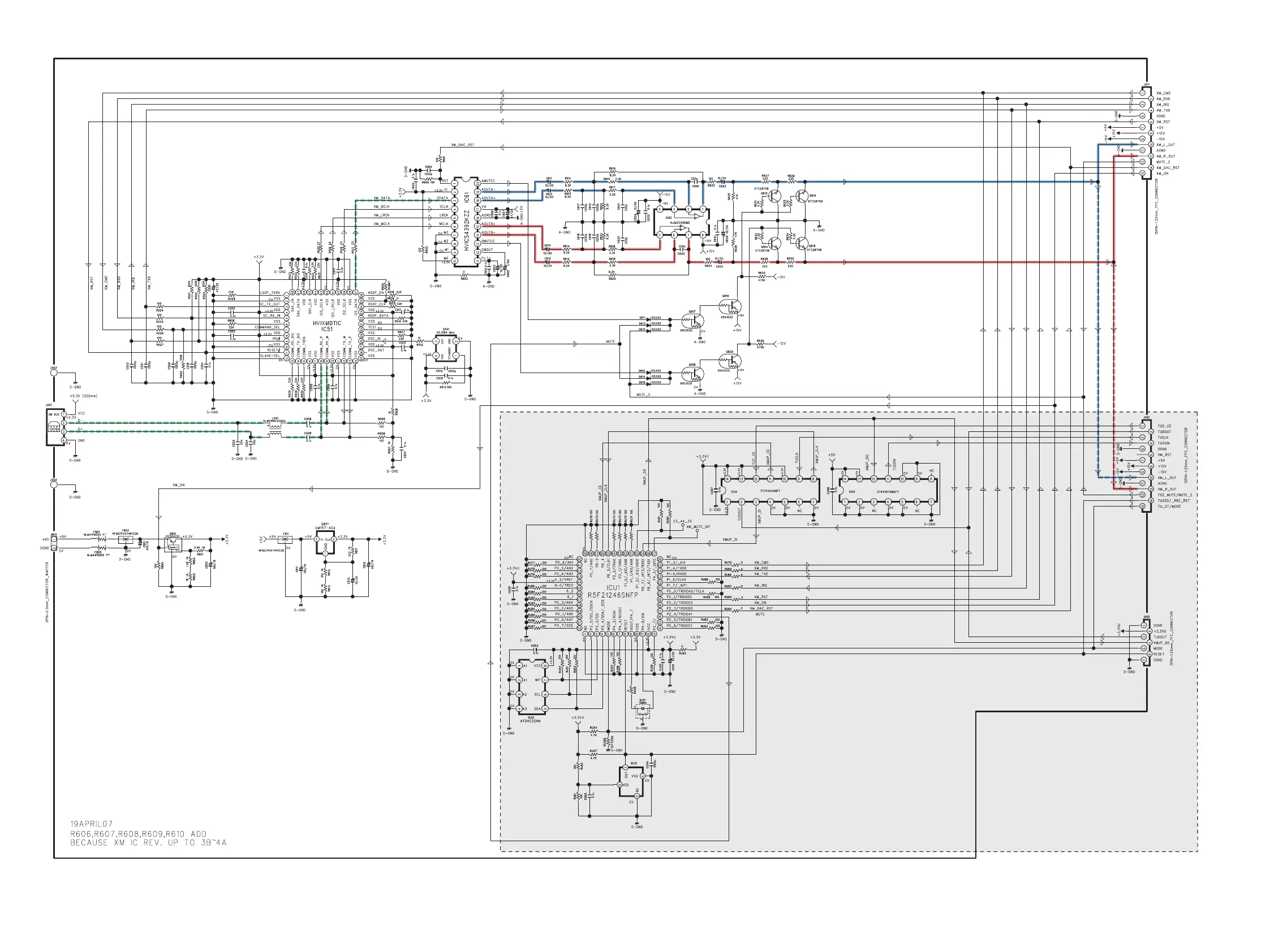
8887
TO DSP PWB -1/2
FROM DSP PWB -1/2
N. C. BLOCK
XM PWB (/U Only)

Other manuals for Marantz AV8003

Related product manuals