EasyManua.ls Logo

Marantz AV8003 - Page 82

Marantz AV8003
219 pages
Print Icon
To Next Page IconTo Next Page
To Next Page IconTo Next Page
To Previous Page IconTo Previous Page
To Previous Page IconTo Previous Page
Loading...
10099
D904
30V
D903
6.8V
R902
100(1/4W)
R901
100(1/4W)
Q902
KTC3198YT
Q903
KTC3198YT
Q904
KTA1267Y
R917
100K
C934
1000p
C933
47/25V
R912
1.5K/1W
R913
1.5K/1W
R905
1(1/2W)
D905
1N4003SRT
C923
100/100V
R916
33K
R914
47K
C924
0.01
C925
47/50V
C926
47/50V
R915
1.8K
C927
0.01
Q901
HVTKTA1268GRT
ET92
J901
CN45
D902
HVDGBJ1006
D901
HVDGBJ1006
C928
0.1
C929
0.1
C906
100uF/25V
C910
100uF/25V
C909
0.1
C908
0.1
C916
0.01
C912
0.01
C914
100uF/50V
C913
0.01
D906
CVD1N4003SRT
D907
CVD1N4003SRT
C917
0.01
C918
100uF/50V
R906
22K
R907
22K
R908
10K
R909
100K
R910
100K
F901
T 5A 250V
F902
DUMMY
CN44
CN50
BN43
ET91
R903
0.15(1W)
R904
0.15(1W)
CN47
C920
0.01
C922
100uF/25V
C921
0.01
D908
CVD1N4003SRT
C904
10000/16V
C905
10000/16V
C932
100uF/25V
C931
0.1
C930
0.1
C907
4700/35V
R911
100K
BN53
C911
0.01
C919
100uF/25V
C915
0.01
D909
CVD1N4003SRT
CN66
C902
3300/35V
C901
3300/35V
C903
3300
/35V
CN46
BN49
J938
R918
1(1/2W)
D910
1N4003SRT
D911
1N4003SRT
D912
1N4003SRT
C935
0.047uF/100V
C936
0.047uF/100V
1.FL2
2.FL1
3.VKK
4.CH_GND
5.CH_GND
6.+5VD
7.+5VL
2.FL2
1.FL1
2.CH_GND
3.AC
1.AC
CH_GND
8.+5VL
6.GND
4.+5VV
1.-15V
3.+15V
2.CH_GND
2.AC
1.AC
6.GND
5.+5VD
4.+5VD
3.+15V
1.-15V
2.CH_GND
7.GND
8.+5VL
5.+5VV
7.GND
GND
9.+12VR
8.+15V
9.-15V
9.+5VVA
2.GND
1.+5VD
3.+12VD
1.+8V2
2.GND
3.P_LINE_FAIL
5.AC
4.AC
3 PIN-2,5MM-WAFER
4 PIN-2,5MM-WAFER
9 PIN-2.5MM-WAFER
2 PIN-7.92MM-WAFER
3 PIN-2,5MM-WAFER
3 PIN-2,5MM-WIRE
9 PIN-2,5MM-WIRE
9 PIN-2,5MM-WAFER
1.+15V
2.CH_GND
3.-15V
4.CH_GND
5.+12VR
3 PIN-2,5MM-WAFER
3.NC
123456789
1
3
4
2
1
3
4
2
VOUT
GND
ON/OFF
VIN
4
1 2
3
VOUT
GND
ON/OFF
VIN
4
1 2
3
GND
OUT
OUT
IN
IN
3
2
1
GND
32
1
1 2
123456789
9 8 7 6 5 4 3 2 1
123
3
2
1
OUT
IN
COMMON
3
21
4
VIN
ON/OFF
GND
VOUT
3 2 1
3
2
1
OUT
IN
COMMON
123
54321
54321
+5VL
+5VL
GND
FROM FRONT PWB
FROM MAIN TRANSF.
FROM INPUT PWB
TO VIDEO PWB
+5VV
+5VD
+15V
-15V
FROM MAIN TRANSF.
+12VR
+5VVA
+12VD
TO STANDBY PWB
FROM DSP PWB -1/2
FROM MAIN TRANSF.
FROM PREOUT BOT PWB
IC93
HVINJM7815FA
IC94
HVINJM7915FA
IC97
HVIKIA7812API
IC96
HVIKIA7812API
IC91
KIA578R05PI
IC92
KIA378R05PI
IC95
KIA78R05PI
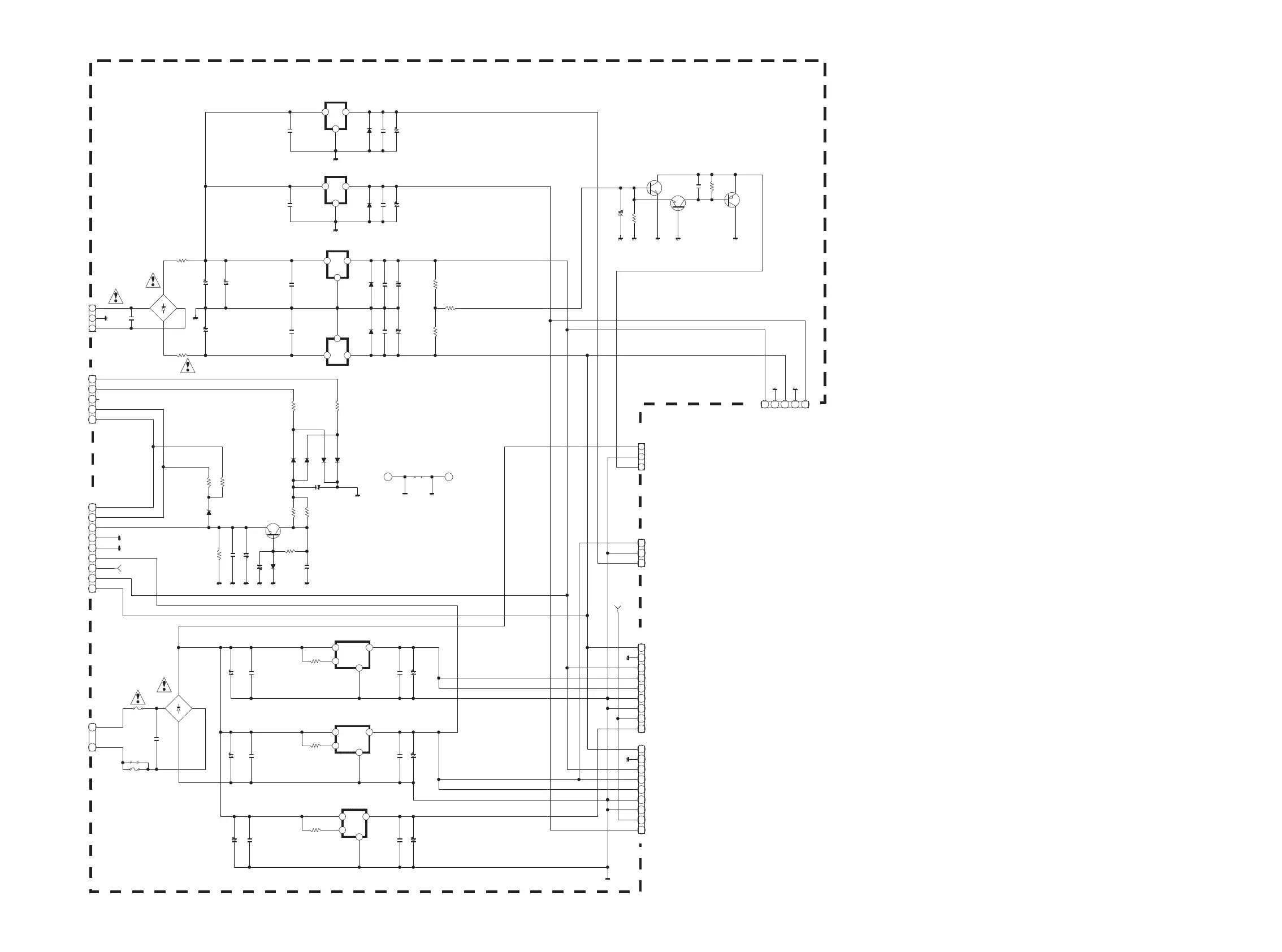
REGULATOR PWB

Other manuals for Marantz AV8003

Related product manuals