EasyManua.ls Logo

Marantz AV8802/U1B - Page 121

Marantz AV8802/U1B
273 pages
Print Icon
To Next Page IconTo Next Page
To Next Page IconTo Next Page
To Previous Page IconTo Previous Page
To Previous Page IconTo Previous Page
Loading...
d
AC PLUG
GND
FRONT_USB_VBUS
232C+3.3V
IN
OUT
TR
SCPU_POWER_MO
2SA2018
SCPU5V
5.2V
D5V
5.2V
form_MAIN
DSP1.1V1
IN
OUT
REG
NJM2845DL
SCPU+3.3V
SUBCPU_CONTROL
SCPU5V
D5V
M+3.3V
M+3.3V
SWM+3.3V
M+3.3V
SWM+3.3V
REMOTE+3.3V
MAINCPU_CONTROL
IN
OUT
TR
REMOTEPOWER_MO
2SA2018
REMOTE3.3V
3.3V
M3.3V
3.3V
form_MAIN
IN
OUT
TR
232C_POWER
2SA2018
232C3.3V
3.3V
M3.3V
3.3V
form_MAIN
IN
OUT
REG
NJM2845DL
IN
OUT
FET
CPU_POWER_MO
FDC60BPZ
SWM3.3V
3.3V
M3.3V
3.3V
form_MAIN
IN
OUT
IC
cam_xclka
NCP380
FRONT_USB_VBUS
5.2V
D5V
5.2V
form_920
IN
OUT
DC-DC_CONV.
CEC_POWER
EX3AV
CEC1.2V
1.2V
D5V
5.2V
form_SUBCPU
IN
OUT
DC-DC_CONV.
DV_POWER2
EX3AV
DV1.8V
1.8V
D5V
5.2V
form_SUBCPU
DV1.8V
DV5V
DV3.3V
IN
OUT
DC_DC_CONV.
CEC_POWER
EX3AV
CEC3.3V
3.3V
D5V
5.2V
form_SUBCPU
IN
OUT
DC-DC_CONV.
CEC_POWER
EX3AV
CEC1.2V2
1.2V
D5V
5.2V
form_SUBCPU
CEC5V
IN
OUT
TR
CEC_POWER
2SA2018
CEC5V
5.2V
D5V
5.2V
form_SUBCPU
CEC3.3V
IN
OUT
TR
DV_POWER1
2SA2018
DV5V
5.2V
D5V
5.2V
form_SUBCPU
FLD_VKK
ANALOG_VIDEO_-5V
IN
OUT
Tr
ANALOG_VIDEO_GND
ANALOG_AUDIO_GND
ANALOG_AUDIO_-7V
IN
OUT
REG
GND
FLD_AC
IN
OUT
Tr
FLD_AC
ANALOG_AUDIO_+7V
+12V
RELAY_12V
TRIGGER1&2_+12V
IN
OUT
REG
FAN_GND
-12V
IN
OUT
REG
FLD_GND
TRIGGER_GND
ANALOG_VIDEO_+3.3V
RELAY_GND
ANALOG_VIDEO_+5V
FAN_+612V
SWM+3.3V
CEC1.1V
CEC1.1V2
IN
OUT
DC-DC_CONV.
DA_POWER
ADP2114ACPZ-R7
DSP1.1V
1.1V
D3.3V
3.3V
IN
OUT
DC_DC_CONV.
DA_POWER
EX3AV
DA3.3V
3.3V
D5V
5.2V
form_SUBCPU
IN
OUT
REG
NJM2845DL1-18
DA3.3V
DA1.8V
IN
OUT
DC-DC_CONV.
CEC_POWER
EX3AV
CEC1.1V
1.1V
D5V
5.2V
form_SUBCPU
DA1.1V2
IN
OUT
FET
DV_POWER1
FDC60BPZ
DV3.3V
3.3V
CEC3.3V
3.3V
form_SUBCPU
IN
OUT
DC-DC_CONV.
CEC_POWER
EX3AV
CEC1.2V3
1.2V
D5V
5.2V
form_SUBCPU
CEC1.1V3
REAR_USB_VBUS
NET2.5V
IN
OUT
DC-DC_CONV.
870_POWER
EN5339QI
NET1.2V
1.2V
D5V
5.2V
from_MAIN
IN
OUT
IC
cam_xclka
NCP380
FRONT_USB_VBUS
5.2V
D5V
5.2V
form_920
IN
OUT
DC-DC_CONV.
920_POWER
EN5339QI
NET1.8V
1.8V
D5V
5.2V
from_MAIN
920_CONTROL
NET3.3V
IN
OUT
DC-DC_CONV.
920_POWER
EN5339QI
NET2.5V
2.5V
D5V
5.2V
from_MAIN
NET1.2V
NET1.8V
IN
OUT
DC-DC_CONV.
920_POWER
EN5339QI
NET3.3V
3.3V
D5V
5.2V
from_MAIN
MAIN_POWER
CONTR
OLLER
DSP/DIR/
PLD/DAC
SUB CPU
CEC_BUFFER
RESET/B_DOWN
MAIN CPU
FRONT
232C
I/P OSD
HDMI SW1
VIDEO PLD
HDMI SW2
DECORDER
HDMI TX
TRIG/FAN BLOCK
FLD BLOCK
ANALOG VIDEO BLOCK
ANALOG AUDIO BLOCK
AUDIO BLOCK
HD_RADIO
DIGITAL PCB BLOCK
0.42A
0.42A
0.62A
0.3A
0.4A
0.38A
0.2A
0.25A
0.02A
CY920
PHY/RAM/ROM
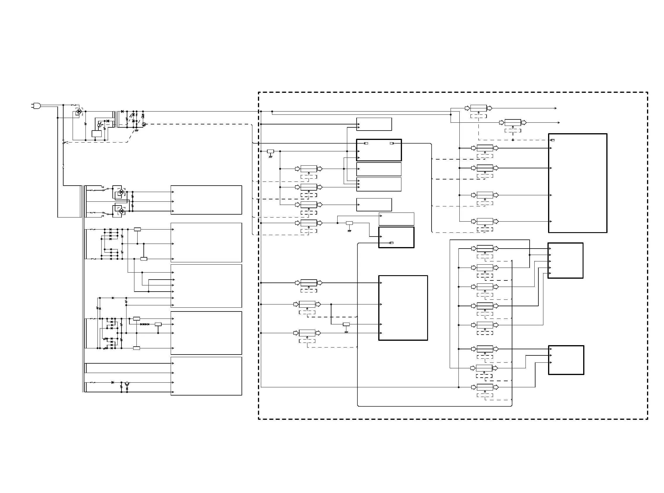
AV8802A BLOCK DIAGRAM (P.SUPPLY)
121

Table of Contents

Related product manuals