EasyManua.ls Logo

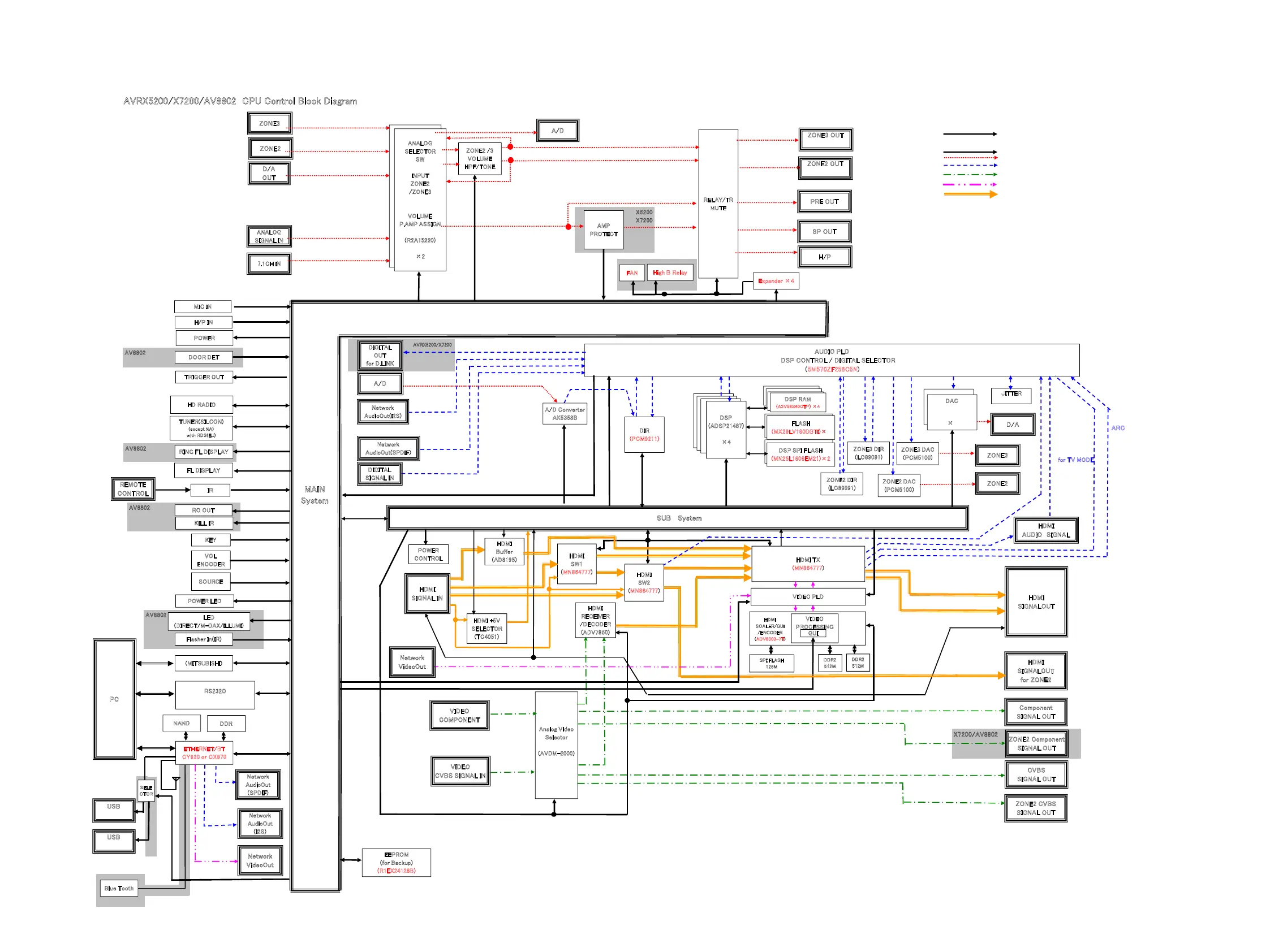
Marantz AV8802/U1B - CPU DIAGRAM; AVRX5200;X7200;AV8802 CPU Control Block Diagram

Marantz AV8802/U1B
273 pages
Print Icon
To Next Page IconTo Next Page
To Next Page IconTo Next Page
To Previous Page IconTo Previous Page
To Previous Page IconTo Previous Page
Loading...
CPU DIAGRAM
AVR
X5
200/X7
200
/AV88
02 CP
U C
o
ntr
ol
Blo
ck
D
i
agram
Control signal
Control signal
Analog Audio Signal
Digital Audio Signal
Analog Video Signal
Digital Video Signal
HDMI Signal
X
72
0
0
/
A
V
88
02
D
S
P
R
A
M
(
A
3
V5
6
S
4
0
GT
P)
D
SP R
A
M
(A
3V
56
S40GT
P
)
D
S
P
S
PI
F
L
A
SH
(MN2
5
L
1
6
0
6E
M
2
1)×
2
X
52
0
0
X7200
AN
AL
OG
SELEC
T
OR
SW
IN
PU
T
Z
ONE2
/Z
ON
E
3
VOLUME
P
.AMP ASSIGN
(
R2A1
5
220)
AV
R
X52
00/
X
7
20
0
A
V8
802
AV8802
AV8
802
R
IN
G FL DISPL
A
Y
P
O
WER LE
D
RE
MOTE
CONT
R
OL
IR
RS232C
(
MITS
UBISH
I
)
P
C
UART
UART
SPI
UART
UART
D
/A
A
U
DI
O
PLD
D
S
P
C
ONT
R
OL
/ D
I
G
IT
A
L
SELECT
O
R
5
M
5
7
0
ZF2
56C
5N
)
SPI
SPI
M
AI
N
S
y
st
e
m
SPI
LAN
ETHE
R
NE
T
/B
T
CY
9
20 or CX87
0
POWER
SPI
U
S
B
D
S
P
(
A
D
SP
21
48
7
)
×4
A
N
A
L
OG
SIG
N
AL IN
D
/A
OU
T
AMP
PR
OTEC
T
R
E
LA
Y
/
T
R
M
U
T
E
SPI
Z
ON
E
2
O
U
T
P
R
E
O
U
T
S
P O
U
T
EEPROM
(for Ba
ck
up)
(
R
1EX2
4
12
8B
)
I2C
H/P IN
DA
C
AK4490EQ
×
2
D
SP RA
M
(A
3
V
56S
4
0
G
T
P)
D
S
P
S
P
I
F
L
A
SH
(MN
25
L
16
06
E
M
21
)
×2
SPI
VID
E
O
C
VBS SIG
N
A
L
IN
SPI
A
RC
H
/
P
A/D
DIR
(
PC
M
921
1
)
AN
A
LOG
SELECTOR
S
W
IN
PU
T
ZON
E
2
/ZO
N
E3
VO
LU
ME
P
.
A
MP ASSIGN
(R2A15
22
0)
×2
K
EY
TUNER
(
SILCO
N
)
(except N
A
)
wit
h R
D
S
(EU
)
3WIRE SPI
Fla
s
h
e
r
In(IR
)
L
E
D
(DI
R
ECT/M-DAX
/I
LL
U
M
I
)
V
OL
E
NCO
D
ER
AV8802
RC OUT
K
ILL IR
f
or
T
V
M
O
D
E
NAND
D
D
R
N
et
w
or
k
Vid
eo
Out
Net
wo
rk
Aud
i
oOut
(I
2S)
Networ
k
A
udioOu
t
(
S
P
DIF)
D
I
G
IT
AL
SIGNA
L
IN
N
e
twor
k
Au
dio
Out
(
S
P
D
IF)
A
/D
N
e
t
w
ork
A
u
d
io
O
ut
(
I2S
)
7
.1
C
H I
N
V
IDEO
C
O
MPO
N
E
NT
TR
IG
GE
R
OU
T
SOU
R
CE
ZO
N
E2 /3
VO
L
UM
E
H
PF
/TON
E
A
n
alog
V
ideo
S
el
ector
(
A
VD
M-
200
0)
Z
ON
E
3
O
U
T
SPI
S
UB
S
ys
t
e
m
FL DISPLAY
SPI
H
D
RADIO
UART
MIC IN
DIG
I
TAL
OUT
for
D
.
L
INK
JI
T
TE
R
D
OOR DET
I2C
A/
D
C
on
ve
rt
er
A
K
5
3
58
B
ZO
N
E
2 D
I
R
(L
C8
90
9
1
)
Z
O
NE
2
DAC
(
P
CM
5
10
0)
Z
O
N
E2
Z
O
N
E
3 D
IR
(
L
C8
90
91
)
Z
O
N
E3
Z
O
N
E2
ZONE3
F
AN
High B Relay
Z
O
NE
3
D
AC
(
PCM
510
0)
VIDE
O
PR
O
CE
S
SING
H
DMI
S
C
AL
E
R/G
U
I
/
E
N
C
ODE
R
(
A
D
V
8
0
03
-
7T
)
G
UI
HD
M
I
SIGNA
L
I
N
HD
M
I
S
IGNA
LOU
T
I2C
CEC
CEC
H
D
MI
S
W
2
(MN864
7
77)
HDMI
Buffer
(AD8195
)
HDMI +5V
SE
LE
C
T
OR
(
TC
405
1
)
5V Signal
H
D
MI
RE
C
EIV
E
R
/D
E
C
O
DE
R
(AD
V
7850)
DD
R
2
512
M
SP
I
F
L
ASH
1
2
8
M
H
D
MI
S
IG
NA
LO
U
T
fo
r Z
ON
E
2
POW
E
R
CONTRO
L
Network
Vi
deo
Out
HD
MI
SW1
(
MN
8647
7
7)
V
I
D
E
O
PLD
HDMI TX
(MN
8
64
77
7
)
D
DR2
5
1
2M
H
D
M
I
AU
D
IO S
I
G
N
A
L
F
L
A
SH
(MX2
9
LV16
0
DBTI)
E
x
pa
n
d
e
r
×
4
CV
BS
S
IG
NAL
OUT
C
o
m
p
o
ne
n
t
S
IG
NA
L OUT
Z
O
N
E
2
C
VBS
S
IG
NA
L OUT
Z
O
N
E2 C
omp
on
en
t
S
I
GN
A
L OUT
U
S
B
S
E
LE
CTOR
Blue T
o
o
t
h
D
S
P
R
A
M
(A
3
V56
S
4
0
G
T
P)
×
4
F
L
A
SH
(MX29LV160D
BT
I
)
×2
CX870
X7200/AV8802
X5200/X7200
122

Table of Contents

Related product manuals