EasyManua.ls Logo

Marantz NR1508 - Page 126

Marantz NR1508
146 pages
Print Icon
To Next Page IconTo Next Page
To Next Page IconTo Next Page
To Previous Page IconTo Previous Page
To Previous Page IconTo Previous Page
Loading...
g.04a
C1
MUX
IN2
IN1
IN3
O1
ADC
DOUT
SCK
LRCK
BCK
RXMCLK
RXFS
RXI2S2
RXI2S0
IN0
MAIN
OUT
PORT
256FSDIR1
FSDIR1
SBCK
MCLK1
DAC_256FS
DAC_FS
DACDATAC
DACZEROMUTE
FRONT HDMI
HDMI3
HDMI1
HDMI4
IN3
TMDS
IN0
TMDS
TMDS
TMDS
TMDS
OUT1
LEGO_SPDIF
DIRRXSPDIF
MUX
DIR
BCK
DATA
TXFS
TXI2S0
TMDS
TMDS
TMDS
OUT0
OUT1
OUT0
ADV7623
HDMI2
HDMI5
iPod Auth.
MFI337S3959
IN2
IN1
TMDS
HDMI2.0 RX
Matix SW
MN864787
LRCK
MCK
MPIO_B
SELECTOR
MPIO_A
SELECTOR
MPIO_C
SELECTOR
RX64FS
RXI2S1
TX64FS
TMDS
HDMI2.0
Matix SW
MN864788
Z2_ADC
AK5358BET
TMDS
TMDS
ARCSPDIF
FUNCTION
DATA
MN864788 CON
MN864787 CON
10MHz
SDRAM
200MHz
Serial
Flash
16MHz
KEY_MATRIX
RXI2S3_SPDIF
64FSDIR1
DATADIR1
SLRCK
DAC_64FS
DACDATAF
DACDATAS
COAXIAL
LEGO_SPDIF
LEGO_I2S
SLRCK
FSDIR1
256FSDIR1
DIRADATAI
DIRABCKI
DIRAMCKI
INA
DATAS
DATAF
DSP1OUTMCK
DSP1OUT64FS
DSP1INCSW
DSP1INF
DSP1INFS
DSP1INMCK
HDMI OUT1
OPTICAL
USB FRONT
74VHCU04
ADV8195
TMDS
BUFFER
Oscillation
Amplifier
PCM9211 (DIR+A/D)
DATADIR1
SBCK
MCLK1
DIRALRCKI
64FSDIR1
ADV7623
HDMI TRANSCEIVER
DATAC
DSP1OUTFS
DSP1INS
DSP1INSB
DSP1IN64FS
R5F5631FDDFB
MAIN
MICOM
DIGITAL IN
WiFi/BT ANT
RJ-45
HDMI IN
LEGO
NETWORK MEDIA
MODULE
MAIN ZONE DAC
AK4458VN
ADSP21487KSWZ-2B
DIGITAL AUDIO
DECODER
(300MHz)
OSD DATA
TUNER CONT
IPOD
POWER CONT
MUTE
RELAY
FL CONT
TO ANALOG AUDIO BLOCK
5M570ZF256C5N
AUDIO PLD
DSP AUDIO CONT.
74LVC157.
DIR CONT.
PLD CONT
HDMI
CEC
HPD
TO ANALOG AUDIO BLOCK
LEGO_R
DA-FR
DA-SW
27MHz
27MHz
18.75MHz
6
5
4 23 1
GND
DATA -
VBUS
DATA +
LEGO_L
DA-FL
DA-C
DA-SL
DA-SR
ADIN_L
ADIN_R
ANT4
24.576MHz
ANT3
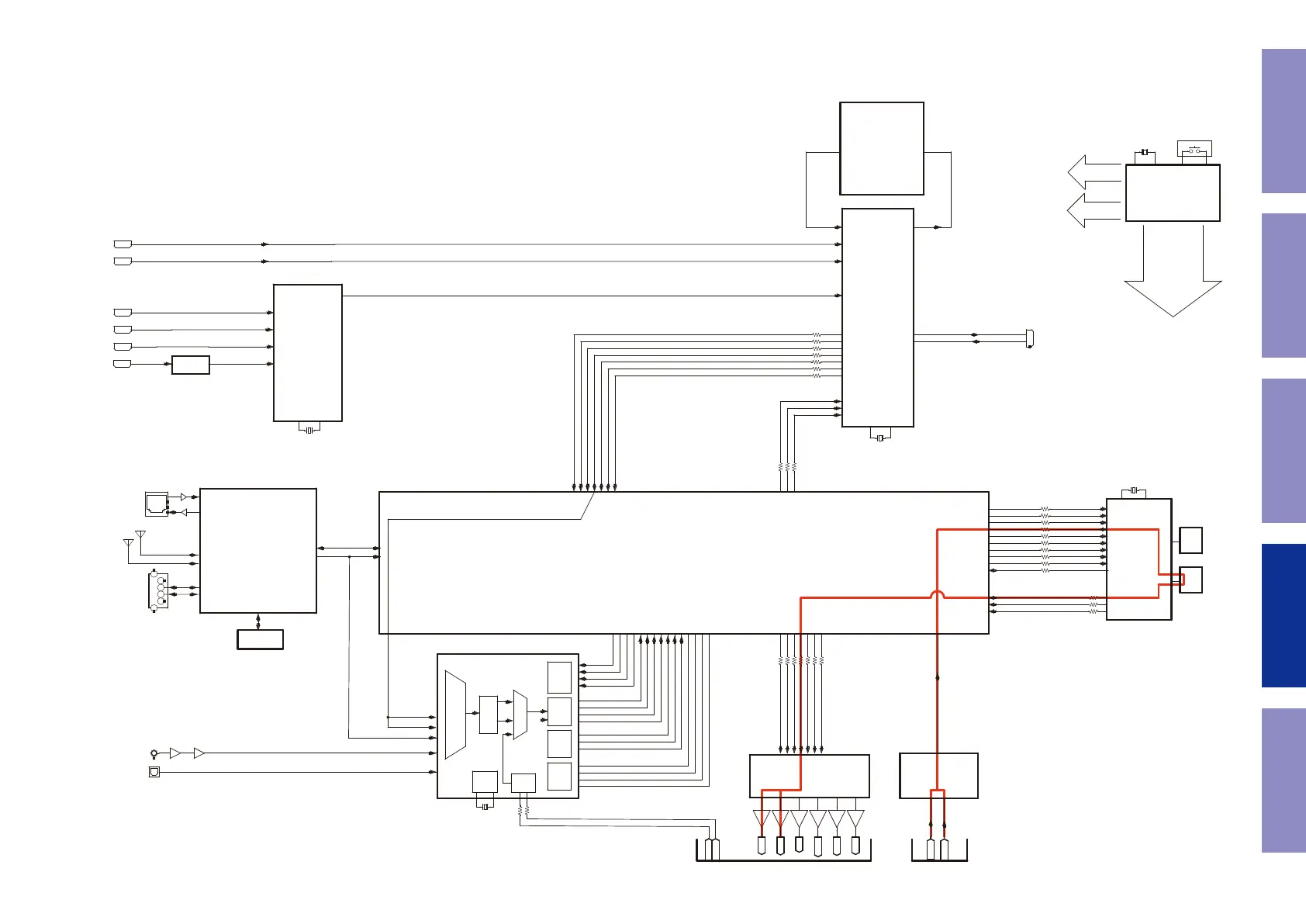
NR1508 DIGITAL AUDIO DIAGRAM
126
Caution in
servicing
Electrical Mechanical Repair Information Updating

Other manuals for Marantz NR1508

Related product manuals