EasyManua.ls Logo

Marantz NR1508 - Power Diagram

Marantz NR1508
146 pages
Print Icon
To Next Page IconTo Next Page
To Next Page IconTo Next Page
To Previous Page IconTo Previous Page
To Previous Page IconTo Previous Page
Loading...
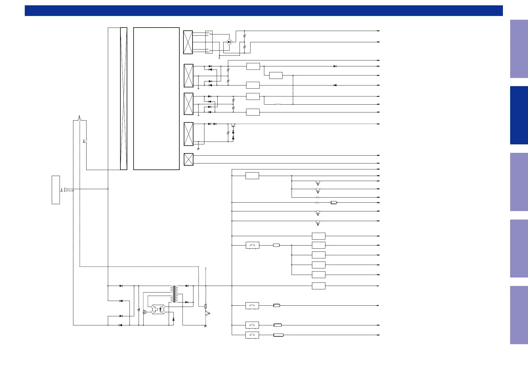
POWER DIAGRAM
RELAY
HI-B
RELAY
1.231A
2.475A
1500mA?
410mA
D5V
FL AC (F2)
VKK
VIDEO-5.0V
A.TUNER+5.0V
MAIN -B
S4(VKK)
HI+B
5.2V
LEGO 5V
DV5V(ADV7623)
FL AC (F1)
VIDEO+5.0V
AUDIO-7.0V (Pre)
RL+B
AUDIO+7.0V (Pre)
MAIN +B
LOW+B
981.7mA/40mA=1021.7mA
314mA/25mA/40mA=379mA
234mA/375mA/375mA= 984mA
584mA/25mA/7.5mA= 616.5mA
S5(FILAMENT)
S3(VIDEO)
S2(+8V,-8V)
LOW-B
S1(AMP +B)
200mA/55mA/25mA/55.8mA/
24mA/50mA= 409.8mA
AC CORD
MAIN PWR ON
FL5V(P-DIRECT LED VOLTAGE)
MAIN TRANS
CEC1.1V/HDMI RX/TX
(MN864787 / MN864788)
DA1.1V /DSP
(ADSP21487KSWZ-2B)
DV1.8V
(ADV7623 / 5M570ZF256C5N)
DV3.3V
(ADV7623 / MX25L3206EM2I-12G / 5M570ZF256C5N)
NET3.3V
(MX25L25635FM / MFI337S3959)
CEC3.3V
(AD8195 / MN864787 / MN864788 / MC14094BDTR2G EXPAN*2)
CEC5V
(AD8195 / MN864787 / MN864788)
STBY5V
(SN74CBT3251PWR / CEC IN/OUT CIRCUIT PART)
MUTE3.3V
( Preout MUTE VOLTAGE)
M3.3V (CPU) / RESET
SWM3.3V
(FLT / TC74VHC08FT buffer)
DA+5.0V(PCM9211 / AK4458VN)
DA3.3V
(ADSP21487 / W9864G6JH / MX25L1606EM2I-12G
/ PCM9211/ AK4458VN / TC74VHCU04FT )
STBY3.3V
(CEC IN/OUT CIRCUIT PART)
VCC
FL5V
D3.3V
OPEN
JUMPER
CEC1.1V1
CEC_POWER
CEC1.1V1
DA1.1V
D1.8V
AP7361
M3.3V
KIA7905PI
KIA7805API
KIA7805API
CEC_POWER2
DV_POWER1
CPU_POWER
DA1.1V
DA_POWER
DV1.8V
D5V_POWER
D3.3V
D5V_POWER
KIA7908API
KIA7808API
CEC_POWER2
DV POWER1
FDC608PZ..
E_POWER1
FDC608PZ.
FDC608PZ
CEC_POWER
DV POWER1
FDC608PZ..1
3
4 1
2
FDC608PZ
CEC_POWER
FDC608PZ
DA_POWER
NR1508 VCC DIAGRAM
46
Caution in
servicing
Electrical Mechanical Repair Information Updating

Other manuals for Marantz NR1508

Related product manuals