EasyManua.ls Logo

Marantz NR1508 - Wiring Diagram

Marantz NR1508
146 pages
Print Icon
To Next Page IconTo Next Page
To Next Page IconTo Next Page
To Previous Page IconTo Previous Page
To Previous Page IconTo Previous Page
Loading...
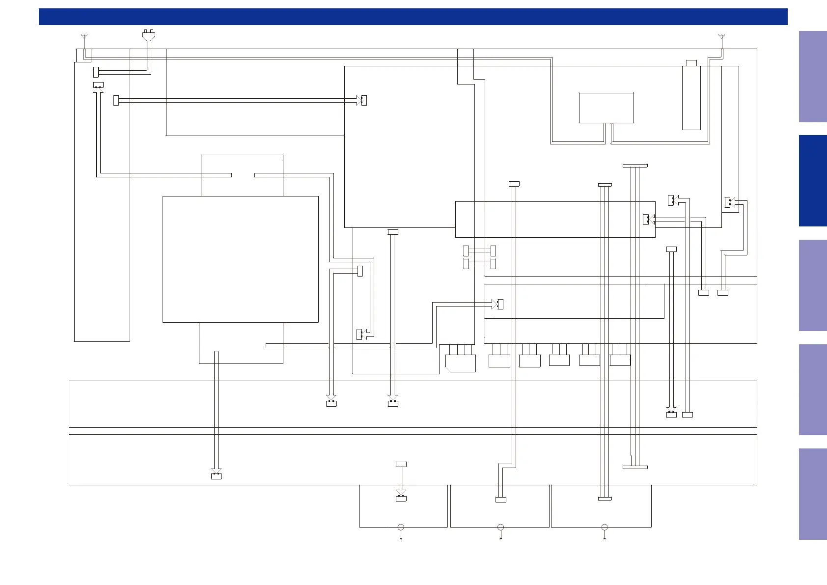
WIRING DIAGRAM
ANT_2 ANT_1
5P
SIDE CNT PCB
4P
4P (VIDEO)
7P
6P
PLATE PLATE
6P
7P
GBJ1006
40P
11P
8P
6P (P/T)
TUNER PACK
5P WIRE(AUDIO OUT)
13P (AUDIO IN)
AC CORD
PLATE
7908 7805 79057808 7805
2P
H/P+MIC PCB
8P WIRE(H/P)
S2 / S4 TAP
S1 TAP
5P WIRE
8P
REG-CNT PCB
23P CARD CABLE
WiFi_ANTENNA
LEGO
MODULE
40P
WiFi_ANTENNA
13P WIRE(RLY)
HDMI PCB
FRONT CNT PCB
AV PCB
8P WIRE(+/-B)
USB PCB
FRONT PCB
MAIN POWER TRANS
MAIN + SPK PCB
FRONT HDMI PCB
REG PCB
7CH AMP PCB
5P SHIELD WIRE
SMPS PCB
40P CARD CABLE
NR1508 WIRING BLOCK DIAGRAM
47
Caution in
servicing
Electrical Mechanical Repair Information Updating

Other manuals for Marantz NR1508

Related product manuals