EasyManua.ls Logo

Marantz NR1508 - Page 132

Marantz NR1508
146 pages
Print Icon
To Next Page IconTo Next Page
To Next Page IconTo Next Page
To Previous Page IconTo Previous Page
To Previous Page IconTo Previous Page
Loading...
g.08b
FR
FL
C
MAIN_R
MAIN_L
ATT
SW2
SR
SL
C
FL
TUNER
INVERTING
INVERTING
DA_SR
DA_SL
DA_C
DA_SW
DA_FR
DA_FL
SL
SR
FL
FR
SW1
FR
H/P-R
H/P-L
ALL MODEL : FM/AM
CD_R
CBL_R
CD_L
LEGO_AD_R
MIC(Mini Jack)
CBL_L
7-INPUT/3-OUT
NJU72750
BUFFER
MAIN_AD_R
MAIN_AD_L
LEGO_AD_L
BUFFER
8-CH VOLUME
NJU72343
2.2ch PREOUT
SPK OUT
Media Player_R
TO DIGITAL AUDIO BLOCK
TO DIGITAL AUDIO BLOCK
Media Player_L
HEADPHONE OUT
DA-FL
DA-C
DA-SW
DA-SL
LEGO_L
MIC
SR
SL
C
FR
FL
ADIN_R
ADIN_L
TUNER_L
TUNER_R
DA-FR
DA-SR
LEGO_R
PRE-FL
PRE-FR
OutD
InH2
InH1
InG2
InG1
InF
InE
InD
InC
InB2
InA2
OutH
OutG
OutF
OutE
OutC
InA1 OutA
InB1 OutB
Control Logic
8-CH VOLUME
NJU72343
OutB3
OutA2
OutA1
OutB2
OutB1
OutA3
InB6
InB5
InB2
InB1
InA7
InA4
InA3
InB4
InB7
InB3
InA5
InA6
InA1
InA2
7-INPUT/3-OUTPUT
NJU72750
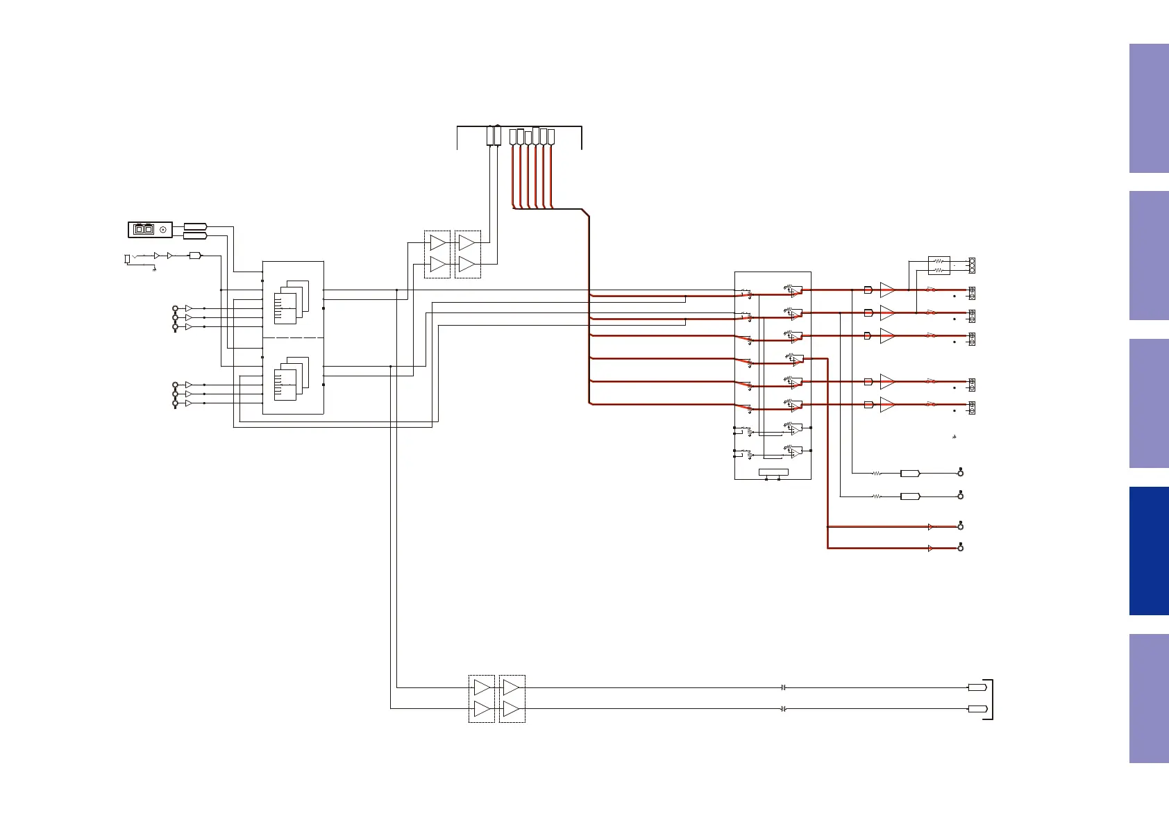
NR1508 ANALOG AUDIO DIAGRAM
132
Caution in
servicing
Electrical Mechanical Repair Information Updating

Other manuals for Marantz NR1508

Related product manuals