EasyManua.ls Logo

Marantz NR1508 - Page 28

Marantz NR1508
146 pages
Print Icon
To Next Page IconTo Next Page
To Next Page IconTo Next Page
To Previous Page IconTo Previous Page
To Previous Page IconTo Previous Page
Loading...
SCH19_AMP1
ANALOG AUDIO DIGITAL AUDIO TMDS SIGNAL VIDEO SIGNAL
GND LINE
POWER- LINE
POWER+ LINE
COMPONENT (Y)
SBR
AGND
SBL
FR
SR
C
SL
FL
SR
SL
SR
SL
AGNDAGND
AGND
AGND
AGND
AGND
AGND
AGND
AGND
AGND
D4803 OPEN
+HIGHB
-HIGHB
SR
DC_DET4
TR_THERMAL
ASO
DC_DET3
FR
FL
C
FL
C
FR
SPK_SMPS 1/2 O5
AGND
AGND
AGND
AGND
AGND
AGND
D4815 OPEN D4810 OPEN
47/25_KOSHINC4806
+HIGHB
HIGHGND
-HIGHB
C4830 330/6.3(6.3*11)
SPK_SMPS 1/2 A3
AV 1/3 O3
C4843
OPEN
5K6(1)
R4846
OPEN
C4817
100N-K
C4800
C4801
10N-K
ASO_DET
DC_DET4
DC_DET3
TR_THERMAL
ASO_DET
DC_DET3
THERMALDETE
* PTC OPTION
PREGND
HIGHGND
HIGHGND
-HIGHR
-HIGHB
+HIGHB
SBL_IN
SBR_IN
SR_IN
SL_IN
FL_IN
470P-500V
C4844
47/50 (R
A3)
C4841
470P-500V
C4825
47/50 (RA3)
C4822
C4810
470P-500V
R4917
1K
ZJ5.1A
ZD4806
R4871
1K
R4850
100K
100K
R4807
ZJ5.1A
ZD4800
2N2-K
C4845
150
R4930
270
R4931
100P-J
C4838
KTA1024Y
Q4820
R4895
1K2
2N2-K
C4826
150
R4886
R4887
270
Q4810
KTA1024Y
R4851
JUMPER
R4839
150
100P-J
C4804
JUMPER
R4808
1K2
R4802
R4927
220
R4883
220
C4823
100/50_KOSHIN
100/50_KOSHIN
C4808
D4802 OPEN
R4933
47(1)
Q4828
KTC3206Y
KTC3206Y
Q4819
47(1)
R4842
220K
R4923
560
R4924
220K
R4909
2K7
R4910
R4832
220K
R4833
560
R4818
220K
R4819
2K7
OPEN
R4919
R4896
5K6(1)
R4898
5K6(1)
47/25_KOSHIN
C4821
R4875
OPEN
R4806
5K6(1)
R4803
5K6(1)
22(1)
R4929
C4837
OPEN
C4827
OPEN
22(1)
R4885
22(1)
R4857
C4812
OPEN
R4813
22(1)
C4848
OPEN
R4912
0R22(2)
R4913
O
PEN
OPEN
C4829
0R22(2)
R4864
OPEN
R4865
0R22(2)
R4876
OPEN
R4877
OPEN
C4814
0R22(2)
R4829 R4830
OPEN
R4903
10K
10K
R4904
21
TP4804
21
TP4802
10K
R4811
R4812
10K
R4911
10K
R4914
5K6
C4835
100N-K
R4866
5K6
100N-K
C4815
270K
R4859
R4815
270K
R4820
10K
C
KSA992F
Q4803
R4817
22K
-HIGHR
HIGHGND
SL
RADI_THERMAL
R5098
0
DC_DET4
R4874
-HIGHB
+HIGHB
SBL_IN
SBR_IN
SL_IN
SR_IN
C_IN
FR_IN
47/50 (RA3)
C4807
R4899
100K
ZJ5.1A
ZD4803
R4826
1K
R4900
JUMPER
100P-J
C4819
1K2
R4845
2N2-K
C4811
KTA1024Y
Q4800
R4840
270
C4842
100/50_KOSHIN
D4814 OPEN D4809 OPEN
R4836
220
R4889
47(1)
Q4809
KTC3206Y
220K
R4861
2K7
R4862
220K
R4879 R4880
560
47/25_KOSHIN
C4840
OPEN
R4828
C4846
OPEN
22(1)
R4905
OPEN
C4803
R4838
22
(1)
R4920
0R22(2)
R4921
OPEN
0R22(2)
R4821
OPEN
R4822
10K
R4855
R4856
10K
21
TP4800
270K
R4907
R4863
10K
R4823
5K6
Q4811
KSA992F
R4847
33(1)
R4890 1K5
C4831 330/6.3(6.3*11)
C4834 OPEN
R4891 10K
R4892 10K
BKT4800
R4868
OPEN
74 5 62 31 8
CP4802
YMW025-08R
1235 4
YMW025-05R
CP4800
HDMI B'D 18/21_K9
PAGE 2
AMP B'D 2/2_A1
1K2(1)
R4932
470K
R4925 R4926
33K
C_IN
C4824
OPEN
47/50_KOSHINC4816
R4908 22K
R4902 47K
TR_THERMAL
22KR4858
R4814 22K
R4805
56K
NR1508
PRF18BG471QB5RB-65T
NR1608 PRF18BF471QB5RB-75T
Q4825
KSA992F
1K2
R4916
R4894
100K
R4881
470K
R4882
33K
Q4816
KSA992F
1K2
R4870
AGND
1K2(1)
R4841
R4834
470K
R4835
33K
100K
R4801
3K3(1)
R4922
R4928
220
220P-100V
C4839
Q4824
KTC3964
R4918
33K
47/50_KOSHINC
4836
R4893
1K8
R4884
220
R4872
33K
1
2
3
C. W.
VR4801
1K(B)-V
5K6(1)
R4849
C4809
OPEN
3K3(1)
R4831
220P-100V
C4805
1K8
R4800
C4847
OPEN
OPEN
D4816
Q4827
2SB1560
D4813
OPEN
ZD4807
OPEN
680K
R4901
C4828
OPEN
OPEN
D4806
OPEN
ZD4805
KDS160
D4805
680K
R4852
C4813
OPEN
OPEN
D4804
ZD4802
OPEN
KDS160
D4800
2SD2390
Q4802
ZD4801
OPEN
KST5551MTF
Q4823
R4906 22K
OPEN
R4915
KST5401MTF
Q4821
FR
R4867
OPEN
C4818
100/100(10*16)
Q4812
KST5401MTF
100(1)
R4853
47KR4854
22KR4860
Q4804
KST5551MTF
R4810 47K
R4816 22K
PAGE 2
AMP B'D 2/2_M1
R4873
OPEN
R4874
PRF18BF471QB5RB-75T
MP
RADI_THERMAL
4 3 126 578910111213
CP4801
R4888
1K2(1)
R4844
100K
Q4806
KSA992F
R4825
1K2
1
2
3
C. W.
VR4802
1K(B)-V
220P-100V
C4820
Q4815
KTC3964
R4843
1K8
R487
8
3K3(1)
47/50_KOSHINC4802
Q4805
KTC3964
R4827
33K
R4837
220
1
2
3
C. W.
VR4800
1K(B)-V
KDS160
D4812
Q4822
2SD2390
OPEN
ZD4808
OPEN
D4811
Q4813
2SD2390
Q4818
2SB1560
OPEN
ZD4804
OPEN
D4801
Q4808
2SB1560
680K
R4809
KST5551MTF
Q4814
FL
KST5401MTF
Q4801
R4824
OPEN
C4832 22/16
C4833 OPEN
R4869
OPEN
KSA992F
Q4826
R4897
PRF18BC471QB5RB
KSA992F
Q4817
PRF18BC471QB5RB
R4848
PRF18BC471QB5RB
R4804
NR1608, NR1508 AMP B'D 1/2
KSA992F
Q4807
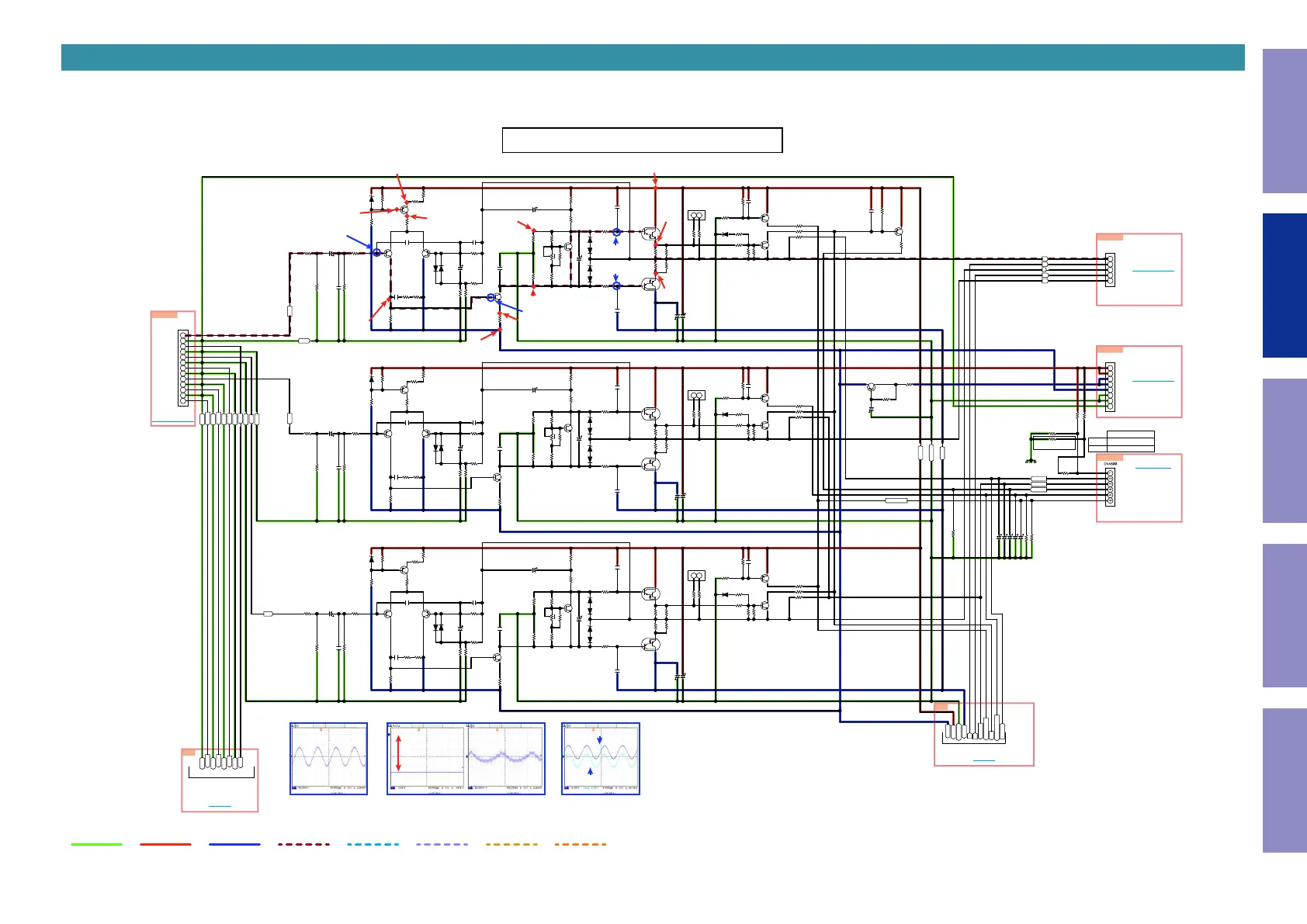
7CH_AMP 1/2
REF : 4800-5199
1.1V
44V
0V
0V
-41.5V
-1.1V
-42V
0.6V
39.6V
39.1V
-41V
Point A Point B Point C
Point A
Point B
Point C1
Point C2
Voltage A
Measurement condition
Voltage measurement
No signal
Waveform measurement
INPUT: 200mVrms / 1KHz (ANALOG)
Surround mode: MCh Stereo
VOL: 70
Speaker load: 8ohms
DC mode AC mode
Point C1
Point C2
Voltage A
E2
TO 2E
E3
TO 3E
CN4800
TO N1006
CP4800
TO CN4000
CP4802
TO CN4005
CP4801
TO CN5203
28
Caution in
servicing
Electrical Mechanical Repair Information Updating

Other manuals for Marantz NR1508

Related product manuals