EasyManua.ls Logo

Marantz NR1508 - Page 32

Marantz NR1508
146 pages
Print Icon
To Next Page IconTo Next Page
To Next Page IconTo Next Page
To Previous Page IconTo Previous Page
To Previous Page IconTo Previous Page
Loading...
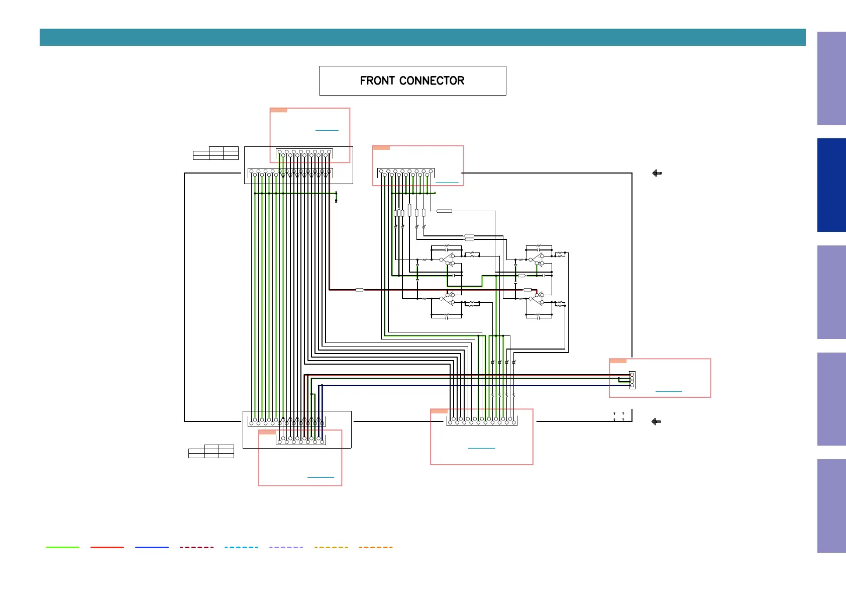
SCH23_FRONT CNT
ANALOG AUDIO DIGITAL AUDIO TMDS SIGNAL VIDEO SIGNAL
GND LINE
POWER- LINE
POWER+ LINE
COMPONENT (Y)
COMP_Y
COMP_CB
COMP_CR
COMP_DET
CVBS
V IN B
AMPSIG_DET
RLY_H/P
RLY_SB
RLY_F
H/P_R
H/P_L
A_FL
AD_IN_L
A_FR
AD_IN_R
AGND
AGND
AGND
AGND
AMPSIGDET
RLY_H/P
RLY_S/C
H/P_R
H/P_L
AGND
AGND
AGND
AGND
LEGO_FL
VDIPY
VDICB
VDICR
COMP_DET
CVBS
COMPONENT SW2 COMPONENT SW2
V IN B
COMPONENT SW1 COMPONENT SW1
V+5V
VAGND
VAGND
V-5V
V-5V
C5288 10/50
C5285 10/50
AD_VDCOM
OPEN
OPEN
NR1508
INSERT
NR1608
C5297 470P-J
VIDEO_GND
VIDEO_GND
VIDEO+5V
INSERT
NR1508
INSERT OPEN
D/MGND
D/MGND
D/MGND
D/MGND
D/MGND
V IN C
V IN A
RLY_HIB
RLY_C/S
DA_+5V
CLP4600
H/P_GND
AGND
AGND
AD_VCOM
R5364
100
C5286
OPEN
R5367
100
LEGO_FR
LEGO_FL
CURRENT_DET
RLY_HIB
RLY_SB
C5292
4.7UF-K
AV 1/3 K1
RLY_F
H/P_GND
H/P_GND
AD_IN_R
R5363
33K
12K
R5372
LEGO_FR
AD_IN_L
C5294
OPEN
C5298
OPEN
R5368 3K3
5
6
8
7
U5204:B
NJM2115MTE1
C5296
4.7UF-K
R5377 3K3
R5373
33K
R5376
12K
12K
R5378
CLP4603 CLP4604
CLP4606 CLP4607
VIDEO-5V
TO HDMI
D/MGND
D/MGND
D/MGND
D/MGND
D/MGND
V IN C
V IN A
V+5V
CURRENT_DET
AGND
10/50C5248
10/50
C5276
LE_FR
LE_FL
LEGO_VCOM
C5300 10/50100R5382
R5369
33K
C5289 10/50
C5295 10/50
C5299 10/50
R5379 100
R5380 100
R5381 100
C5293 470P-J
R5375
33K
TO AV B'D
INSERTCP4611_21P
* MODEL OPTION
CP4613_23P
DA+5V
C5291 470P-J
LEGO_R
DA+5
V
AGND
OPENCP4612_13P
NR1608
CP4617_15P
* MODEL OPTION
53
1
121086
42
11
13
7 9
CP4612
C125Z1-13
BKT4143
HDMI DIGITAL CNT E8
R5365 3K3
R5370
12K
5
6
8
7
U5206:B
NJM2115MTE1
C5290
OPEN
R5371 3K3
LEGO_L
LEGO_VDCOM
CLP4602
1513
119
1086
42
5 71 3
12 14
CP4616
C125Z1-15
R5366
100
R5374
100
AV 2/3 M4
1513119
108642
5 71 3
12 14
CP4617
C125Z1-15
C5287 470P-J
3
2
4
1
U5206:A
NJM2115MTE1
3
2
4
1
U5204:A
NJM2115MTE1
1 2 3 4
CP4615
SC52136-041A
MP
SMPS_REG_RC5_FCNT 2/4 B3
232119171513
11
9
10864
2
1 3 5 7
16 18 20 2212 14
CP4613
C125Z1-23
531
2018161412
10
8642
15
17 19 217 9 11 13
CP4611
C125Z1-21
19171513119
10864
2
7
1 3 5
14 16
18
12
CP4614
C125Z1-19
SMPS_REG_FCNT 3/3
CP4617
TO N1005
CP4616
TO N1007
CP4614
TO CN5200
CP4612
TO CN5205
CP4615
TO CN4607
32
Caution in
servicing
Electrical Mechanical Repair Information Updating

Other manuals for Marantz NR1508

Related product manuals