EasyManua.ls Logo

Marantz NR1609 - Page 136

Marantz NR1609
163 pages
Print Icon
To Next Page IconTo Next Page
To Next Page IconTo Next Page
To Previous Page IconTo Previous Page
To Previous Page IconTo Previous Page
Loading...
g.A02b
SBR
SBL
SR
SL
C
FR
FL
ATT
SW2
SW1
SR
SL
FR
C
FL
DVD_R
SAT_R
CD_R
PHONO_R
CD_L
BUFFER
ZONE2_R
LEGO_L
MAIN_L
DA_SBR
ZONE2_R
DA_SBL
ZONE2_L
DA_SR
DA_SL
DA_SW
DA_C
MAIN_R
MAIN_L
Z2R
Z2L
TUNER
DVD_L
SAT_L
PHONO_R
BUFFER
MAIN_R
LEGO_R
ZONE2_L
BUFFER
av sch
BUFFER
av sch
FCNT sch
GAIN
DA_FR
DA_FL
FR
FL
H/P-R
H/P-L
SPK OUT
ALL MODEL : FM/AM
SBR(FR-B/FR-H/BI-AMP/ZONE)
SBL(FL-B/FL-H/BI-AMP/ZONE)
BUFFER
BUFFER
INVERTING
INVERTING
FCNT sch
BD3812F
2.2ch PREOUT
MIC(Mini Jack)
OUT1
OUT2
IN1
IN2
8-CH VOLUME
NJU72343
ZONE2 OUT
OutD
InH2
InH1
InG2
InG1
InF
InE
InD
InC
InB2
InA2
OutH
OutG
OutF
OutE
OutC
InA1 OutA
InB1 OutB
Control Logic
8-CH VOLUME
NJU72343
7-INPUT/3-OUT
NJU72750
TO DIGITAL AUDIO BLOCK
HEADPHONE OUT
OutB3
OutA2
OutA1
OutB2
OutB1
OutA3
InB6
InB5
InB2
InB1
InA7
InA4
InA3
InB4
InB7
InB3
InA5
InA6
InA1
InA2
7-INPUT/3-OUTPUT
NJU72750
OutB3
OutA2
OutA1
OutB2
OutB1
OutA3
InB6
InB5
InB2
InB1
InA7
InA4
InA3
InB4
InB7
InB3
InA5
InA6
InA1
InA2
7-INPUT/3-OUTPUT
NJU72750
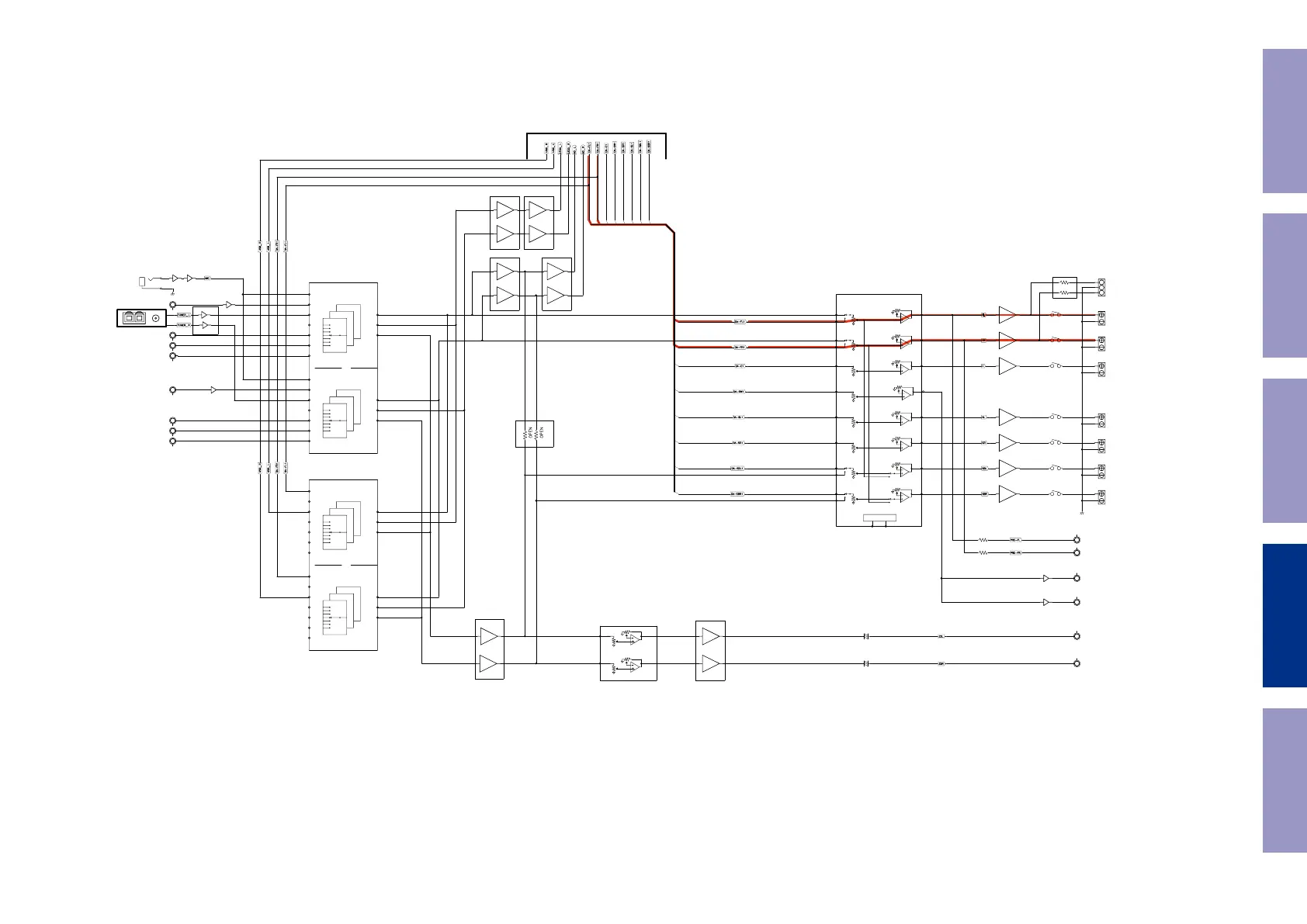
NR1609 ANALOG AUDIO DIAGRAM
Before Servicing
This Unit
Electrical Mechanical Repair Information Updating
136

Other manuals for Marantz NR1609

Related product manuals