EasyManua.ls Logo

Marantz NR1609 - Page 31

Marantz NR1609
163 pages
Print Icon
To Next Page IconTo Next Page
To Next Page IconTo Next Page
To Previous Page IconTo Previous Page
To Previous Page IconTo Previous Page
Loading...
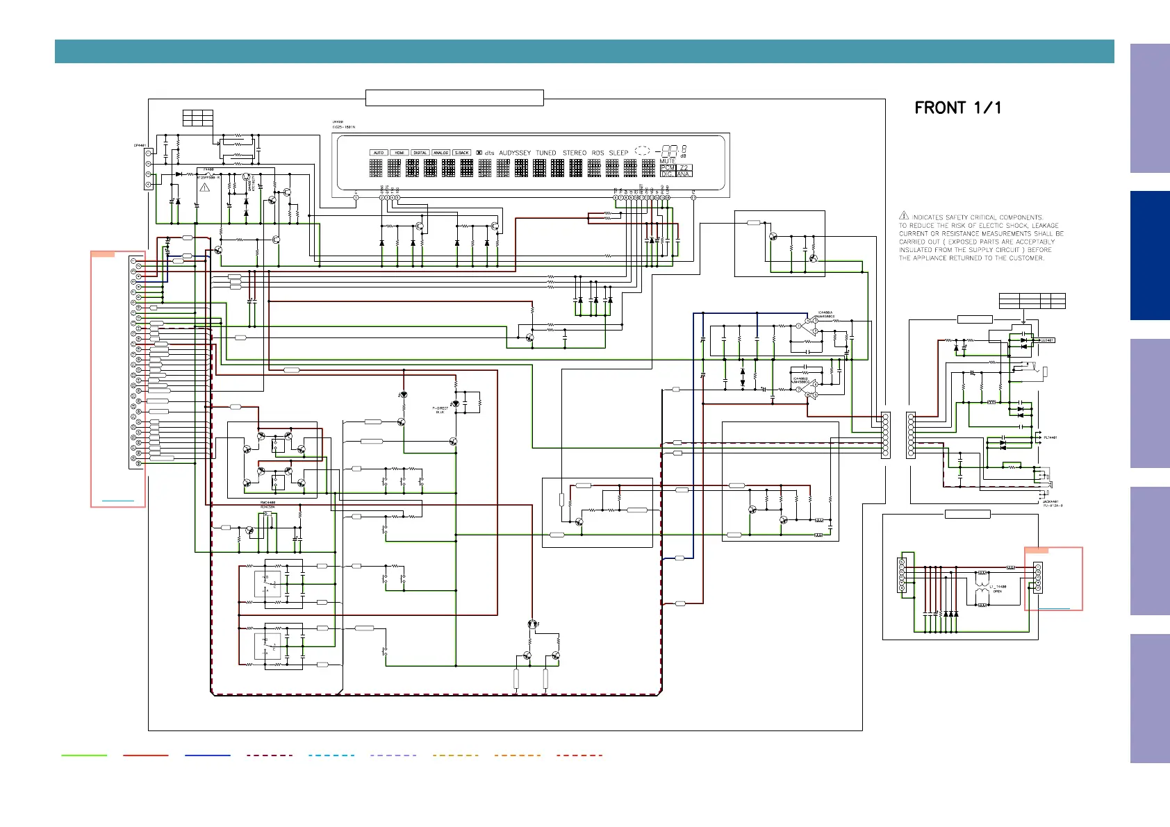
SCH23_FRONT
CMPONENT(Y)
ANALOG AUDIO DIGITAL AUDIO
TMDS SIGNAL
VIDEO SIGNAL
GND LINE
POWER- LINE
POWER+ LINE
STBY POWER
KEY2
NC
NC
NC
FLCE1
FLCLK
H/PL
MIC
A-7V
M3.3V
KEY3
ISELB
KEY1
H/PR
VGND
A+7V
MASTER VOL.
ENCODER
S.BY_G_LED
H/P
SOURCE SEL.
ENCODER
C4418 1/50
C4429
OPEN
C4430 100N-K
C4431 100N-K
D4406 OPEN
D4408 OPEN
C4440 OPEN
C4442
220/6.3(8*5)
D4409 CDS3C05HDMI1
D4411 CDS3C15GTA
NET_FACT_RESET
VSELA
ISELA
P-DIRECTLED
CPU_POWER2
FLRST
POWERKEY
FRONT_IRIN
H/PGND
MICGND
MICGND
MICGND
MICGND
SWM3.3V
VSELA
ISELA
KEY2
P_DIRECTLED
CPU_POWER2
FLRST
FLCE1
FLCLK
POWERKEY
FIRIN
H/PL
MIC
OPEN
OPEN
FIL1
OPEN
FIL2
A+7V
1R2 1R2N/F/K
R4403
FIRIN
M3.3V
FLRST
FLCLK
R4404 OPEN
R4403 0
R4410 0
R4409 OPEN
R
4411 100
R4414 100
M-DAX
C4417
10N-K
C4416
10N-K
KEY3
KEY2
KEY1
SOUND MODE
STATUS
ZONE2 ON/OFF DISPLAY PURE DIRECT
GRN
RED
(¥Õ 3.0)
D/MGND
R4460 0
R4436 100
SWM3.3V
R4465
10K
A+7V
A-7V
MIC
100P-J
C4434
C4456
1/50
SWM3.3V
47N-K
C4436
R4448
OPEN
MICDET
47N-K
C4457
0
BD4405
+DATA
VBUS
H/PGND
H/PDET
MIC
+7V
100R4456
OPEN
C4458
LBAS16HT1G
GND
+DATA
VBUS
1P WIRE
D/MGND
VSELB
H/P_DET/MIC_DET
GRNLED
M-DAX_LED
FLDATA
RED_LED
SWM5V
H/PGND
D/MGND
VSELB
ISELB
KEY3
KEY1
HP/MIC_DET
M-DAXLED
FLDATA
S.BY_R_LED
S.BY_G_LED
H/PR
H/PGND
SWM5V
Vkk
100N-K
C4403
100N-K
C4402
A-7V
C4408
100/63
ZD4400
ZJ6.8B
D
4400
1N4007
4R7(1)
R4402
U 0 0
100
R4400
OPEN
R4417
FLDATA
FLCE1
Q4413
RT1N241C
R4488
10K
1/50
C4411
R4416
4K7
4K7
R4415
R4413 100
R4412 100
SW4408 SW4405
C4409
100N-K
22K
R4496
Q4411
RT1N141C
R4501
OPEN(1W)
R4500
27K(1W)
C4454
10N-K
C4453
10N-K
100N-K
C4420
Q4419
RT1N141C
Q4421
RT1N141C
5.1(1W)
R4502
STBY
SW4403
100
R4423
SW4402
SW4406
SW4401
SW4404
SW4400
R4424
1K
R4420
100K
100
R4419
SW4407
RED
39K
R4425
C4423
OPEN
R4429
100K
R4428
100
R4431
39K
S.BY_R_LED
R4438 OPEN
R4437 100
R4435 100
R4457
3K9
H/PL
H/PR
R4443 10
C4455
1/50
ZJ5.1B
ZD4404
R4471
47K
MIC DET
Q4416
RT1N141C
R4462
OPEN
R4461
4K7
R4446
100
R4473
OPEN
C4459
100N-K
0
BD4403
R4467
100
R4463
4K7
R4469
10K
C4447 33P-J
R4451
100
1K
R4449
Q4418
OPEN
R4472
OPEN
C4439
100P-J
GND
-DATA
MICGND
H/PL
H/PR
MICDET
560
R4453
BD4401
0
BD4400
0
BD4450
CB05YTYH221-2012
C4449
10/50(5*11)
2K2
R4454
C4452
100N-K
LBAS16HT1G
D4415
100N-K
C4460
D4416, D4417
OPEN
GND
-DATA
MIC
LUG401
OPEN
FROM TRANS UNIT
100
R4401
EC16B24T01D4ZZZ
R4487
220K
C4410
OPEN
100
R4422
R4421
100
Q4402
RT1N141C
MICDET
ZJ5.1B
ZD4405
100
R4470
Q4417
RT1N141C
USB_YS-UA-002-13
CP4402
ZJ5.1B
ZD4406
R4459
OPEN
R4474 100K
R4444
0
D4417
LBAS16HT1G
TO DIGITAL UNIT
EC16B12SAAD4ZZZ
100P-JC4427
100P-JC4426
100P-JC4425
D4407 OPEN
74 5 62 31 8
CP4403
SC52137-081A
C4441 100N-K
D4410 CDS3C05HDMI1
R4452 2K2
NET_FACT_RST
M3.3V
C4401
10/16(3*5)
C4404
10/50
Vkk GND
VSELB
C4415
470P
-J
C4414
470P-J
VSELA
ISELB
INTERNET RADIO
FACTORY_RESET
SWM3.3V
F500mAL/125V
R4410
POWERKEY
ZONE2_SELECT
M-DAX
MIC & HP DET SECTION
HP/MIC_DET
R4440 OPEN
D/MGND
H/PDET
HP DET
C4437 33P-J
R4445
47K
R4447
33K
100NNR1609 N1SG
FROM
DIGITAL_CNT
C4400
10/16(3*5)
VEC4401
ISELA
C4413
470P-J
R4407
4K7
C4412
470P-J
4K7
R4406
C4419
100/10
R4418
100
RT1P141C
Q4401
Q4423
RT1N141C
Q4420
RT1P441C
Q4424
RT1N141C
Q4425
RT1P441C
C4407
10/50
2SC3052
Q4409
ZD4401
ZJ22B
ZD4402
ZJ15B
P_DIRECTLED
Q4404
RT1N141C
M-DAXLED
BZ-BB43V4V
LED4401
BL-BUF4V5K-1-HS-NP-AV
LED4400
R4432
OPEN
D4403
OPEN
D4405
OPEN
OPEN
D4402
OPEN
D4404
Q4408
RT1N141C
Q4406
RT1N141C
R4433
390
R4439
300
R4464
3K3
Q4414
RT1N141C
C4424
10N-K
Q4407
RT1N441C
10R4442
R4441 39K
R4458
OPEN
R4468
10K
C4435
OPEN
C4445 33P-J
C4448
100N-K
USB B'D
1N-J
C4444
C4443
1N-J
100/10(6.3*5)
C4438
R4450
10K
BD4402
CB05YTYH221
LBAS16HT1G
D4412
LBAS16HT1G
D4413
C4451 100N-K
LBAS16HT1G
D4414
1
4
5
2
PJ-323A-4
JACK4400
LBAS16HT1G
D4416
OPENOTHERS
C4460
4K7
R4408
R4405
4K7
VEC4400
Q4422
RT1P441C
Q4426
RT1P441C
KTC1027Y
Q4412
R4426
150
150
R4427
R4430
220
2SC3052
Q4405
2SC3052
Q4403
LED4402
WEJ3290W-R2H0-BA
R4466
4K7
R4434
10K
ZD4403 OPEN
C4428 1000N-K
Q4415
RT1N141C
C4450
10/50
C4446
10/16(3*5)
R4455
100K
CN4401
390MM/5P
CP4400
1.0-11S-40PW
74 5 62 31 8
CN4400
90MM/8P
Mic, H/P B'D
NR1609 & NR1509 FRONT B`D
CN4401
TO N1008
CP4400
TO N1017
Before Servicing
This Unit
Electrical Mechanical Repair Information Updating
31

Other manuals for Marantz NR1609

Related product manuals