EasyManua.ls Logo

Marantz NR1609 - Page 32

Marantz NR1609
163 pages
Print Icon
To Next Page IconTo Next Page
To Next Page IconTo Next Page
To Previous Page IconTo Previous Page
To Previous Page IconTo Previous Page
Loading...
SCH24_AMP1
CMPONENT(Y)
ANALOG AUDIO DIGITAL AUDIO
TMDS SIGNAL
VIDEO SIGNAL
GND LINE
POWER- LINE
POWER+ LINE
STBY POWER
AGND
SBL_IN
SR_IN
AGND
D4803 OPEN
C4821 220/16 RA2
+HIGHB
SL
TR_THERMAL
DC_DET3
C
AGND
SBL_IN
SR_IN
AGND
AGND
C_IN
D4815 OPEN D4810 OPEN
220/16 RA2C4840
220/16 RA2C4806
+HIGHB
HIGHGND
-HIGHB
C4830 330/6.3(6.3*11)
C4834 OPEN
C4843
OPEN
5K6(1)
R4846
OPEN
C4817
100N-K
C4800
C4801
10N-K
SR
SL
SBR_IN
AGND
AGND
SL_IN
C_IN
FL_IN
470P-500V
C4844
47/50 (RA3)
C4841
470P-500V
C4825
47/50 (RA3)
C4822
C4810
470P-500V
R4917
1K
ZJ5.1A
ZD4806
R4871
1K
R4850
100K
100K
R4807
ZJ5.1A
ZD4800
150
R4930
2N2-K
C4845
270
R4931
100P-J
C4838
R4895
1K2
KTA1024Y
Q4820
2N2-K
C4826 R4887
270
150
R4886
Q4810
KTA1024Y
R4851
JUMPER
R4839
150
JUMPER
R4808
100P-J
C4804
1K2
R4802
R4927
220
R4883
220
C4823
100/50_PKR3
D4802 OPEN
100/50_PKR3
C4808
R4933
47(1)
Q4828
KTC3206Y
KTC3206Y
Q4819
47(1)
R4842
560
R4924
220K
R4923
2K7
R4910
220K
R4909
R4832
220K
R4833
560
R4818
220K
R4819
2K7
OPEN
R4919
R4896
5K6(1)
R4898
5K6(1)
R4875
OPEN
R4806
5K6(1)
R4803
5K6(1)
22(1)
R4929
C4837
OPEN
22(1)
R4885
C4827
OPEN
22(1)
R4857
C4812
OPEN
R4813
22(1)
R4913
OPEN
R4912
0R22(2)
OPEN
R4877
OPEN
R4865
0R22(2)
R4864
0R22(2)
R4876
10/100 PKR3
C4814
R4830
OPEN0R22(2)
R4829
10K
R4904
R4903
10K
21
TP4804
21
TP4802
R4812
10K
10K
R4811
R4911
10K
R4914
5K6
C4835
100N-K
R4866
5K6
270K
R4859
100N-K
C4815
R4815
270K
R4820
10K
C
R4817
22K
KSA992F
Q4803
-HIGHR
HIGHGND
-HIGHB
SR
DC_DET4
ASO
FL
FR
R5098
0
R4874
AGND
SBR_IN
SL_IN
AGND
FR_IN
AGND
47/50 (RA3)
C4807
R4899
100K
ZJ5.1A
ZD4803
R4826
1K
R4900
JUMPER
1K2
R4845
100P-J
C4819
2N2-K
C4811 R4840
270
KTA1024Y
Q4800
D4814 OPEN
C4842
100/50_PKR3
D4809 OPEN
R4836
220
R4889
47(1)
Q4809
KTC3206Y
220K
R4861
2K7
R4862
R4880
560220K
R4879
OPEN
R4828
C4846
OPEN
22(1)
R4905
R4838
22(1)
OPEN
C4803
10/100 PKR3
C4848
R4921
OPEN
R4920
0R22(2)
10/100_PKR3
C4829
OPEN
R4822
0R22(2)
R4821
R4856
10K
10K
R4855
21
TP4800
270K
R4907
R4863
10K
R4823
5K6
Q4811
KSA992F
R4847
33(1)
R4890 1K5
RADI_THERMAL
C4831 330/6.3(6.3*11)
R4891 10K
R4892 10K
C4833 OPEN
C4832 22/16
BKT4800
R4868
OPEN
74 5 62 31 8
CP4802
YMW025-08R
1235 4
YMW025-05R
CP4800
SPK_SMPS 1/2 O5
SPK_SMPS 1/2 A3
HDMI B'D 18/21_K9
1K2(1)
R4932
R4926
33K390K
R4925
C4824
OPEN
47/50_PKR3C4816
R4908 22K
R4902 47K
TR_THERMAL
22KR4858
R4814 22K
R4805
56K
ASO_DET
PRF18BG471QB5RB-65T
NR1509
PRF18BF471QB5RB-75TNR1609
AV 1/3 O3
Q4825
KSA992F
1K2
R4916
R4894
100K
R4882
33K
R4881
390K
Q4816
KSA992F
1K2
R4870
AGND
1K2(1)
R4841
R4835
33K
R4834
390K
100K
R4801
R4928
220
3K3(1)
R4922
220P-100V
C4839
R4918
33K
Q4824
KTC3964
R4893
1K8
47/50_PKR3C4836
R4884
220
R4872
33K
1
2
3
C. W.
VR4801
1K(B)-V
5K6(1)
R4849
C4809
OPEN
3K3(1)
R4831
220P-100V
C4805
1K8
R4800
Q4827
2SB1560
OPEN
D4816
ZD4807
OPEN
D4813
OPEN
680K
R4901
OPEN
D4806
OPEN
ZD4805
KDS160
D4805
680K
R4852
C4813
10/100 PKR3
ZD4802
OPEN
OPEN
D4804
2SD2390
Q4802
KDS160
D4800
ZD4801
OPEN
OPEN
R4915
R4906 22K
KST5551MTF
Q4823
KST5401MTF
Q4821
FR
R4867
OPEN
47KR485
4
22KR4860
C4818
100/100(10*16)
100(1)
R4853
Q4812
KST5401MTF
R4810 47K
R4816 22K
Q4804
KST5551MTF
PAGE 2
AMP B'D 2/2_M1
DC_DET3
DC_DET4
R4873
OPEN
R4874
PRF18BF471QB5RB-75T
MP
4 3 126 578910111213
CP4801
R4888
1K2(1)
R4844
100K
Q4806
KSA992F
R4825
1K2
1
2
3
C. W.
VR4802
1K(B)-V
R4878
3K3(1)
R4843
1K8
220P-100V
C4820
Q4815
KTC3964
R4827
33K
R4837
220
Q4805
KTC3964
1
2
3
C. W.
VR4800
1K(B)-V
47/50_PKR3C4802
C4847
10/100 PKR3
Q4822
2SD2390
KDS160
D4812
OPEN
ZD4808
10/100_PKR3
C4828
Q4813
2SD2390
Q4818
2SB1560
OPEN
ZD4804
OPEN
D4811
Q4808
2SB1560
680K
R4809
OPEN
D4801
KST5551MTF
Q4814
FL
R4824
OPEN
KST5401MTF
Q4801
R4869
OPEN
KSA992F
Q4826
R4897
PRF18BC471QB5RB
KSA992F
Q4817
PRF18BC471QB5RB
R4848
PRF18BC471QB5RB
R
4804
NR1609, NR1509 AMP B'D 1/2
PAGE 2
AMP B'D 2/2_A1
KSA992F
Q4807
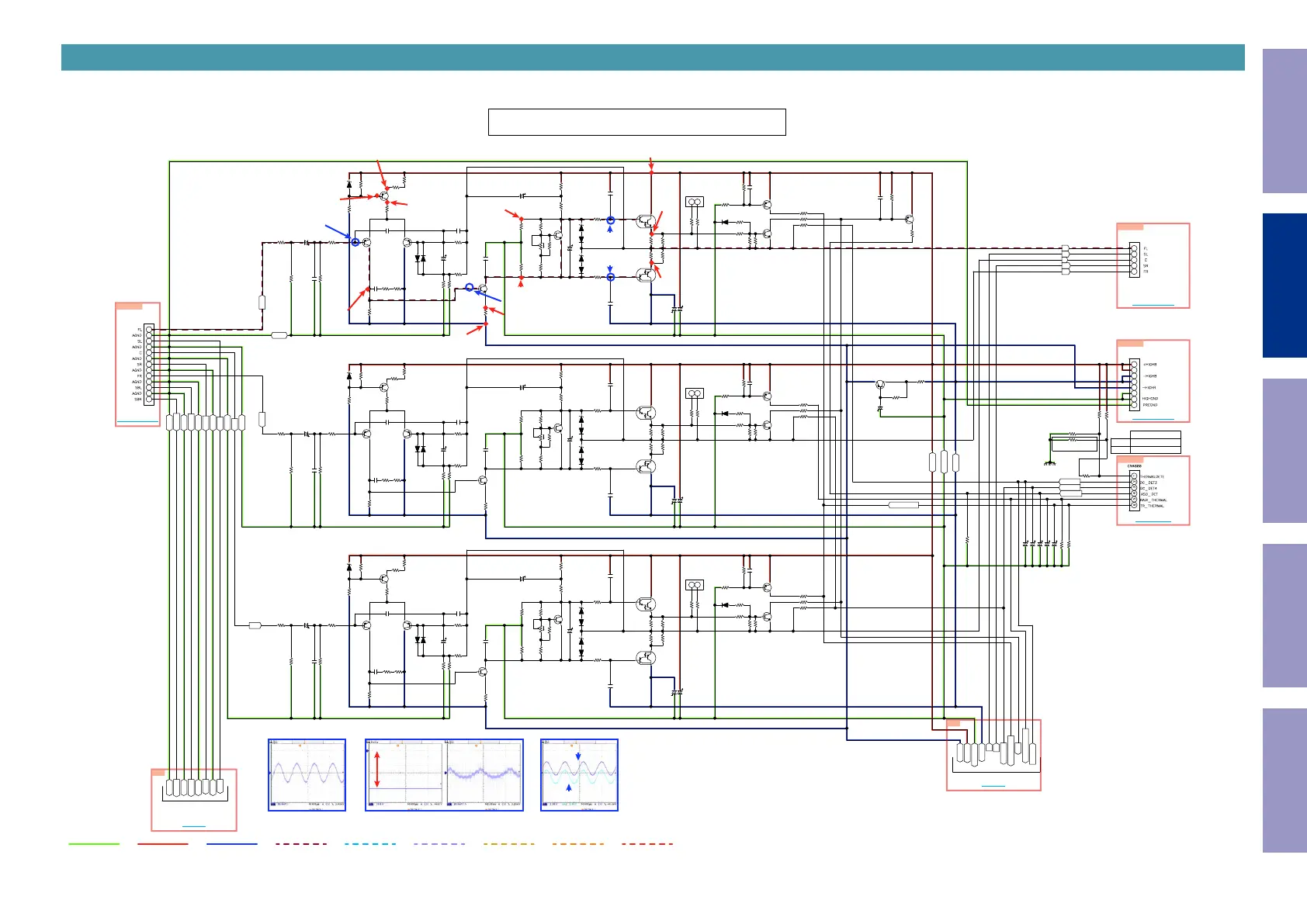
7CH_AMP 1/2
REF : 4800-5199
* PTC OPTION
1.1V
44V
0V
0V
-41.5V
-1.1V
-42V
0.6V
39.6V
39.1V
-41V
Point A Point B Point C
Point A
Point B
Point C1
Point C2
Voltage A
Measurement condition
Voltage measurement
No signal
Waveform measurement
INPUT: 200mVrms / 1KHz (ANALOG)
Surround mode: MCh Stereo
VOL: 70
Speaker load: 8ohms
DC mode AC mode
Point C1
Point C2
Voltage A
CN4800
TO N1019
CP4800
TO CN4000
CP4802
TO CN4005
CP4801
TO CN5203
G4
TO 4G
G5
TO 5G
Before Servicing
This Unit
Electrical Mechanical Repair Information Updating
32

Other manuals for Marantz NR1609

Related product manuals