EasyManua.ls Logo

Marantz NR1609 - Page 34

Marantz NR1609
163 pages
Print Icon
To Next Page IconTo Next Page
To Next Page IconTo Next Page
To Previous Page IconTo Previous Page
To Previous Page IconTo Previous Page
Loading...
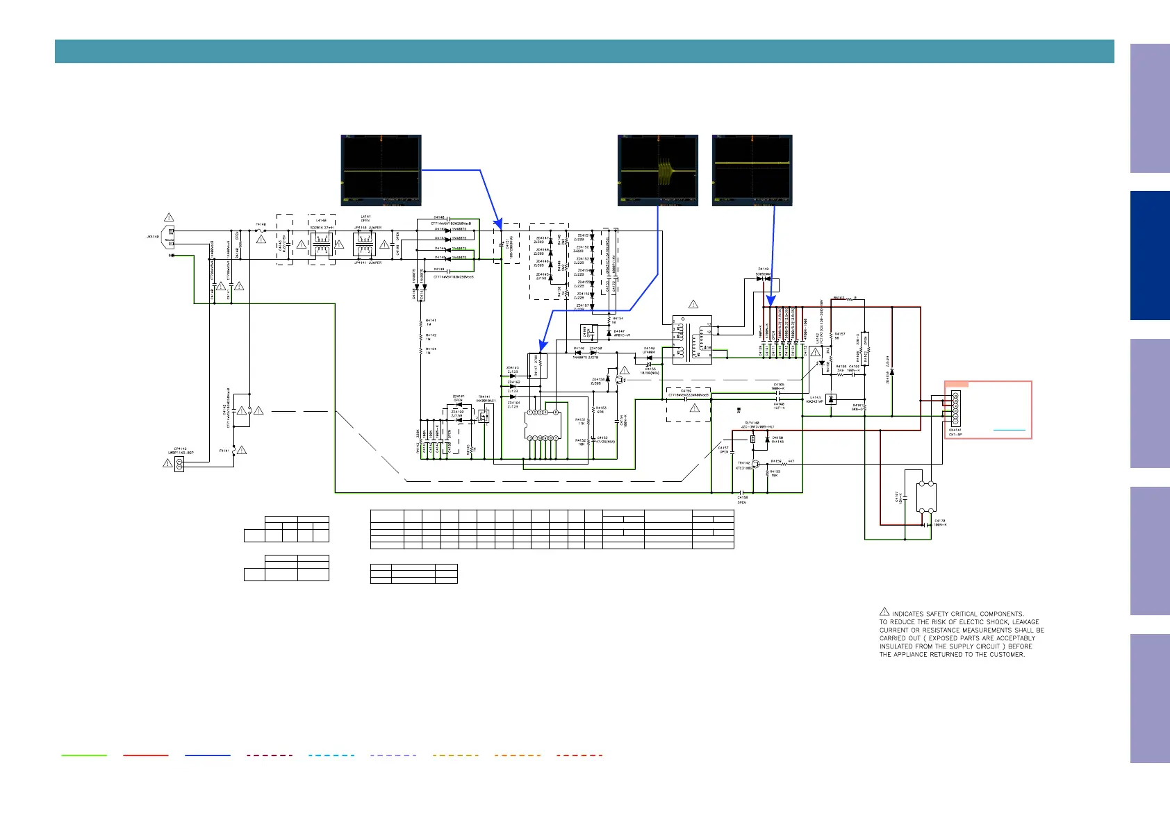
SCH26_SMPS
CMPONENT(Y)
ANALOG AUDIO DIGITAL AUDIO
TMDS SIGNAL
VIDEO SIGNAL
GND LINE
POWER- LINE
POWER+ LINE
STBY POWER
56K
1 3
FB
56K
270K
270K
2
U1B,FB
U1B,FB
N1SG, N1B,K1B
N1SG, N1B, K1B
*OPTION_2
K1B OPEN
OPTION
OPEN OPEN OPEN OPEN
OPTION
20K 100/400
OPTION
0.22/275V
NR1609
OPEN
NR1509
WHITE
BLACK
L4140
27mH
F4140
T2AL
L4140
50mH
F4140
T1.6AL
F4141
T3.15AL
NR1509
NR1609
N1B
U1B
* OPTION TABLE
OPEN
ZJ39B
ZJ39B
ZD4147
OPEN
ZJ39B
ZJ39B
ZD4149
OPEN
2M2 (5)
2M2 (5)
OPEN
R4148 R4149
OPTION
OPEN
1M (5)
1M (5)
R4150 R4147
OPTION
20K 100/400
10K 100/200
10K 100/200
C4151R4152
0.22/275V
0.22/275V
0.15/275V
C4143
C4156
OPEN
OPEN
OPEN
C4169
BKT4142
* LINE_FILTER OPTION
* FUSE OPTION
OPTION
C4153 C4172
ZJ15B OPEN OPEN
NR1509
OPTION_2
NR1609
OPTION
DGND
D5.2V
TO HDMI B'D
TO POWER TRANS
CHASSIS GND
BKT4141
NR1509
/1609
F4141
T6.3AL
NR1509
/1609
OPTION
OPEN 1000P/1KV
GRM31C7U3A102JW32L OPEN
ZJ15B OPEN
ZJ6.2B
ZJ7.5B
ZJ39B
ZJ39B
OPEN
ZJ15B
ZJ15B
ZD4160 ZD4148 ZD4165
0.1/275V
2M2 (5)
2M2 (5)
100P/1KV
DGND
D5.2V
¡Ü
¡Ü
¡Ü
¡Ü
EER2525
T4140
2
1 4
3
U4002
PST8448UR
GND
VDD
VOUT
CT
TOP268VG
IC_TOP268VG
U4140
S V
S
S
X
C
S
S
F
S D
CT710eV5V222M400VacB
MAINPOWER
CT710eV5V222M400VacB
CT710eV5V222M400VacB
CT710eV5V222M400VacB
RESETOUT
SMPS_REG_FCNT 1/3
SMPS B'D
MP
CN4141
TO N1033
Before Servicing
This Unit
Electrical Mechanical Repair Information Updating
34

Other manuals for Marantz NR1609

Related product manuals