EasyManua.ls Logo

Marantz NR1609 - Page 35

Marantz NR1609
163 pages
Print Icon
To Next Page IconTo Next Page
To Next Page IconTo Next Page
To Previous Page IconTo Previous Page
To Previous Page IconTo Previous Page
Loading...
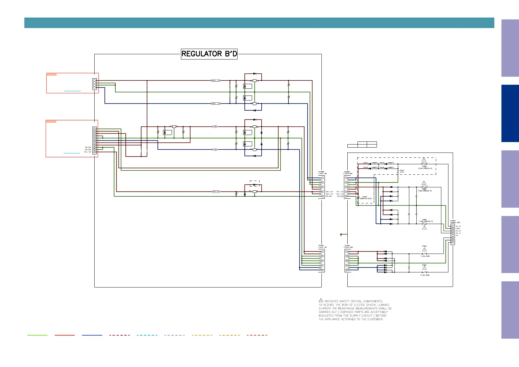
SCH27_REG
CMPONENT(Y)
ANALOG AUDIO DIGITAL AUDIO
TMDS SIGNAL
VIDEO SIGNAL
GND LINE
POWER- LINE
POWER+ LINE
STBY POWER
FROM TRANS
A+8V
AGND
TU +5V
RL GND
VIDEO_GND
VIDEO+5V
C4606
10/50
4700/16(16*25)
C4610
-8V_IN
AGND
AGND
AGND
+8V_IN
+5V_IN
VGND
-5V_IN
NR1509
D4614 UF4004
D4612 UF4004
A_GND
DA_+5V
RL +B
AGND
A-8V
VIDEO-5V
VIDEO_GND
JP4631
OPEN
C4600
470/50
R4601
OPEN
OPEN
R4600
1N4148
D4606
C4607
10/50
D4605
1N4148
1N4148
D4604
JUMPER
D4633
OPEN
ZD4600
D4609
OPEN
3300/16(12.5*25)
C4611
-8V_IN
AGND
AGND
+8V_IN
+5V_IN
VGND
-5V_IN
OPTION A OPEN
D4613 OPEN
D4615 OPEN
D4620 UF4004
D4622
UF4004
D4621 OPEN
D4623
OPEN
C4613
100N(M)-50V
F4604B
F4603B
AC_IN
AC_IN
3 1
2
U4600
KIA7805API
D4634
OPEN
1N4148
D4607
OPEN
ZD4601
D4608
OPEN
100N(M)-50V
C4612 C4615
OPEN
OPEN
C4614
-8V_IN
AGND
AGND
AGND
+8V_IN
+5V_IN
VGND
-5V_IN
F4603A
D4617 1N4007S
D4616 1N4007S
1N4007SD4625
D4624 1N4007S
NR1609
FRONT CONNENCTOR
(REG_CNT 3/4 M7)
JP4630
JUMPER
1 2 3 4
CN4607
CNT-4P
C4602
10/50
D4600
1N4148
2
3 1
U4608
OPEN
* OPTION A
D4611
OPEN
1
3 2
U4603
KIA7908PI
D4610
OPEN
13
2
U4604
KIA7805API
-8V_IN
AGND
AGND
+8V_IN
BKT4602
+5V_IN
VGND
-5V_IN
* MODEL OPTION
F4604A
D4618 1N4007S
D4619 1N4007S
D4626 1N4007S
INSERT
SIDE CONNENCTOR
(REG_CNT 2/4 B6)
CN4615
CNT-11P
C4648
OPEN
2
3 1
U4605
KIA7808API
1
3 2
U4602
KIA7905PI
D4627 1N4007S
MP
* OPTION A
4700/25(MHA)
C4608C4604
100/16 (KOSHIN)
C4609
4700/25(MHA)
C4605
100/16 (KOSHIN)
SMPS_REG_FCNT 2/3
CN4615
TO CP4617
_CN4607
TO CP4615
Before Servicing
This Unit
Electrical Mechanical Repair Information Updating
35

Other manuals for Marantz NR1609

Related product manuals