EasyManua.ls Logo

Marantz PS-17 - Page 14

Marantz PS-17
52 pages
Print Icon
To Next Page IconTo Next Page
To Next Page IconTo Next Page
To Previous Page IconTo Previous Page
To Previous Page IconTo Previous Page
Loading...
21 22
+
-
+
-
+
-
+
-
3
4
5
6
1
2
+
-
+
-
+
-
+
-
DGND
MCLK
CLATCH
CCLK
CDATA
AGND
FILTR
ZEROR
AVDD
FILTB
IDPM1
IDPM0
ZELOL
MUTE
LRCLK
BCLK
SDATA
DVDD
INT4X
INT2X
DEEMP
IREF
OUTL+
OUTL-
FCR
OUTR-
OUTR+
RST
DGND
MCLK
CLATCH
CCLK
CDATA
X2MCK
DEMP
F48/96
AGND
OUTR+
OUTR-
FILTR
ZEROR
AGND
OUTL-
OUTL+
AVDD
FILTB
IDPM1
IDPM0
ZELOL
MUTE
RST
LRCLK
BCLK
SDATA
DVDD
F256
-
+
-
+
-
+
-
+
1
2
3
4
1
2
3
4
5
6
7
CH31
CH33
RH63
RH65
RD01
RD02
RH29
RH43 RH41
RH45
RH47
RH49
RH51
RH53
RH55
RH57
RH05
RH31
RH37
RH39
RH33
RH35
RH69
RH67
RH01
RH59
RH61
RH07
RH03
QH01-1
QH01-2
CH32
CH34
RH64
RH66
RH30
RH44 RH42
RH46
RH48
RH50
RH52
RH54
RH56
RH58
RH06
RH32
RH38
RH40
RH34
RH70
RH68
RH02
RH60
RH62
RH08
RH04
QH02-1
QH02-2
RD03
RC05
RC11
RC09
RC06
RC12
RC10
RC42
RC17
RC18
RC01
RC07
RC02
RC08
RC03
RC19
RC04
RC20
RC13
RC14
JH01
RC25
RC31
RC29
RC26
RC32
RC30
RC41
RC37
RC38
RC21
RC27
RC22
RC28
RC23
RC39
RC24
RC40
RH21
RH25
RH13
RH17
RH23
RH27
RH15
RH19
RH22
RH26
RH14
RH18
RH24
RH28
RH16
RH20
RJ02
RJ04
RJ10
RJ12
RJ06
RJ08
RJ03
RJ01
RJ11
RJ09
RJ07
RJ05
RJ13
RJ14
RJ23
RJ22
RJ24
RJ27
RJ28
RJ15
RJ25
RJ16
RJ26
RJ21
QJ01-1
QJ01-2
QJ02-1
QJ02-2
RJ17
RJ18
RC15 RC16
LD01
LD05
LD02
LD06
CR71
CR72
CK50
CK49
LK42
LK41
CK58
CK57
LK44
LK43
CR70
CR75
CR76
CR73
CR74
QC04
QC24
QH03
QH04
QH05
QH06
QH23
QH24
QH13
QH21
QH19
QH20
QH22
QH14
QC07
JH04
JR10
RH09
RH11
RH12
RH10
RH85
RH86
RH87
RH88
RC81RC73
QC17
RC74
RC75
RC76
QC01
QC02
QC05
QC06
QC09 QC10
QC11
QC12
QC21
QC22
QC25
QC26
CD25
CD17
CD21
CD13
CD09
CD05
CD01
LD09
QD01
CD29
CH21
CH09
CH13
CH15
CH17
CH19
CH37
CH35
CH23
CH25
CH11
CH27
CH29
CH22
CH10
CH14
CH16
CH18
CH20
CH38
CH36
CH24
CH26
CH12
CH28
CH30
QD02
CD26
CD18
CD22
CD14
CD10
CD06
CD02
LD10
QH27-1
CC01
CC07
CC09
QH27-2
CC02
CC08
CC10
CC05
CC06
CC03
CC04
CC11
CC12
QC23-1
CC21
CC27
CC29
QC23-2
CC22
CC28
CC30
CC25
CC26
CC23
CC24
CC31
CC32
CJ06
CJ08
CJ02
CJ04
CJ21
CJ07
CJ05
CJ03
CJ01
CJ11
CJ12
CJ22
CJ18
CJ17
CJ19
CJ20
CJ15
CJ16
CJ23
CJ25
CJ26
CR51CR58
CR52CR59
CK52
CK51
CK60
CK59
CR50CR57
CH39
CH40
JH02
CR55CR68
CR56CR69
JH03
CR53CR60
CR54CR61
QH15
QH17
QH11
QH12
QH16
QH18
QH07
QH08
QH09
QH10
QH25
QH26
CH51
CH52
LR50
LR51
LR52
LR53
LR58
LR56
LR57
CJ27
CJ28
CH41
CH42
CH43
CH44
DH01
DH06
DH02
DH04
DH03
DH05
CJ24
CK75
CK76
CH01
CH03
CH02
CH04
CH45
CH47
DD01
RH89
CH46
CH48
RH36
RH90
DD02
CJ09
CJ13
CJ10
CJ14
CC33
CC13
470/25V
470/25V
47
47
2.7K
390
3.3K
120 120
68
22
22
33K
1K
1K
100
10K
3.3K
2.2K
2.2K
2.2K
2.2K
47K
560
10K
47
47
10K
10K
NJM2082D
NJM2082D
470/25V
470/25V
47
47
3.3K
120 120
68
22
22
33K
1K
1K
100
10K
3.3K
2.2K
2.2K
2.2K
47K
560
10K
47
47
10K
10K
NJM2082D
NJM2082D
390
10K
47K
100
10K
47K
100
1M
2.2K
2.2K
5.6K
10K
5.6K
10K
4.7K
2.2K
4.7K
2.2K
12K
12K
B6B-EH
10K
47K
100
10K
47K
100
1M
2.2K
2.2K
4.7K
10K
4.7K
10K
4.7K
2.2K
4.7K
2.2K
47
47
47
47
47
47
47
47
47
47
47
47
47
47
47
47
2.2K
2.2K
2.2K
2.2K
2.2K
2.2K
2.2K
2.2K
2.2K
2.2K
2.2K
2.2K
2.2K
2.2K
10K
180K
10K
47K
47K
12K
560
12K
560
180K
NJM2068M
NJM2068M
NJM2068M
NJM2068M
15K
15K
1.2K 1.2K
*
*
*
*
100/10V
100/10V
220/16V
220/16V
*
*
220/16V
220/16V
*
*
100/10V
220/16V
220/16V
220/16V
220/16V
DTA114EU
DTA114EU
2SK170
BL
2SK170
BL
2SK170
BL
2SK170
BL
2SK170
BL
2SK170
BL
2SC2240
2SC2240
2SC2240
2SC2240
2SC2240
2SC2240
DTA114EU
18K
8.2K
8.2K
18K
10
10
10
10
1M2.2K
DTA114EU
2.2K
2.2K
2.2K
2SC2878
A/B
2SC2878
A/B
2SC2878
A/B
2SC2878
A/B
2SC2878
A/B
2SC2878
A/B
2SC2878
A/B
2SC2878
A/B
2SC2878
A/B
2SC2878
A/B
2SC2878
A/B
2SC2878
A/B
10/35V
0.1
16V
10/35V
0.1
16V
100/25V
0.1
16V
220/10V
BLM11
AD1853JRS
DAC
0.1
16V
33P
50V
330P
680P
680P
270P
270P
0.1
16V
0.1
16V
47/25V
2200P
470P
0.1
16V
0.1
16V
33P
50V
330P
680P
680P
270P
270P
0.1
16V
0.1
16V
47/25V
2200P
470P
0.1
16V
0.1
16V
AD1852JRS
DAC
10/50V
0.1
16V
10/50V
0.1
16V
100/10V
0.1
16V
100/10V
BLM11
NJM2068M
10/50V
100/10V
220P
50V
NJM2068M
10/50V
100/10V
220P
50V
220P 50V
220P 50V
0.01
0.01
47/25V
47/25V
NJM2068M
10/50V
100/10V
220P
50V
NJM2068M
10/50V
100/10V
220P
50V
220P 50V
220P 50V
0.01
0.01
22/50V
22/50V
270P
270P
820P
820P
0.1
16V
270P
270P
820P
820P
680P
680P
0.1
16V
22/50V
22/50V
220P
220P
47P
47P
0.1
16V
100/25V
100/25V
0.010.01
0.010.01
0.1
16V
0.1
16V
0.1
16V
0.1
16V
0.010.01
220P
220P
B4B-EH
0.010.01
0.010.01
B7B-PH
0.010.01
0.010.01
2SA970
2SA970
2SK389
GR/BL
2SK389
GR/BL
2SA970
2SA970
2SKJ74
BL
2SKJ74
BL
2SKJ74
BL
2SKJ74
BL
2SKJ74
BL
2SKJ74
BL
220P
220P
0.022
0.022
0.022
0.022
0.022
0.022
0.022
22/50V
22/50V
22/25V
22/25V
22/25V
22/25V
1SS302
1SS302
1SS302
1SS302
1SS302
1SS302
0.1
16V
DAMMY
DAMMY
DAMMY
DAMMY
DAMMY
DAMMY
DAMMY
DAMMY
DAMMY
DAMMY
DAMMY
DAMMY
2.2K
DAMMY
DAMMY
DAMMY
DAMMY
DAMMY
DAMMY
DAMMY
DAMMY
A9
A9
A9
A9
-15VC
5VA
-15VD
+5VA
A11
A11
A11
A11
+15VC
-15VC
+15VD
-15VD
-15VC
5VA
5VA
5DD
A9
A9
A9
+15VC
-15VC
A9
A9
A9
A9
-15VC
+15VC
A9
+15VC
-15VC
A9
A9
A9
A9
-15VC
+15VC
5VA
A11
A11
5DD
+15VC
-15VC
A9
A11
+15VD
-15VD
+15VC
-15VC
+15VC
+15VC
-15VC
+15VC
-15VD
+15VD
-15VD
+15VD
A9
A11
5DD
5VA
D8
D8
D10
D10
+15VG
-15VG
A9
+15VA
-15VA
A11
5VD
D8
A15
D10D14 D12
A9A11A13
+15VA
-15VA
+15VG
-15VG
A9 A9
A9
A11
0V-9
0V-9
0V-9
0V-9
-15V-37
5V-31
-15V-39
5V-31
0V-11
0V-11
0V-11
0V-11
15V-36
-15V-37
15V-38
-15V-39
SL
SR
LT
RT
-15V-37
5V-31
ALLMUTE
ZEROFR
ZEROMUTE
ZEROMUTE
ZEROSR
AAA
5V-31
5V-30
0V-9
0V-9
SFMT
_RSTDA
FS96
MCLK2
BCLK2
WCLK2
LRDA
0V-9
15V-36
-15V-37
0V-9
0V-9
0V-9
0V-9
-15V-37
15V-36
0V-9
15V-36
-15V-37
0V-9
0V-9
0V-9
0V-9
-15V-37
15V-36
SRDA2
5V-31
0V-11
0V-11
5V-30
MIXF
15V-36
-15V-37
SWMIXF
0V-9
0V-11
MIXS
15V-38
-15V-39
SWMIXS
15V-36
-15V-37
15V-36
15V-36
-15V-37
15V-36
-15V-39
15V-38
-15V-39
15V-38
0V-9
0V-11
5V-30
5V-31
0V-8
0V-8
0V-10
0V-10
15V-44
-15V-45
0V-9
15V-32
-15V-33
0V-11
5V-20
0V-8
0V-15
0V-100V-14 0V-12
0V-90V-110V-13
15V-32
-15V-33
15V-44
-15V-45
MIXS
0V-9 0V-9
ALLMUTE
ALLMUTE
ALLMUTE
_UMUTE
ZEROFR
ZEROSR
0V-9
0V-11
FS96
MCLK2
LRDA
WCLK2
BCLK2
MCLK2
FS96
_RSTDA
WCLK2
BCLK2
LRDA
SRDA2
SRDA2
BCLK2
WCLK2
SFMT
SFMT
FS96
MCLK2
SFMT
_RSTDA
_RSTDA
HDAM SHILED
+-
032G
M
M
M
2
3
4
1
5
6
8
7
M
M
M
+-
M
M
M
2
3
4
1
5
6
8
7
M
M
M
M
M
M
M
M
5
6
8
7
3
2
4
1
8
4
M
M
M
M
M
M
M
M
M
M
2
3
4
1
2
3
1
5
6
8
75
6
7
4
8
L.P.F
FL OUT
FR OUT
M
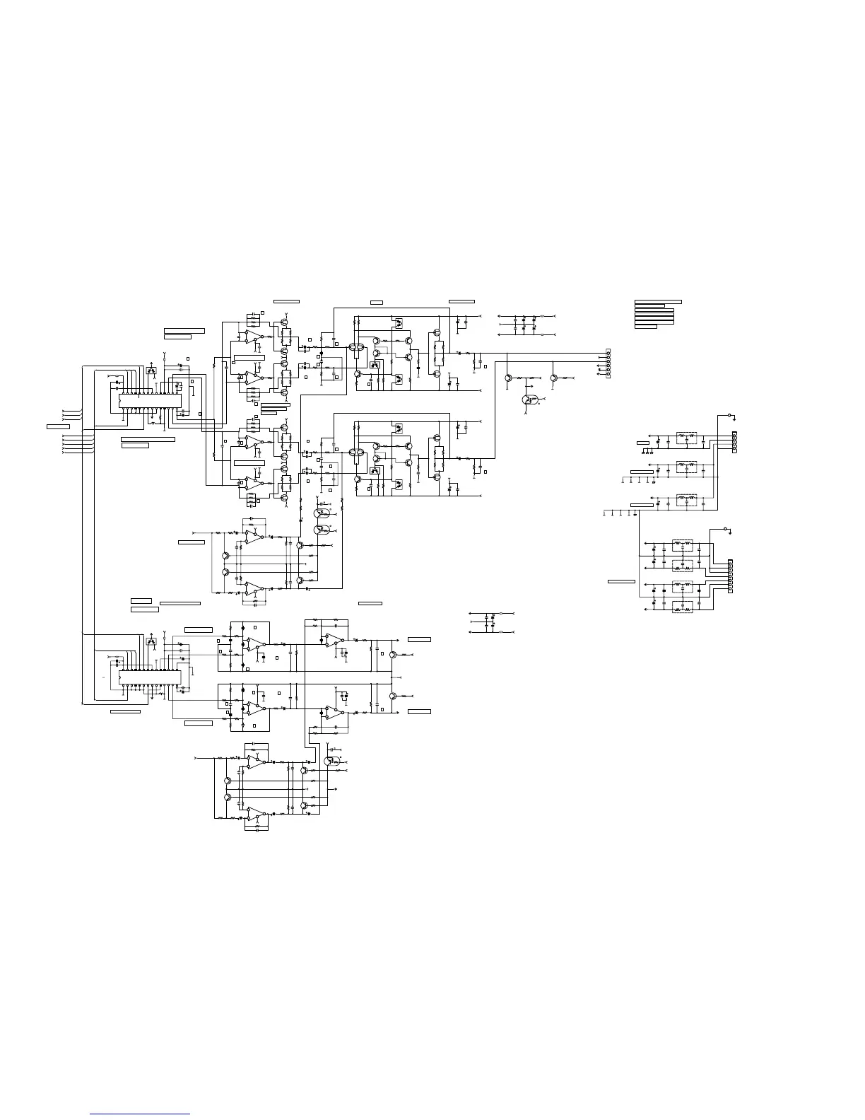
DAC for Surr.ch
SubWoofer Mix
M
M
D2
FOR DIG
M
5VD
D6
FOR AD/DA-DIG
A7
FOR AD/DA-ANA
GND
GND
5VA
FOR AD/DA +/-15V
A7
LT IN
RT IN
D5
GND
GND
+15VA
-15VA
+15VB
-15VB
TO JS06(PS04)
1
2
3
7
5
6
TO
FUNCTION
JS06(PS04)
TO JB03(PB04)
BUCK-UP
TO J804(P804)
SUPPLY
D4
M
M
THD=0.0005%
Gain=-0.4dB+6dB(0.952x2)
NOISE(FLAT) =4.85UV
NOISE(100KHZ)=4.85UV
NOISE(20KHZ) =2.16UV
Noise(A-Weig)=1.80uV
1kHz,0dB=1.333V
RDD-*H**
I/V Conveter
P604-2/4
L.P.F
RDD-*J**
DSP
1kHz,0dB(-3dBdown)=0.70V
fc=115kHz
1kHz,0dB=1.537V
DAC for Front.ch
RDD-*D**
Front.Lch
Front.Rch
Surr.Lch
Surr.Rch
GND
1kHz,0dB=1.466V
10k*2//8.2k=3.11k
1kHz,0dB=1.166V
1kHz,0dB=2.00V
S
S
S
S
S
S
S
TO 3/4PAGE
TO P604-1/4
P604-2/4
DSP
TO P604-3/4
TO P604-3/4

Related product manuals