EasyManua.ls Logo

Marantz sr-18 u - Page 15

Marantz sr-18 u
60 pages
Print Icon
To Next Page IconTo Next Page
To Next Page IconTo Next Page
To Previous Page IconTo Previous Page
To Previous Page IconTo Previous Page
Loading...
23 24
1 11
12
22
23
33
34
44
VSS
BCLKI
VDD
VSS
VDD
VSS
SEL24-32
SONY/IIS
DINV
MOD1
MOD2
VDD
VSS
DOL
BCLKO1
VSS
VDD
WCLKO1
VSS
VSS
DIN
VDD
VSS
DOR
BCLKO2
VDD
WCLKO2
VSS
VDD
CKOUT1
CKOUT2
CKOUT3
VSS
VSS
VDD
XIN
XOUT
VSS
VDD
VSS
VSS
WCLKI
VDD
VSS
1 11
12
22
23
33
34
44
VSS
BCLKI
VDD
VSS
VDD
VSS
SEL24-32
SONY/IIS
DINV
MOD1
MOD2
VDD
VSS
DOL
BCLKO1
VSS
VDD
WCLKO1
VSS
VSS
DIN
VDD
VSS
DOR
BCLKO2
VDD
WCLKO2
VSS
VDD
CKOUT1
CKOUT2
CKOUT3
VSS
VSS
VDD
XIN
XOUT
VSS
VDD
VSS
VSS
WCLKI
VDD
VSS
DGND
MCLK
CLATCH
CCLK
C DATA
X2MCK
DEMP
F48/96
AGND
OUTR+
OUTR-
FILTR
ZEROR
AGND
OUTL-
OUTL+
AVDD
FILTB
IDPM1
IDPM0
ZELOL
MUTE
RST
LRCLK
BCLK
S DATA
DVDD
F256
+
-
+
-
DGND
MCLK
CLATCH
CCLK
C DATA
X2MCK
DEMP
F48/96
AGND
OUTR+
OUTR-
FILTR
ZEROR
AGND
OUTL-
OUTL+
AVDD
FILTB
IDPM1
IDPM0
ZELOL
MUTE
RST
LRCLK
BCLK
S DATA
DVDD
F256
+
-
+
-
DGND
MCLK
CLATCH
CCLK
C DATA
X2MCK
DEMP
F48/96
AGND
OUTR+
OUTR-
FILTR
ZEROR
AGND
OUTL-
OUTL+
AVDD
FILTB
IDPM1
IDPM0
ZELOL
MUTE
RST
LRCLK
BCLK
S DATA
DVDD
F256
+
-
+
-
+
-
+
-
DGND
MCLK
CLATCH
CCLK
C DATA
X2MCK
DEMP
F48/96
AGND
OUTR+
OUTR-
FILTR
ZEROR
AGND
OUTL-
OUTL+
AVDD
FILTB
IDPM1
IDPM0
ZELOL
MUTE
RST
LRCLK
BCLK
S DATA
DVDD
F256
+
-
+
-
DGND
MCLK
CLATCH
CCLK
C DATA
X2MCK
DEMP
F48/96
AGND
OUTR+
OUTR-
FILTR
ZEROR
AGND
OUTL-
OUTL+
AVDD
FILTB
IDPM1
IDPM0
ZELOL
MUTE
RST
LRCLK
BCLK
S DATA
DVDD
F256
+
-
+
-
+
-
+
-
+
-
+
-
+
-
+
-
+
-
+
-
+
-
+
-
+
-
+
-
VREFAGND
VCOM
AINR+
AGND
AINL+
AINR-
AGND
VA
VL
LGND
AINL-
ADCTL
MCLKA
TSTO1TSTO2
DACTLMCLKD
CALPDN
VDDFS
DGNDS/M
LRCLK
S DATA
SCLKDGND
RH01
RH03
RH07
RH11
RH09
RH05
RH08
RH04
RH12
RH02
RH10
RH06
RH24
RH25
RH51
RH52
RH53
RH54
RH55
RH56
RH57
RH58
RH59
RH60
RH61
RH62
RJ01
RJ02
RJ03
RJ04
RJ05
RJ06
RJ07
RJ08
RJ09
RJ10
RJ11
RJ12
RJ51
RJ52
RJ53
RJ54
RJ55
RJ56
RJ57
RJ58
RJ59
RJ60
RJ61
RJ62
RJ71
RJ72
RJ74
RJ73
RJ75
RJ76
RJ77
RJ78
RJ79
RJ80
RJ81
RJ82
RD01
RD05
CD02
CD14
CD26
CD41
CD47
CD53
CD63
CD64
CD65
CD66
CD67
CD68
CD69
CD70
CD71
CD72
CD73
CD74
QD43
QD44
RD61
RD62
RD63
RD64
RD65
RD66
RK05
RK06
RK07
RK08
RK09
RK10
RK11
RK12
RK13
RK14
RK15
RK16
RK17
RK18
RK23 RK24
RK32
CK06
CK05
CK07
CK08
CK35
CK36
CK41
CK42
J601
J602
QH01-1
QH01-2
QH02-1
QH02-2
QH03-1
QH03-2
QH51-1
QH51-2
QH52-1
QH52-2
QH53-1 QH53-2
QJ01-1
QJ01-2
QJ02-1
QJ02-2
QJ51-1
QJ51-2
QJ71-1
QJ71-2
CH01
CH02
CH03
CH04
CH05
CH06
CH07
CH08
CH55
CH56
CH57
CH58
CH53
CH51
CH54
CH52
CH65
CH66
CH77
CH78
CJ01
CJ02
CJ03
CJ04
CJ05
CJ06
CJ07
CJ08
CJ51
CJ52
CJ53
CJ54
CJ55
CJ56
CJ57
CJ58
CJ59
CJ60
CJ71
CJ72
CJ73
CJ74
CJ75
CJ76
CJ77
CJ78
CJ79
CJ80
QK03-2
QK03-1
QK05-1
QK05-2
QK04-2
QK04-1
QK06-1
QK06-2
R689
RD92
RD94
CH33
CH34
Q605
LD03
LD07
LJ01
LJ02
RJ13
RJ14
RJ15
RJ16
RJ18
RJ21
RJ23
RJ22
RJ24
CJ09
CJ10
RK36
RK37
RK35
LK01
CK09
CK10
RK34
RK21
RK19
RK20
RK22
RH14 RH18
RH15
RH16
RH13
RH19
RH22
CH13
RH41
RH42
LH01
LH02
CD17
CD09
CD49
CD45
LD05
LD45
LD01
LD41
LD06
LD02
LD46
LD42
CD46
CD50
CD10
CD18
RD41
RH27
RH26
RH31
RH30
CH24
RH32
CH25
RH35
RH37
RH38
LH51
LH52
RH66
RH64
RH63 RH67
RH68
RH65
RH69
CH63
RH72
RH74
RH75
RH79
RH77
RH76
RH81
RH80
RH78
CH75
RH82
RH86
RH85
RH87
RH88
LD81
LD82
LD83
LD84
LD85
LD86
QH05
QH06
QH04
CD81
CD82
CD83
CD84
CD85
CD86
CD87
CD88
CD89
CD90
CD91
CD92
CD93
CD94
CD95
CD96
CD97 CD98
CK33
CK34
CK02
CK04
CK01
CK03
CK26
CK25
CK43
CK44
RK31
CJ11
CJ12
CJ21
CJ22
CD61
CD62
CD05
CD21
CH14
CD43
CD51
CH26
CD06
CD22
CH64
CH76
CD44
CD52
RH17
RH29
RH28
CH31
CH32
CH81
CH82
QK01
RH93
RH39
RH40
R688
CJ17
CJ18
CK24
RK01
RK03
CK45
CK46
RK02
RK04
CD29
CD55
CD30
CD56
RH21
RH34
CH35
CH36
CJ61
CJ62
CH85
CH86
CJ81
CJ82
D698
D699
QD01
QD41
QD02QD42
QD03
RH23
RH36
RH73
RJ25
RJ26
RJ20
A5
A5
A5
A5
A5
A5
A5
A5
A5
A5
A5
D
D
D
D
D
D
C680
A5
A5
A5
A5
A5
A5
CJ15
CJ13
CJ19
RJ19
RJ17
CJ14
CJ16
CD03
CD07
RD07
RD03
CD31
CD23
CD27
CD11
CD15
CD19
CJ23
CJ24
CJ20
D
D
D
D
DD
CK23
CK28
CK27
CK30CK31
CK21
CK19
CK22
CK20
CK15
CK17
CK39
CK37
CK11
CK13
CK12
CK14
CK40
CK16
CK18
CK38
D
D
D
D
D
D
D
D
D
D
D
D
D
D
D
D
CD42
CD48
CD54
RD93
RD02
CH23
CH38
CH21
CH22
CH40
CH37
CH10
CH09
CH11
CH12
CH39
RD91
CD01
CD25
CD13
CH15
CH16
CH17
CH18
CH27
CH28
CH83
CH84
CH67
CH68
CH89
RH33
RH20
RJ91
RH70CH87
CH60
CH59
CH62
CH61
RJ92
CH74
CH88
CH72
CH71
CH73
RH83
CH90
RD42
A A1A2A3A4A5D
1.8K
1.8K
1.8K
1.8K
1.8K
1.8K
1.8K
1.8K
1.8K
1.8K
1.8K
1.8K
100
100K
1.8K
1.8K
1.8K
1.8K
1.8K
1.8K
1.8K
1.8K
1.8K
1.8K
1.8K
1.8K
1.8K
1.8K
1.8K
1.8K
1.8K
1.8K
1.8K
1.8K
1.8K
1.8K
1.8K
1.8K
1.8K
1.8K
1.8K
1.8K
1.8K
1.8K 1.8K
1.8K
1.8K
1.8K
1.8K
1.8K
1.8K
1.8K
1.8K
1.8K
1.8K
1.8K
1.8K
1.8K
1.8K
1.8K
1.8K
1.8K
10K
10K
0.1U
16V
0.1U
16V
0.1U
16V
0.1U
16V
0.1U
16V
0.1U
16V
0.1U
16V
0.1U
16V
0.1U
16V
0.1U
16V
0.1U
16V
0.1U
16V
0.1U
16V
0.1U
16V
0.1U
16V
0.1U
16V
0.1U
16V
0.1U
16V
GATEARRAY
GATEARRAY
0
0
0
0
0
0
56
56
4.7K
4.7K
4.7K
4.7K
4.7K
4.7K
4.7K
4.7K
4.7K
4.7K
4.7K
4.7K
10K 10K
4.7K
470P
470P
470P
470P
0.1U
16V
0.1U
16V
10/16V
10/16V
NJM2114M
NJM2114M
NJM2114M
NJM2114M
NJM2114M
NJM2114M
NJM2114M
NJM2114M
NJM2114M
NJM2114M
NJM2114M NJM2114M
NJM2114M
NJM2114M
NJM2114M
NJM2114M
NJM2114M
NJM2114M
NJM2114M
NJM2114M
1000P
1000P
1000P
1000P
220P
220P
220P
220P
220P
220P
220P
220P
1000P
1000P
1000P
1000P
0.1U
16V
0.1U
16V
0.1U
16V
0.1U
16V
1000P
1000P
1000P
1000P
220P
220P
220P
220P
1000P
1000P
1000P
1000P
220P
220P
220P
220P
0.1U
16V
0.1U
16V
1000P
1000P
1000P
1000P
220P
220P
220P
220P
0.1U
16V
0.1U
16V
NJM2114M
NJM2114M
NJM2114M
NJM2114M
NJM2114M
NJM2114M
NJM2114M
NJM2114M
10k
0
0
0.1U
16V
0.1U
16V
TC7W32FU
*
*
*
*
2.2K
2.2K
2.2K
2.2K
4.7K
100
100K
100
100K
1500P
1500P
*
*
*
*
3900
3900
100
39
39
39
39
2.2K 2.2K
2.2K
2.2K
2.2K
2.2K
2.2K
1000P
10K
1M
*
*
10/16V
10/16V
10/16V
10/16V
*
*
*
*
*
*
*
*
10/16V
10/16V
10/16V
10/16V
DAMMY
2.2K
2.2K
2.2K
2.2K
DAMMY
2.2K
1000P
2.2K
100
100K
*
*
2.2K
2.2K
2.2K 2.2K
2.2K
2.2K
2.2K
1000P
2.2K
100
100K
2.2K
2.2K
2.2K
2.2K
2.2K
2.2K
2200P
2.2K
2.2K
4.7K
100
100K
0.022
0.022
0.022
0.022
0.022
0.022
2SC2878
A/B
2SC2878
A/B
DTA114ES
/ETC
0.01U
50V
0.01U
50V
0.01U
50V
0.01U
50V
0.01U
50V
0.01U
50V
0.01U
50V
0.01U
50V
0.01U
50V
0.01U
50V
0.01U
50V
0.01U
50V
220/10V
220/10V
220/10V
220/10V
100/25V 100/25V
100/25V
100/25V
10/16V
10/16V
10/16V
10/16V
100/10V
100/10V
47/16V
47/16V
100
47/16V
47/16V
100/25V
100/25V
100/10V
100/10V
100/10V
100/10V
47/16V
100/10V
100/10V
47/16V
100/10V
100/10V
47/16V
47/16V
100/10V
100/10V
2.2K
2.2K
2.2K
100/25V
100/25V
100/25V
100/25V
CS5394
ADC
DAMMY
2.2K
2.2K
DAMMY
22P
CH
22P
CH
0.01U
50V
10K
10K
22P
CH
22P
CH
10K
10K
1000P
50V
1000P
50V
1000P
50V
1000P
50V
1.5K
1.5K
22P
CH
22P
CH
22P
CH
22P
CH
22P
CH
22P
CH
22P
CH
22P
CH
DAMMY
DAMMY
AD1855
DAC
AD1855
DAC
AD1855
DAC
AD1855
DAC
AD1855
DAC
12K
12K
12K
10K
10K
5.6K
0.1U
0.1U
DAMMY
5.6K
4.7K
0.1U
0.1U
0.1U
100/10V
10K
DAMMY
1000P
50V
100/10V
0.1U
10/16V
0.1U
10/16V
0.1U
0.1U
DAMMY
0.1U
0.1U
0.1U
0.1U0.1U
100/10V
0.1U
10/16V
0.1U
0.1U
0.1U
0.1U
0.1U
0.1U
0.1U
0.1U
0.1U
0.1U
0.1U
0.1U
0.1U
0.1U
0.1U
0.1U
DAMMY
DAMMY
DAMMY
DAMMY
DAMMY
DAMMY
DAMMY
DAMMY
DAMMY
DAMMY
DAMMY
DAMMY
DAMMY
DAMMY
0.1U
0.1U
0.1U
0.1U
0.1U
0.1U
0.1U
0.1U
0.1U
0.1U
0.1U
0.1U
0.1U
DAMMY
DAMMY
DAMMY
DAMMY
DAMMY
DAMMY
DAMMY
DAMMY
DAMMY
DAMMY
DAMMY
DAMMY
DAMMY
DAMMY
DAMMY
DAMMY
DAMMY
DAMMY
DAMMY
0.1
3.3V
DSPMUTE
SMUTE
ERMUTE
FS96
ADDATA
CWDA
SRDA
MCLK
ZMUTE
ABCLK
AWCLK
AMCLK
CAL
SDWCK
SDBCK
PDAD
FLRDA
_ATT3
DEEMP
3.3V
-5VD
5VD
-15VA
+15VA+5VA
-15VAA
+15VAA
+15VAA
-15VAA
+15VAA
-15VAA
+15VA
-15VA
+5VA
+5VD
+15VAA
-15VAA
+15VAA
-15VAA
+15VA
-15VA
+5VA
+5VD
+5VD
+5VD
+5VA
+5VD
+15VAB
-15VAB
+15VAB
-15VAB
+15VA
-15VA
+15VAB
-15VAB
-15VAB
+5VA
+15VAB
-15VAB+15VAB
-15VAB
+15VA
-15VA
+15VAC
-15VAC
+15VAC
-15VAC
+15VAC
-15VAC
+5VA
+5VD
+5VD
+5VA
+5VA
+5VD
+15VAC
-15VAC
+15VAC
-15VAC
+5VD
+5VD
-5VD
5VD
_RSTDA2
_RSTDA1
FS96
FS96
FS96
RSTDA1
RSTDA1
MCLK
CWDA
MCLK
SFMT
SFMT
LRDA
SRDA
MCLK
SFMT
RSTDA1
SFMT
RSTDA1
ZLMT
ZRMT
ZCMT
ZWMT
FS96
FS96
ZLSMT
ZRSMT
SFMT
ZLMT
ZRMT
ZCMT
ZWMT
ZLSMT
ZRSMT
DSPMUTE
SMUTE
SFMT
ERMUTE
DSPMUTE
SMUTE
FS96
ADDATA
MCLK
LRDA
SRDA
CWDA
ADDATA
ERMUTE
ABCLK
AMCLK
ABCLK
AWCLK
AMCLK
SDBCK
SDWCK
SDBCK
SDWCK
SDWCK
SDBCK
SDWCK
SDBCK
AWCLK
_ATT3
_ATT3
DEEMP
DEEMP
DEEMP
_RSTDA2
_RSTDA1
_RSTDA2
RDA
RDD
6
1
2
3
4
5
6
7
8
9
10
ERMUTE
C
SW
LS
RS
GNDA
GNDA
GNDA
GNDA
GNDA
A1
A1
A1
A1
A1
A1
A1
A1
A1
A1
A1
A1
A1
A1
A1
A1
A1
A2
A2
A2
A2
A2
A2
A2
A2
A2
A2
A2
A2
A2
A2
A2
A2
A3
A3
A3
A3
A3
A3
A3
A3
A3
A3
A3
A3
A3
A3
A3
A3
A4
A4
A4
A4
A4
A4
A4
A4
A4
A4
A4
A4
A4
A4
A4
A6
A6
A6
A6
A6
A6 A6
A6
A6
A6
A6
A6
A6
A6
A6
A6
A6
A6
A6
A6 A6
A6
A6
DDD
D
D
D
D
DD
D
DD
D
D
DD D
D
D
DD
A
A
A
1
2
3
6
5
7
2
3
4
1
8
8
7
4
5
6
2
3
8
4
16
5
7
2
3
1
6
8
7
4
5
3
2
5
6
7
3
2
1
5
6
7
5
6
73
4
8
1
2
1
4
8
3
2
7
5
6
6
5
7
4
8
2
3
1
1
8
2
3
4
6
5
7
1
8
4
3
21
8
4
2
3
7
6
5
7
6
5
1
4
8
2
3
5
6
7
5
6
7
8
4
1
A6
A6
A6
12345 7891011
1
2
3
GND
VCC
SUB WOOFER
CENTER
RIGHT
LEFT
LEFT&RIGHT-SURR
+5VD
+5VA
A
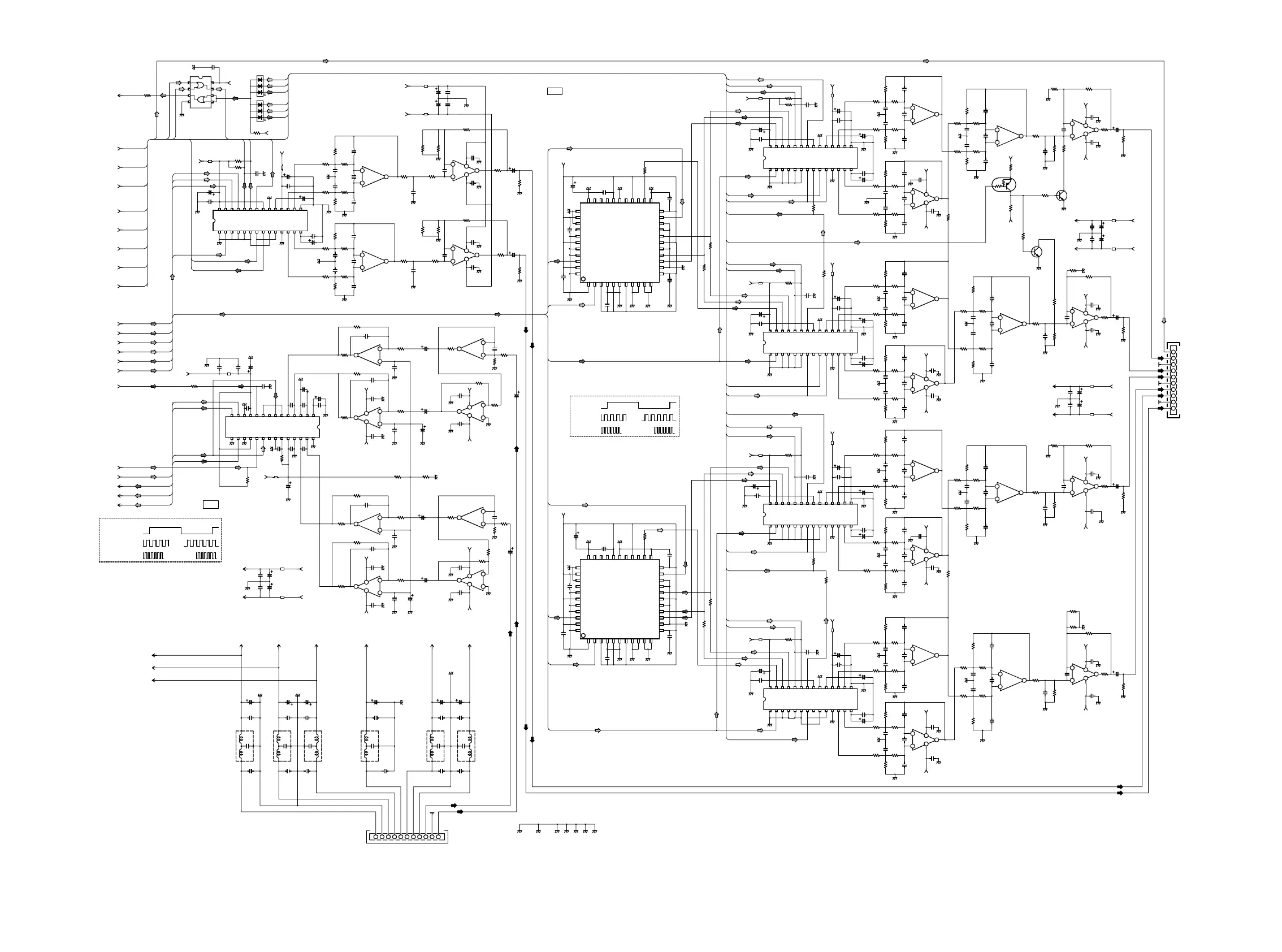
DAC BLOCK
ADC BLOCK
TO JY67 (PY64)
M06-CONNECT
P604-2/2
(M08)
+15VD
L OUT(LT)
R OUT(RT)
+3.3V
-15VD
-5VD
GNDD
FL
FR
TO JC02 (P104)
TO DSP BLOCK
FROM DSP BLOCK
FROM SURR CPU
M03-VOLUME
TO DSP BLOCK
SDWCK=FS
SDBCK=64FS
MCLK=256FS
AWCLK = 48 kHz
ABCLK = 3.07 MHz
AMCLK = 12.288 MHz
8
4
8
4
A
A
+
-
-
+
-
-
+
+
Front L/R
Center &
Sub Woofer

Related product manuals