EasyManua.ls Logo

Marantz SR5011 - Page 134

Marantz SR5011
204 pages
Print Icon
To Next Page IconTo Next Page
To Next Page IconTo Next Page
To Previous Page IconTo Previous Page
To Previous Page IconTo Previous Page
Loading...
î™°g.04a
O2
O1
C2
C1
OUT
Z2_DAC_MCLK
Z2_DAC_LRCK
TXSPDIF
DAC_256FS
DAC_64FS
DACDATAF
DACDATASB
OUT
USB FRONT
USBD-
IN2
IN3
IN0
OUT1
OUT0
NET/USB_LRCK
NET/USB_BCK
SW2_LRCK
SW2_SD1
SW1_MCLK
SW1_BCLK
SW1_SD3_SPDIF
SW1_SD2
SW1_SD0
DM920_SPDIF
ARCSPDIF
MCLK1
SBCK
FSDIR1
256FSDIR1
DIRADATAI
DIRAMCKI
OUT
TMDS
IN0
IN1
DSP1OUTFS
DATAFT
DATASB
DATAC
DSP1INSB/SR
DSP1INCSW/C
DSP1IN_/SW
DSP1INFS
DSP1INMCK
OUT
USBD+
WiFi BT ANT
TX+/-
RX+/-
IN1
IN0
IN1
IN3
IN2
HDMI2.0 RX
MN864788
(2.2 4 INPUTS)
OUT0
OUT1
NET/USB_MCK
SW2_MCLK
SW2_SD0
SW2_SD2
SW2_SD3_SPDIF
SW2_BCLK
SW1_LRCK
SW1_SD1
DIRRXSPDIF
IN A
TMDS
SLRCK
DATADIR1
64FSDIR1
DIRABCKI
DIRALRCKI
IN D
TMDS
Z2_DAC_BCLK
Z2_DAC_DATA
DAC_FS
DACDATAC
DACDATAS
TMDS
TMDS
HDMI2.0 TX
MN864788
IN2
DSP1OUT64FS
DATAST
DATAS
DATAF
DSP1INS/SL
DSP1IN_/FR
DSP1INF/FL
DSP1IN64FS
HDMI2.0 RX
MN864788
(2.2 4 INPUTS)
HDMI5
HDMI4
HDMI3
NET/USB_DATA_/FR
TMDS
RJ-45
HDMI6
HDMI7
HDMI IN
HDMI2
FRONT
HDMI
ADV8195
TMDS
BUFFER
HDMI1
NET/USB_DATAF/FL
64Mbit
SDRAM
SERIAL
FLASH
HDMI OUT1
HDMI RECEIVER
ADV7850
AD55/058Z-0
(ADV8003-8B)
OSD/ip scaler
HDMI OUT2
GND
DATA-
VBUS
DATA+
TO ANALOG AUDIO BLOCK
CY920
NETWORK
MEDIA MODULE
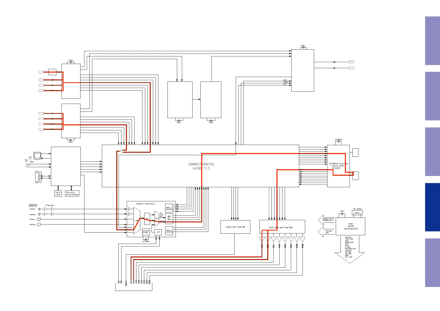
DIGITAL AUDIO DIAGRAM
fig.04a
134
Caution in
servicing
Electrical Mechanical Repair Information Updating