EasyManua.ls Logo

Marantz SR7013 - Power Diagram

Marantz SR7013
211 pages
Print Icon
To Next Page IconTo Next Page
To Next Page IconTo Next Page
To Previous Page IconTo Previous Page
To Previous Page IconTo Previous Page
Loading...
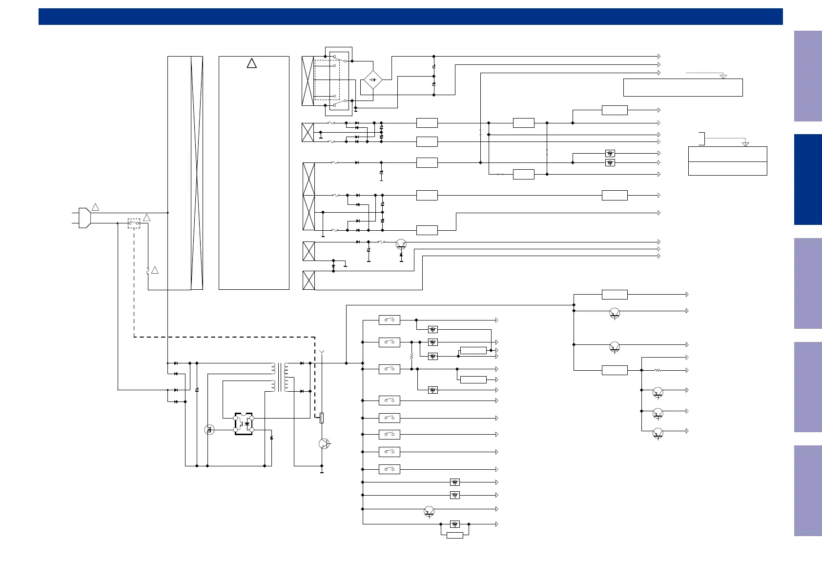
POWER DIAGRAM
!
!
!
B+
B-
AC CORD
RELAY
MAIN TRANS
!
S6(FILAMENT )
S5(FL+ Vd isp )
S2(+ 8V ,-8V)
S1(AMP+B ,-B)
KIA 7807B PI
KIA 7907P I
FILAMENT A C
Vdisp (+ 42V)
KIA 7805B PI
+ 5 .2V
MAIN P W R O N
S3(V ID EO )
FILAMENT A C
KIA 7905P I
-5VV
KIA 7805B PI
A+ 7V (A . A UD IO PAR T)
A-7V (A. A UD IO PART )
NJM 2845D L133
(AVD M 2000)
AV+ 3.3V
TRIGGER + 12V
TRIGGER + 12V
300m A
165m A
165m A
+ 12V(RELA Y)
VID EO +5 V
VID EO -5V
D 5 V
KIA 7805B PI
50m A
A.TU NER + 5V
H I+ B
H I-B
BU33T D 3W G
IC324
IC931IC936
IC937
IC932
IC934 IC513
IC935
KIA 7812B PI
IC933
S4(ET C)
427.8 m A
SR 7013 : 855.2m A
110m A
110m A
LOW -B
LOW + B
RY931
D A _ P O W ER
D V _ P O WER2
NET 5V _P O W ER
NET 3.3V _ P O W ER
D 5 V POW ER
(OPEN)
SR 7013 : 727.8m A
SR7013 : SPK Rela y ( 5 EA ) + S m all Relay( 1 E A )+ H /L Rela y ( 1 EA ) + Fan(2EA )
222 + 12.5 + 33.3 + 160 = 427.8m A
AV7705 : SPK R e la y(0 E A )+ Sm all R e la y(14EA ) + H /L Re la y( 0 EA ) + Fa n(0EA)
175m A
SR 7013 : 377.8m A
AV7705 : 288m A
AV7705 : 765.8 m A
AV7705 : 475m A
165m A
165m A
D V _ P O WER1
377.8 m A
414m A
SR7013 & A V7705 : 46+ 31=77m A
150m A
150m A
NJU72750V (4EA) + NJU 72343V ( 2EA)+ N JW 1194( 2 EA)+
NJU72750V (3EA) + NJU 72751V ( 1EA) + NJU 72343V ( 2 EA)+
OPAMP( 21E A )+ H DAM= 4+ 70+ 34+189+ 80.4 = 377.4 m A
NJW 1194(2 EA )+ O P AMP ( 20EA)= 3+ 1 + 70+34+ 189 = 288m A
SR 7013
AV7705
SR7013 : 377.4m A / A V7705 : 288m A
SR7013 : 427.8m A / A V7705 : 175m A
(AVD M 2000)
9. 63A
SR7013 : 377.4m A / A V7705 : 288m A
SR7013
ONL Y
D IG IT A L AUD IO P O W ER ON/O FF CONTRO L(D A3 .3V ,D A 1 .0V,D A1.8 V )
D IG IT A L VID EO POW ER O N / O FF CONTRO L(D V5 V ,D V 3 .3V)
D IG IT A L .VID EO POW ER O N / O FF CONT RO L(D V1.8 V )
NET WO RK POW ER C O NT R O L(LE G O 5V )
D IG IT A L 5V(FR O M MAIN C P U ) P O WER ON/O FF CONT RO L(5 V ¡ æ 3.3 V )
NET WO RK POW E R CONT RO L(N ET 3.3 V )
CEC_POW ER
POW E R SU PPLY FO R CEC ST A N D BY (CEC5V,Z 2_C E C 5 V ,CEC3.3 V ,CEC1.1 V ,CEC1.2 V )¡¡¡ØC E C STA N D BY:MOD E 1 = H ,MOD E2 = H,MOD E 3 = L
CPU_POW ER
MAIN C P U POW ER C ON T RO L (NORMAL -> PO W ER O N : "H ")
RE M O TE _ P O WER
POW E R SU PPLY CONT RO L FO R RS 232C
CEC_POW ER2
CEC ST A N D BY POW E R C ON T RO L (FO R CEC ST A ND BY MO D E= 3)
(CEC ON -> STAND BY : "H")
D A 3.3 V
D V 3.3 V
CEC 3.3V
D V_PO W ER2
D V 1.8 V
AD V 7180/ 512M _ DDR2*2/
D 1 .8V-1
IC112
IC111
Q1103
D 3 .3V-1
1. 648A
0. 183A
D 3 .3V-2
1. 166A
1. 37A
D A 1 .1V_ 1
1. 62A
CEC1.1 V -1
1. 62A
CEC1.1 V -2
1. 54A
CEC1.1 V -3
D A 1 .1V_ 1
CEC1.1 V -1
CEC1.1 V -2
CEC1.1 V -3
PCM9211/LC89091*2/APLD
AD V 7180/ V P L D /128M S.F LA SH
Si I9437
D SP1,2(400MH z )
MN864788(H D MI SW 1)
MN864788(H D MI SW 2)
MN864787(H D MI T X)
D V P O W E R1
D A_PO W ER
CE C P O W ER
CE C P O W ER
CE C P O W ER
D A_PO W ER
D 5V_PO W ER
CE C _ POW ER
D SP*4/SD R AM/ S .FL A S H
AK4458*2/SN74AH CU 04P W R
NJM2845D L 118
D A 1 .8V
1. 393A
(O PEN)
IC113
IC117
IC119
IC120
IC121
Q1105
AD 55/ 058Z-0(AD V 8003-8B )
AD 55/ 058Z-0(AD V 8003-8B )
CS210010-C ZZR
APLD
MN864788*2/MN864787*1
1. 37A
D A 1 .1V_ 2
D A 1 .1V_ 2
D SP3,4(400MH z )
D A_PO W ER
IC118
Q1104
0. 04A
1. 688A
1. 377A
D A_PO W ER
NET 3.3 V
0. 176A
APPLE/LEG O BUFFER*7
Q1102
NE T 3 .3 V _ P O W E R
1. 553A
TCA9517/A D V7180/
CEC + 5V
CE C P O W ER
Q1107
0. 02A
BD 2248G-G T R
IC124,( O PEN )
MN864788*2/MN864787*1
LEG O 5V
LEG O
Q1101
0. 519A
NE T 5 V _ POW ER
D V 5 V
Q1151
AD V 7180
0. 045A
D V P O W E R 1
AD 55/ 058Z-0(AD V 8003-8B ) /
CE C P O W ER
Q1106
Z2_C EC 5 V
Z2_H D M I
5. 21A
0. 67A
1. 13A
1. 02A
0. 33A
0. 33A
0. 39V
0. 39V
0. 37V
BU12TD 3 W G
CEC 1.2V
Si I9437
0. 044A
1. 354A
USB + 5V
VBUS
FRO N T USB
Q1121
BD 82065
1A
CP U PO W ER
CEC_STB Y _+ 5V
CEC B U FFE R , SN74CB T 3251PW R
CE C _ POW ER2
IC503
Q1133
AP7361-Y -13
M3.3 V
MUT E3.3V
SW M3.3 V
RE M O TE 3.3 V
RE M O T E POW ER
CP U PO W ER
MCU/EEPROM//IR SEN S O R
MUT E/EX P A N D ER * 1
LEV EL C H G
IC123
Q1125
Q1127
0. 001A
SN 75101P W R
EX PA N D ER* 7
0. 075A
CEC B U FFE R
CE C _ POW ER2
Q1123
CEC_STB Y _3.3V
SW M5V
PW R L E D
PW R L E D (M Z )
VFD
0. 030A
0.08A
0. 0025A
0. 64A
1.83A
0. 79A
+ 3.3 V (Z 2, Z3, LE GO D AC, AD C)
45+ 45+ 45+ 9 = 144m A
67.8 + 138+18+ 10=233.8 mA
A+ 5V (D IR, MAIN D AC,AD C,ATT)
233.8 m A
144m A
2
4
3
1
D
G
S
43
2 1
OPEN
JM P
JM P
OPEN
0
SR7013/AV7705 POWER BLOCK DIAGRAM
Before Servicing
This Unit
Electrical Mechanical Repair Information Updating
63

Other manuals for Marantz SR7013

Related product manuals