EasyManua.ls Logo

Marathon Electric DVR 2000E - Page 30

Marathon Electric DVR 2000E
56 pages
Print Icon
To Next Page IconTo Next Page
To Next Page IconTo Next Page
To Previous Page IconTo Previous Page
To Previous Page IconTo Previous Page
Loading...
28
S
ection
4
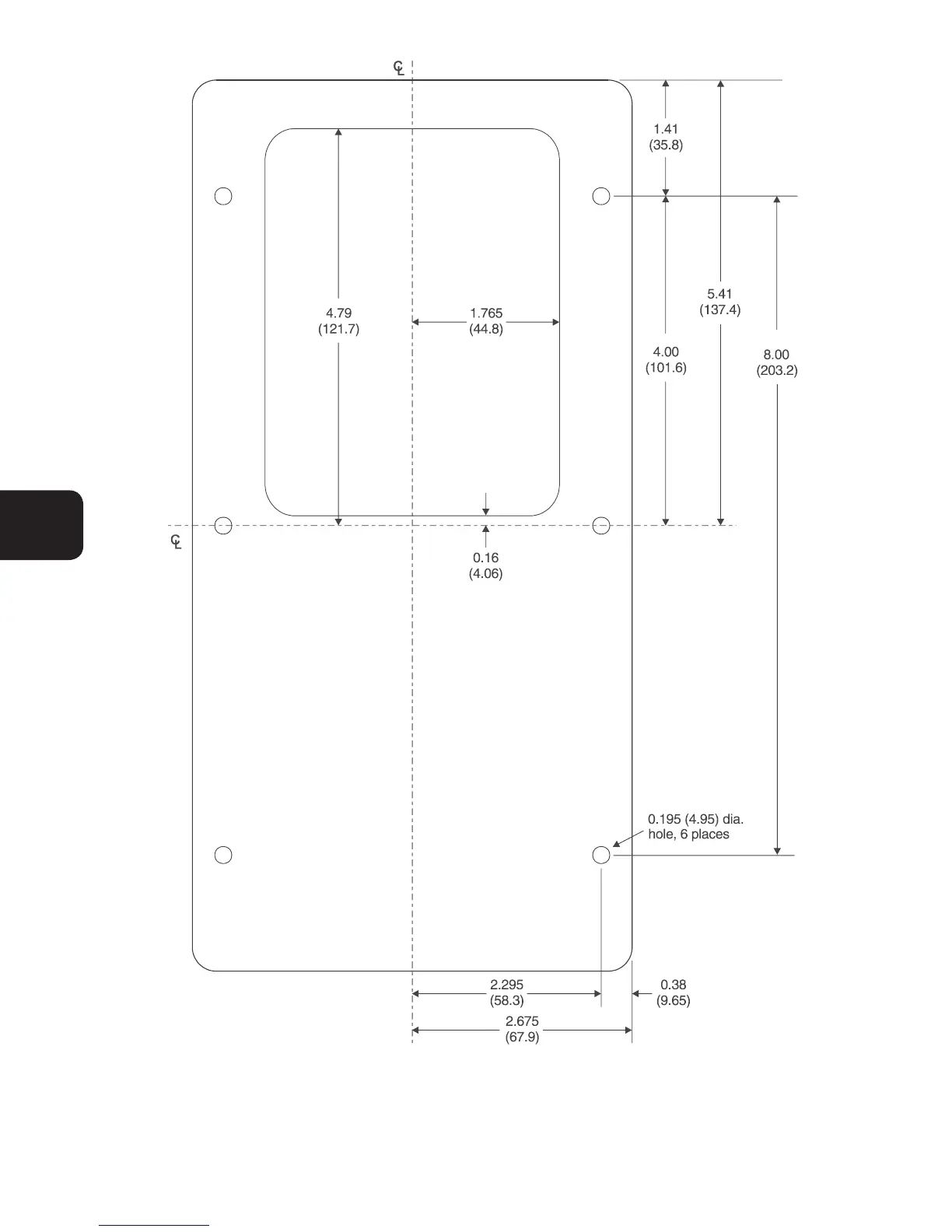
Figure 4-2. Cutout and Drilling Dimensions

Table of Contents

Related product manuals