EasyManua.ls Logo

Marine Air Systems vector compact - Page 13

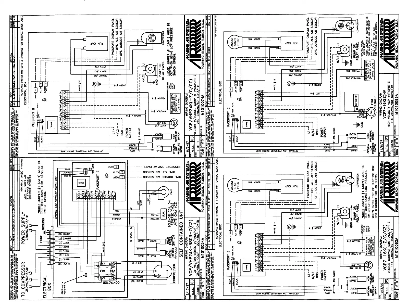
Marine Air Systems vector compact
30 pages
Print Icon
To Next Page IconTo Next Page
To Next Page IconTo Next Page
To Previous Page IconTo Previous Page
To Previous Page IconTo Previous Page
Loading...
/B/9B
AUUfcU
VIP
IU
I
PROPRIETARY
NOTE:
THE
INFORMATION
CONTAINED
W
THS
ATTEMPT
TO
COPT
OR
TO
COMPRESSOR
38OVAC/5OHZ/30
L1
L2 L3
LJ
REFERENCE
DWC(S)
M1010055
NOTE:
ALJL
WIRES
ARE
7i2
GAUGE
UNL£SS
OTHERWISE
SPECIFIED
POWER
SUPPLY
220VAC/50HZ/1*
L2
L1
'NOTE:
JUMPER
#1
(JMP1)
MUST
BE
PUM.P
-
rRnuwn
CUT
WHEN
USING
LOW
PRESSURE
^GROUND
SOLENOID
COIL
ON
REVERSE
CYCLE
UNITS
ONLY
(CZ)
SELF
CONTAINED
UNIT
-ML
11/26/9
ADDED
VCP
TO
TITLE
BLOC
REFERENCE
DWC(S)
Ml010042
&
M406C009
FOR
TERMINAL
BLOCK
LABEL
ELECTRICAL
BOX
!
L
PASSPORT
DISPLAY
PANEL
OPT.
ALT.
AIR
SENSOR
OPT.
OUTSIDE
AIR
SENSOR
*NOTE:
JUMPER
#1
(JMP1)
MUST
BE
CUT
WHEN
USING
LOW
PRESSURE
SWITCH
OPTION.
2/17/97
*N.T.S.
CURRENT
WIRING
DIAGRAM
VCP/VHP24K-3803-Z(CZ)
3*
VECTOR
SERIES
w/PASSPORT
E
380/50/3
COMP
-
220/50/1
POWER
7V1AR1NE/HR
SYSTEMS®
6/5/97
"N.T.5.
Iff)
1
OF
1
WIRING
DIAGRAM
VCP/VHP24K(-Z/C/CZ)
VECTOR
W/SCROLL
COMP
&
PASSPORT
23O-22OVAC/5O-6OHZ/10
/MARINE
/IR
SYSTEMS®
POMPANO
BEACH,
FLORIDA
U.S.A.
POMPANO
BEACH,
FLORIDA
U.S.A.
REFERENCE
DWC(S)
M1O1OO52
it
M4060009
FOR
TERMINAL
BLOCK
LABEL
ELECTRICAL
BOX
ELECTRICAL
BOX
L-
PASSPORT
DISPLAY
PANEL
'
OPT.
ALT.
AIR
SENSOR
I
OPT.
OUTSIDE
AIR
SENSOR
D
OPTIONAL
HIGH
LOW
PRESSURE
PRESSURE
SWITCH
SWITCH
•NOTE:
JUMPER
#1
(JMP1)
MUST
BE
CUT
WHEN
USING
LOW
PRESSURE
SWITCH
OPTION.
WIRES
ENTER
TOP
OF
ELECTRIC BOX,
NOT
THROUGH
SIDE
AS
SHOWN.
OPTIONAL
HIGH
LOW
PRESSURE
PRESSURE
SWITCH
SWITCH
EBM
'BLOWER
REVERSING
VALVE
SOLENOID
COIL
(REVERSE
CYCLE
UNITS
ONLY)
COMPRESSOR
REVERSE
CYCLE
UNITS
ONLY
•NOTF:
JUMPER
fi
(JMP1)
MUST
BE
CUT
WHEN
USING
LOW
PRESSURE
SWITCH
OPTION.
WIRES
ENTER
TOP
OF
BOX
NOT
THROUGH
SIDE
AS SHOWN.
10/3/97
"N.T.S.
1
OF
1
RMW
I
D D
WIRING
DIAGRAM
VCP7-16K(-Z/C/CZ)
VECTOR
COMPACT
with
PASSPORT
0
115-230VAC/50-60HZ/1
g
M1010082A
/MARINE
yllRSYSTEMSp
POMPANO
BEACH,
FLORIDA
U.S.A.
11/6/97
"!N.T.S.
CURRENT
RMW
|
D D
WIRING
DIAGRAM
VCP7-16K(Z)HV
HIGH
VELOCITY
VCP
w/PSPRT
H
115-23OVAC/5O-6OHZ/10
M1010083A
/V1AR1NE
y||R
SYSTEMS®
POMPANO
BEACH.
FLORIDA
U.S.A.