EasyManua.ls Logo

Maxsine EP100 - First Layer; Operation Mode Selection

Default Icon
20 pages
Print Icon
To Next Page IconTo Next Page
To Next Page IconTo Next Page
To Previous Page IconTo Previous Page
To Previous Page IconTo Previous Page
Loading...
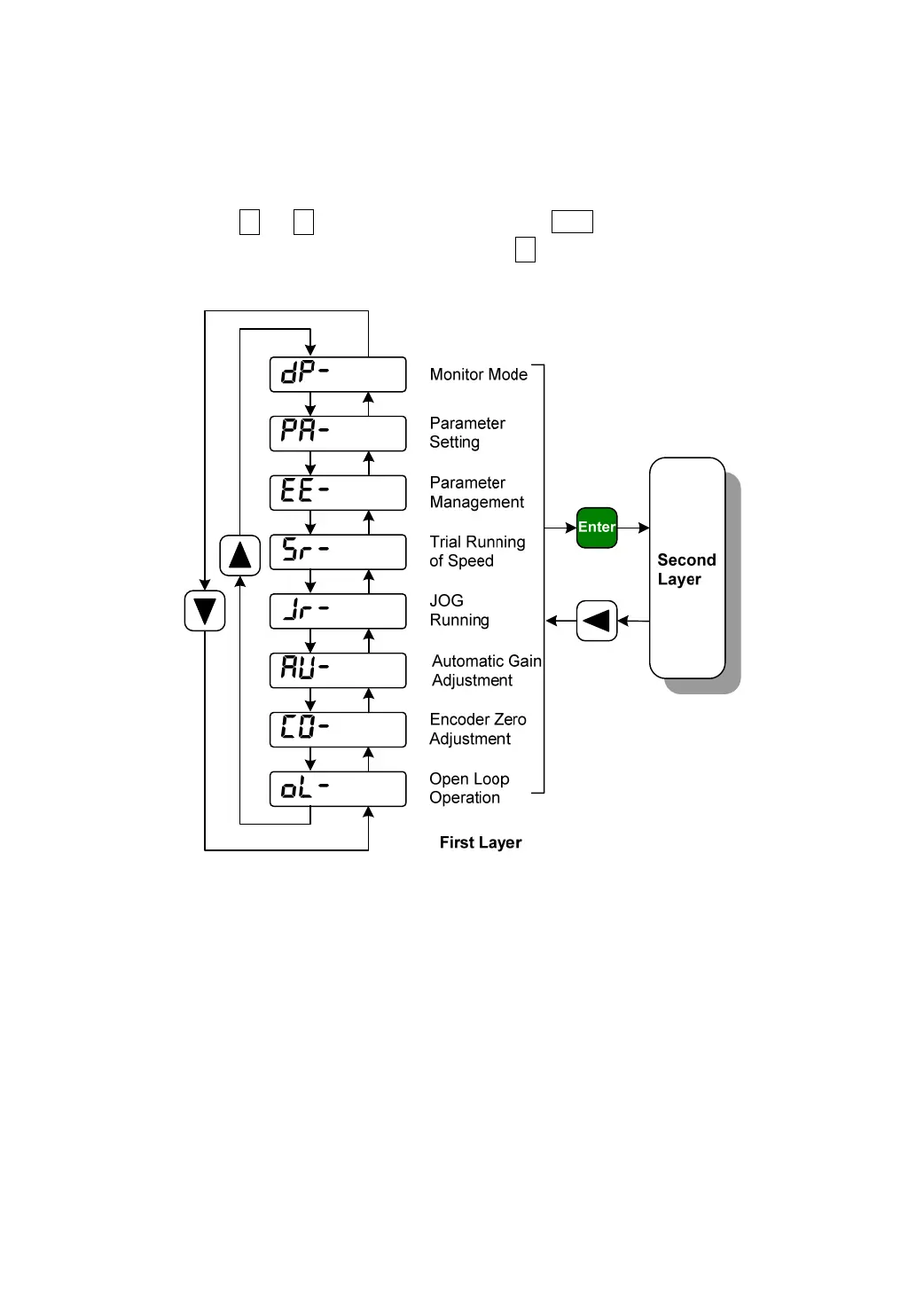
1.7 First layer
Use the first layer to select the operation mode, There are seven operation mode can be
selected by using or buttonThen press down the Enter button for entering the second
layer that has selected. After that if press down the button, then return to the first layer
again.
Picture 7.0 Diagram of operation mode selection

Related product manuals