EasyManua.ls Logo

Maxum 2500SCR - Fire Suppression System, Five Circuit Shutdown (If Equipped)

Default Icon
64 pages
Print Icon
To Next Page IconTo Next Page
To Next Page IconTo Next Page
To Previous Page IconTo Previous Page
To Previous Page IconTo Previous Page
Loading...
CHAPTER 12: ELECTRICAL SYSTEM 53
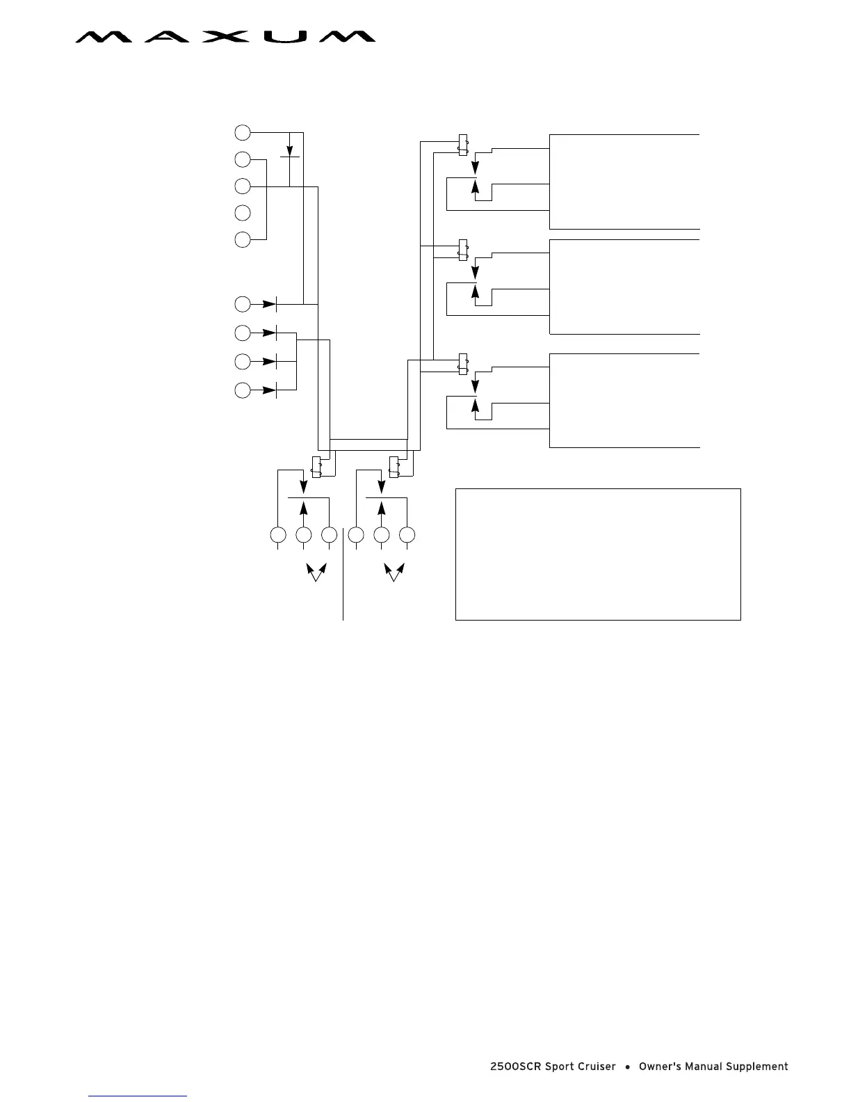
Fire Suppression System, Five Circuit Shutdown (If Equipped)
DISPLAY WIRE (BROWN)
DISPLAY WIRE (WHITE)
DISPLAY WIRE (BLACK)
AGENT BOTTLE SW. (BROWN)
AGENT BOTTLE & GROUND
(DO NOT CONNECT TO
ENGINE BLOCK)
EXPANDER
PORT IGN. (RED/PURPLE)
12 TO 24 VDC FROM
STRBD. IGN. (RED/PURPLE)
12 TO 24 VDC FROM
PLACE WIRE HERE TO POWER
UP FUEL SOLENOID
CONNECT WIRE (PURPLE) HERE TO
POWER DOWN FUEL SOLENOID
PLACE WIRE (PURPLE) FROM PORT
ENGINE FUEL SOLENOID
5
GEN/BLOWER
NO
NC
C
CIRCUIT #1
NO NC NO NC CC
AUXILIARY
CIRCUIT #4
C = COMMON
NC = NORMALLY CLOSED
NO = NORMALLY OPENED
RELAYS SHOWN IN POWER UP (ENERGIZED) POSITION.
K4
K1
K5
D4
D3
D2
D1
FIRE WATCH OPTION HOOKS UP TO TERMINAL
BLOCK UNDER DASH.
1
2
4
6
3
7
8
9
10 1211
K5
13 1514
(YELLOW) (YELLOW)
AUXILIARY
CIRCUIT #5
NOTES:
PLACE WIRE HERE TO POWER
UP FUEL SOLENOID
CONNECT WIRE (WHITE) HERE TO POWER
DOWN GENERATOR OR BLOWER MOTOR
PLACE WIRE (WHITE) FROM
GENERATOR FUEL SOLENOID
NO
NC
C
CIRCUIT #3
K3
PLACE WIRE HERE TO POWER
UP FUEL SOLENOID
CONNECT WIRE (PURPLE) HERE TO
POWER DOWN FUEL SOLENOID
PLACE WIRE (PURPLE/WHITE) FROM
STARBOARD ENGINE FUEL SOLENOID
NO
NC
C
CIRCUIT #2
K2
SOME SYSTEMS MAY NOT HAVE ALL FIVE CIRCUITS

Table of Contents

Related product manuals