EasyManua.ls Logo

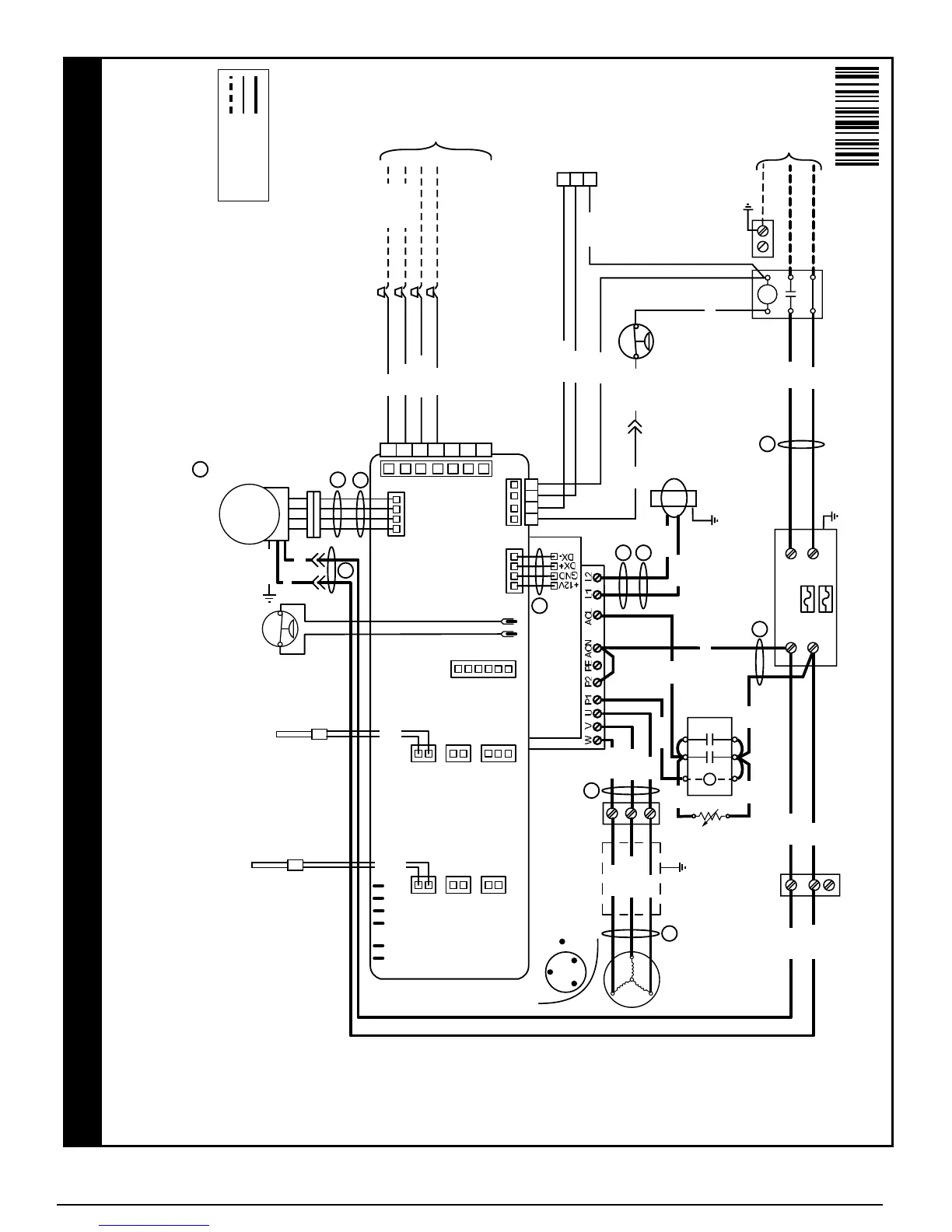
Maytag PSA4BG024K - Figure 9. Wiring Diagram (5 Ton Models)

Maytag PSA4BG024K
20 pages
Print Icon
To Next Page IconTo Next Page
To Next Page IconTo Next Page
To Previous Page IconTo Previous Page
To Previous Page IconTo Previous Page
Loading...
15
Line Voltage 208/230 VACPSA4BG/FS4BG - 5 Ton Split AC 1 Phase / 60 Hz
WIRING DIAGRAM
NOTES:
1. Disconnect all power before servicing.
2. For supply connections use copper conductors only.
3. Not suitable on systems that exceed 150 volts to ground.
4. For replacement wires use conductors suitable for 105 deg.C.
5. For ampacities and overcurrent protection, see unit rating plate.
1. Couper le courant avant de faire letretien.
2. Employez uniquement des conducteurs en cuivre.
3. Ne convient pas aux installations de plus de 150
volt a la terre.
6. Connect to 24 vac/60va/class 2 circuit. See furnace/air handler
installation instructions for control circuit and optional relay/
transformer kits.
7. Ferrite chokes are shown by an ellipse enclosing wires. The number
of turns per wire through the choke is shown by , for example.
2X
FIELD WIRING
LEGEND:
LOW VOLTAGE
HIGH VOLTAGE
7113710
6/14
HIGH
PRESSURE
SWITCH
+12V
GND
DX+
DX-
INTERFACE BOARD
REV VLV
OUTDOOR TEMP
2# PMET LIOC1# PMET LIOC
SUCTION TEMP
SUCTION PRESSURE EXV DRIVER LPS
DISCHARGE TEMP
OUTDOOR
TEMP
DISCHARGE
TEMP
LOW
PRESSURE
SWITCH
OUTDOOR
FAN MOTOR
PWM FAN
CONTROL
COMPRESSOR
TO 208/230-1-60
POWER SUPPLY
REACTOR
GND
W
AC
OUT
AC
IN
POWER LINE
FILTER
CONTACTOR
TERMINAL
BLOCK
RELAY
N
L
N
L
V
U
R
C
Y1
Y/Y2
O
W2
L
R
C
Y1
Y2
O
W2
L
24 VAC
DX+
DX-
GND
L2
ON
LOW
HI
PWM
GND
FLT
RPM
BLACK
RED
BLUE
RED
WHITE
ETIHW
T2
T1
L2
L1
BLACK
PTC
A1
A2
L1
T1
L2
T2
YELLOW
BLACK
WU
V
COMPRESSOR SHELL
(TOP VIEW)
THERMOSTAT
CONTROL
POWER
24VAC
BROWN
RED
BLACK
RED
RED
RED
BLACK
RED
BLACK
BLUE
YELLOW
1
2
3
4
5
6
7
2134
2X25A
8X
2X
8X
GREEN
BLACK
BROWN
1X
1X
1X
4X
2X
4X
4X
3
2
1
FACTORY
TEST
PLUG
BLUE
WHITE
RED
RED
YELLOW
BLUE
BLACK
RED
BLACK
RED
YELLOW
BLACK
WHITE
YELLOW
GREEN
SHIELDING
Figure 9. 

Related product manuals