EasyManua.ls Logo

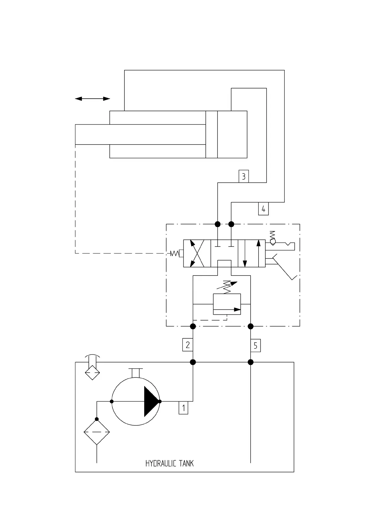
McIntyre 407 - Hydraulic Circuit Diagram

Default Icon
68 pages
Print Icon
To Next Page IconTo Next Page
To Next Page IconTo Next Page
To Previous Page IconTo Previous Page
To Previous Page IconTo Previous Page
Loading...
35
320/407/500/600.41912-ENG
6.5. Hydraulic Circuit Diagram

Table of Contents

Related product manuals