EasyManua.ls Logo

McIntyre 407 - Hydraulic Tank

Default Icon
68 pages
Print Icon
To Next Page IconTo Next Page
To Next Page IconTo Next Page
To Previous Page IconTo Previous Page
To Previous Page IconTo Previous Page
Loading...
48
320/407/500/600.41912-ENG
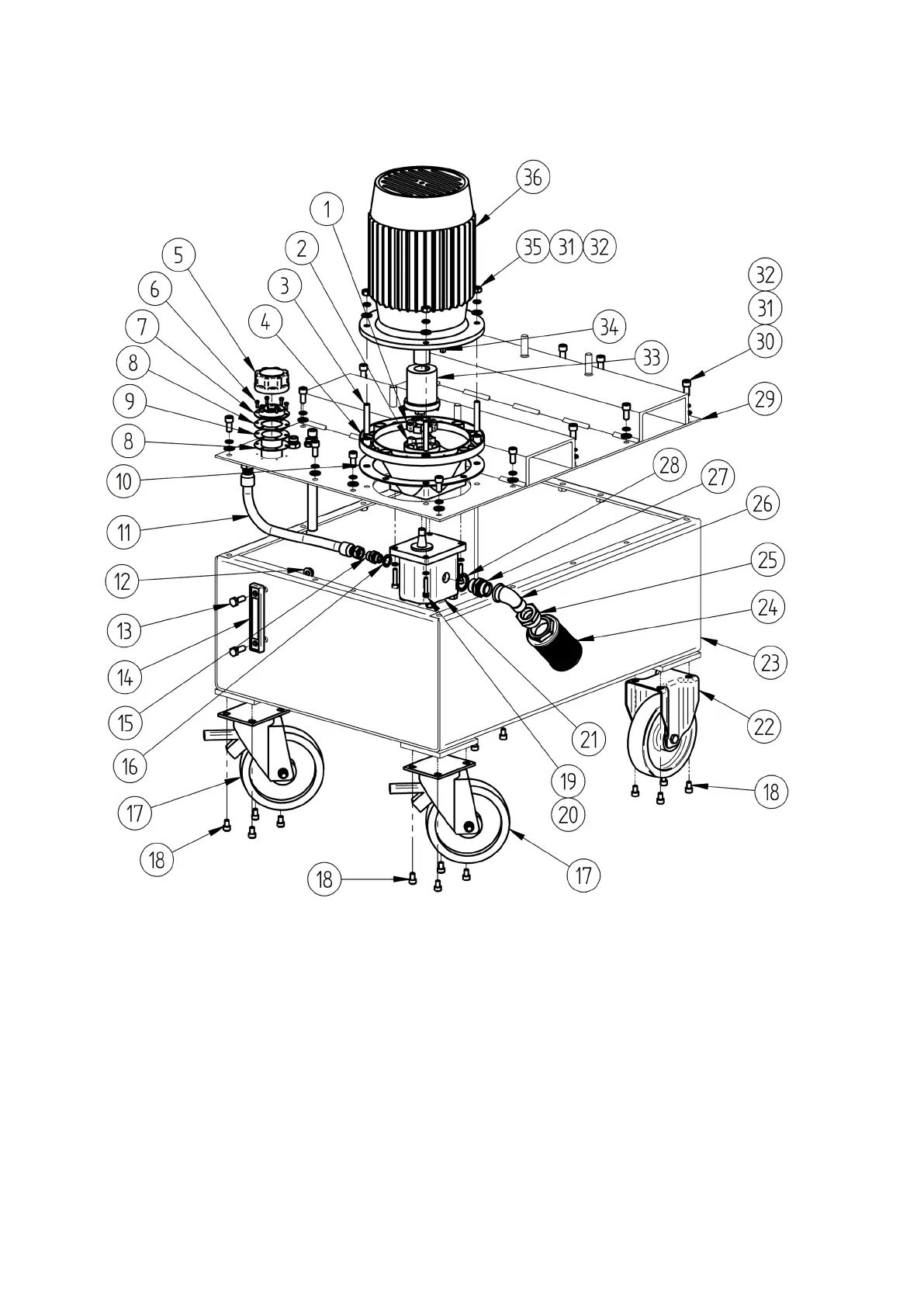
7.2. Hydraulic Tank

Table of Contents

Related product manuals