EasyManua.ls Logo

McQuay AGZ 065A - Page 20

McQuay AGZ 065A
88 pages
To Next Page IconTo Next Page
To Next Page IconTo Next Page
To Previous Page IconTo Previous Page
To Previous Page IconTo Previous Page
Loading...
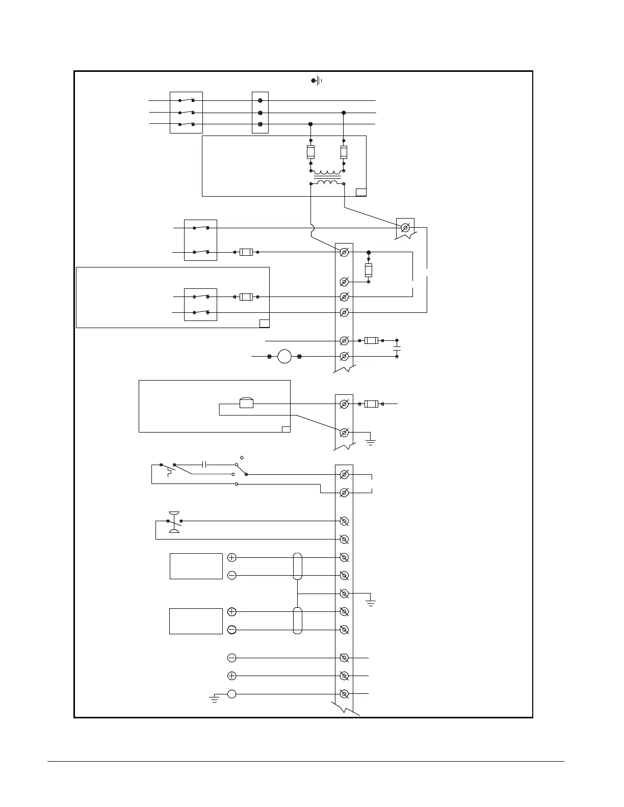
20 AGZ 030A through 065A IOM 686
Figure 9, Typical Field Wiring Diagram with MicroTech Controller
U
N
I
T
M
A
I
N
T
E
R
M
I
N
A
L
B
L
O
C
K
D
I
S
C
O
N
N
E
C
T
(
B
Y
O
T
H
E
R
S
)
3
P
H
A
S
E
P
O
W
E
R
S
U
P
P
L
Y
G
N
D
L
U
G
T
O
C
O
M
P
R
E
S
S
O
R
(
S
)
A
N
D
F
A
N
M
O
T
O
R
S
F
U
S
E
D
C
O
N
T
R
O
L
C
I
R
C
U
I
T
T
R
A
N
S
F
O
R
M
E
R
O
P
T
I
O
N
1
0
A
F
U
S
E
N
N
B
T
B
2
1
0
A
F
U
S
E
1
(
B
Y
O
T
H
E
R
S
)
(
B
Y
O
T
H
E
R
S
)
(
B
Y
O
T
H
E
R
S
)
N
S
E
P
A
R
A
T
E
E
V
A
P
O
R
A
T
O
R
H
E
A
T
E
R
P
O
W
E
R
O
P
T
I
O
N
D
I
S
C
O
N
N
E
C
T
D
I
S
C
O
N
N
E
C
T
(
B
Y
O
T
H
E
R
S
)
(
B
Y
O
T
H
E
R
S
)
1
3
1
6
5
4
0
5
4
5
I
F
S
E
P
A
R
A
T
E
E
V
A
P
O
R
A
T
O
R
H
E
A
T
E
R
P
O
W
E
R
O
P
T
I
O
N
I
S
U
S
E
D
-
R
E
M
O
V
E
W
I
R
E
S
5
4
0
A
N
D
5
4
5
.
9
1
0
5
A
2
4
V
O
R
1
2
0
V
A
C
1
2
0
V
A
C
C
O
N
T
R
O
L
P
O
W
E
R
1
2
0
V
A
C
(
B
Y
O
T
H
E
R
S
)
N
C
H
W
P
U
M
P
R
E
L
A
Y
(
B
Y
O
T
H
E
R
S
)
S
O
L
I
D
S
T
A
T
E
R
E
L
A
Y
2
4
V
O
R
1
2
0
V
A
C
1
.
5
A
M
P
S
M
A
X
.
T
B
3
1
9
2
8
F
A
C
T
O
R
Y
S
U
P
P
L
I
E
D
A
L
A
R
M
F
I
E
L
D
W
I
R
E
D
A
L
A
R
M
B
E
L
L
A
L
A
R
M
B
E
L
L
O
P
T
I
O
N
2
4
V
A
C
G
N
D
T
B
7
1
4
0
1
4
1
A
U
T
O
O
F
F
M
A
N
U
A
L
O
N
T
I
M
E
C
L
O
C
K
A
M
B
I
E
N
T
T
H
E
R
M
O
S
T
A
T
R
E
M
O
T
E
S
T
O
P
(
B
Y
O
T
H
E
R
S
)
C
H
W
F
L
O
W
S
W
I
T
C
H
(
B
Y
O
T
H
E
R
S
)
1
4
2
1
4
3
1
3
4
1
3
5
1
3
3
1
3
2
1
3
1
4
-
2
0
M
A
F
O
R
C
H
W
R
E
S
E
T
(
B
Y
O
T
H
E
R
S
)
4
-
2
0
M
A
F
O
R
D
E
M
A
N
D
L
I
M
I
T
(
B
Y
O
T
H
E
R
S
)
G
N
D
1
3
7
1
3
8
1
3
9
G
N
D
3
4
5
C
O
M
M
U
N
I
C
A
T
I
O
N
P
O
R
T
"
B
"
M
J
I
F
R
E
M
O
T
E
S
T
O
P
C
O
N
T
R
O
L
I
S
U
S
E
D
,
R
E
M
O
V
E
J
U
M
P
E
R
F
R
O
M
T
E
R
M
1
4
0
T
O
1
4
1
.
*
(
C
O
N
N
E
C
T
I
O
N
T
O
R
M
S
(
R
E
M
O
T
E
M
O
N
I
T
O
R
I
N
G
S
E
Q
U
E
N
C
E
)
O
R
T
O
N
M
P
(
N
E
T
W
O
R
K
M
A
S
T
E
R
P
A
N
E
L
)
*
M
I
C
R
O
T
E
C
H
O
N
L
Y
2
C
O
N
T
R
O
L
C
I
R
C
U
I
T
F
U
S
E
1
2
0
V
A
C
*

Table of Contents

Other manuals for McQuay AGZ 065A

Related product manuals