EasyManua.ls Logo

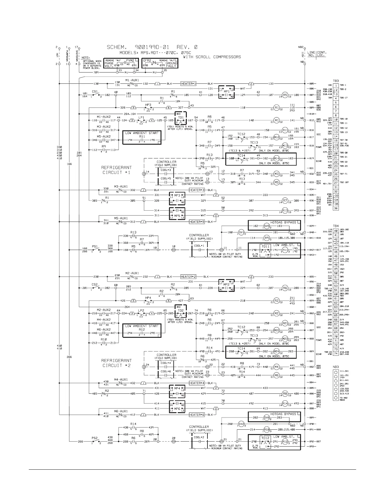
McQuay RDT - Typical Condensing Unit Control with Control Schematic for RPS (Controls by Others, 6 Compressor Unit Shown, RCS Has Minor Variations)

McQuay RDT
100 pages
Print Icon
To Next Page IconTo Next Page
To Next Page IconTo Next Page
To Previous Page IconTo Previous Page
To Previous Page IconTo Previous Page
Loading...
IM-738 Page 59
Typical Condensing Unit Control with Control Schematic for RPS
(Controls by Others, 6 Compressor Unit Shown, RCS Has Minor Variations)

Table of Contents

Related product manuals