EasyManua.ls Logo

McQuay Type K Incremental Packaged Terminal Air Conditioner - Standard Chassis W; Steam Heat & MCO Controls (Size 019)

McQuay Type K Incremental Packaged Terminal Air Conditioner
32 pages
Print Icon
To Next Page IconTo Next Page
To Next Page IconTo Next Page
To Previous Page IconTo Previous Page
To Previous Page IconTo Previous Page
Loading...
Catalog 1068 / Page 22 of 32
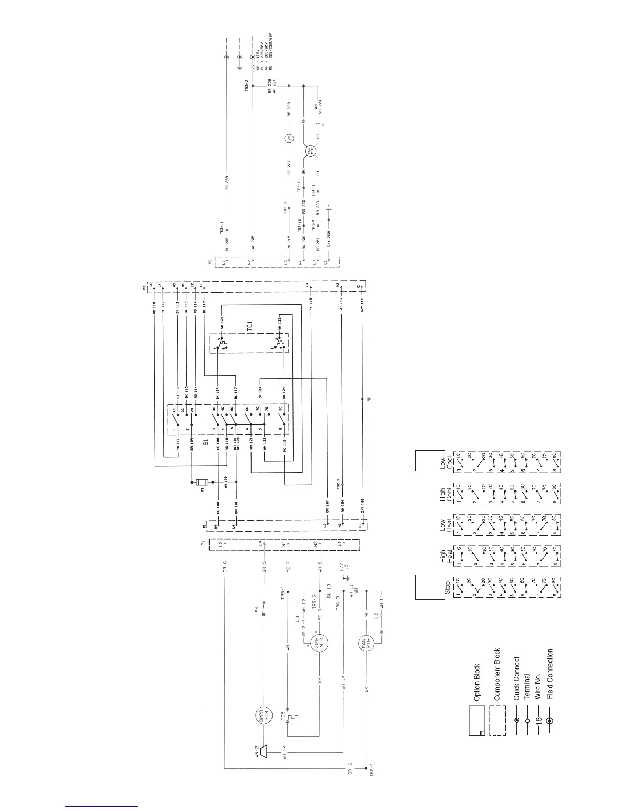
Standard Chassis With Steam Heat & MCO Controls (Size 019)
C1 Capacitor, Indoor Fan
C2 Capacitor, Outdoor Fan
C3 Capacitor, Compressor
F1 Fuse
HL High Limit
HTR Heater
MP Motor Protector
P1 Plug, Heat Section to Cool Section
P2 Plug, Heat Section to Control Box
P3 Plug, PC Board
P4 Plug, on Master Wire Harness
P5 Plug, on Master Wire Harness
R1 Relay, Run
R2 Relay, Outdoor Fan Motor
R3 Relay, Cooling
R4 Relay, Indoor Fan Motor
R5 Relay Heating 1st Stage
R6 Relay, Heating 2nd Stage
R7 Relay, Night Setback (NSB)
R9 Relay, Hot Water Valve
S1 Control Switch
S4 Damper Switch
T1 Transformer
TB2 Terminal Box
TB3 Terminal Box
TB4 Terminal Box
TB5 Terminal Box
TB6 Terminal Box
TC1 Room Thermostat
TC2 Night Setback Thermostat (NSB)
TC5 Freezestat
VM Valve Motor
WN Wire Nut
COOL SECTION CONTROL BOX HEAT SECTION
Unit Mounted Manual Changeover
S1 Switch Contact Positions

Related product manuals