EasyManua.ls Logo

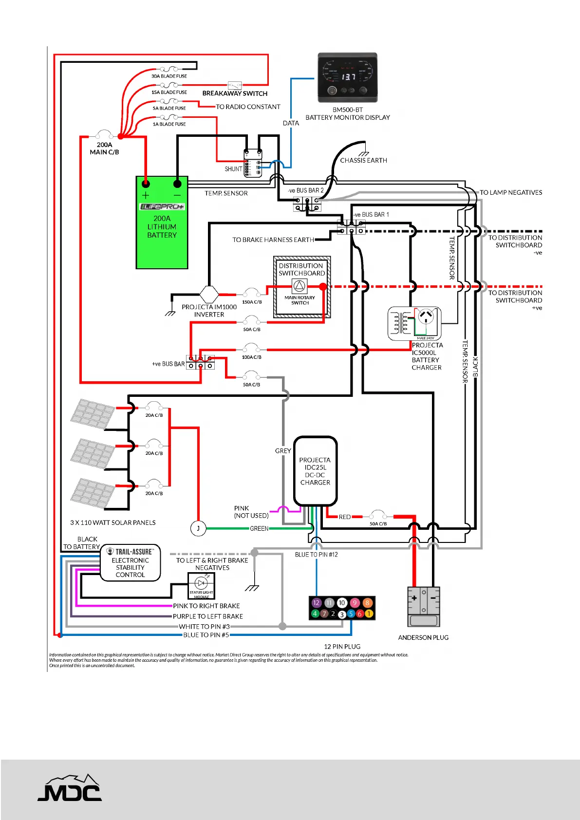
MDC XT 10E - 12 Volt Main Circuit Diagram

MDC XT 10E
111 pages
Print Icon
To Next Page IconTo Next Page
To Next Page IconTo Next Page
To Previous Page IconTo Previous Page
To Previous Page IconTo Previous Page
Loading...
www.marketdirect.com.au
I
Ph: 1300 494 494 I Contents 56
12 Volt Main Circuit Diagram

Table of Contents

Related product manuals