EasyManua.ls Logo

Mebay DC30D - Page 9

Mebay DC30D
27 pages
Print Icon
To Next Page IconTo Next Page
To Next Page IconTo Next Page
To Previous Page IconTo Previous Page
To Previous Page IconTo Previous Page
Loading...
DC30D GENSET CONTROLLER USER MANUAL
8
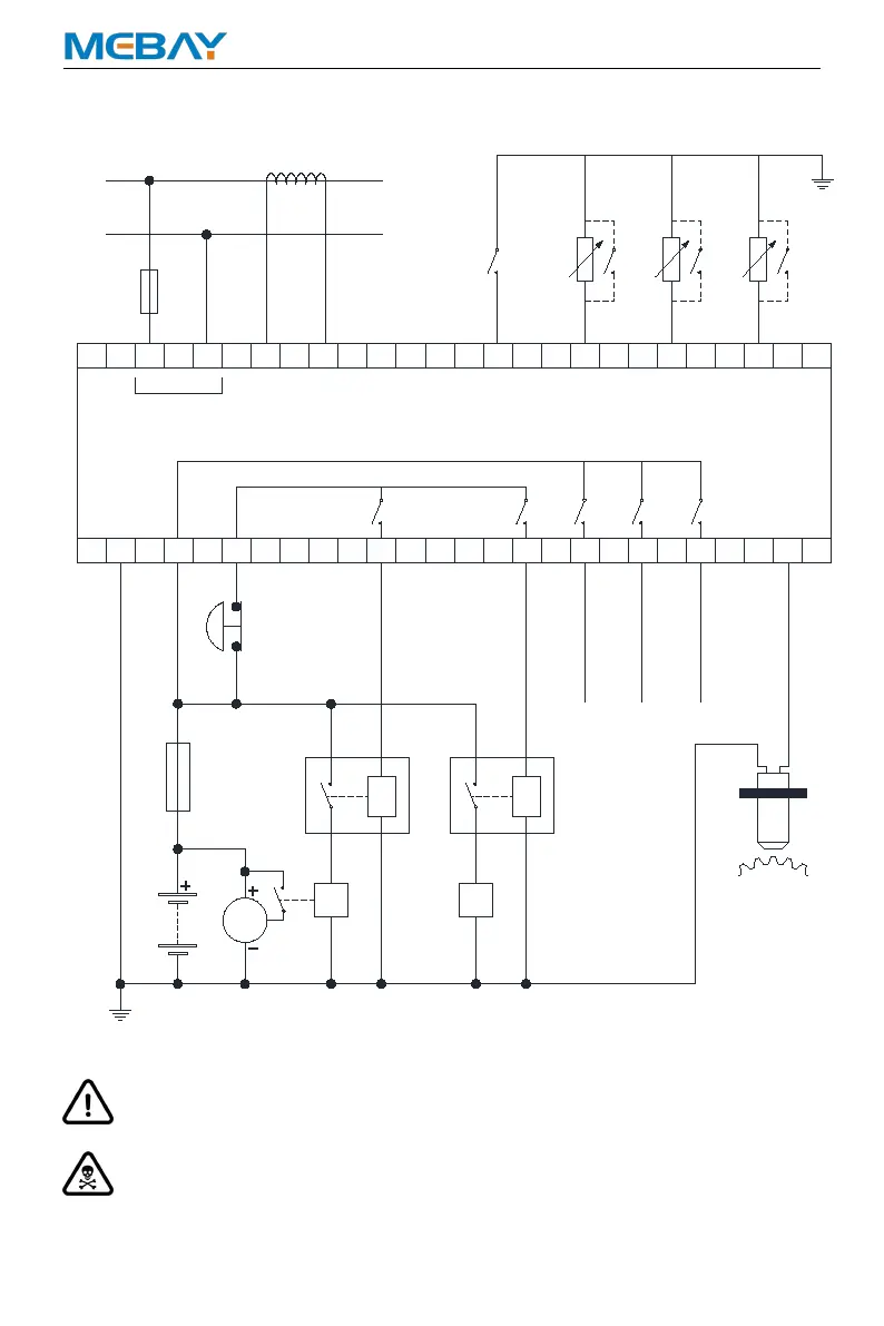
Typical Wiring Diagram
4
5
3
21
1211
L
15
17
- VE
+ VE
16
L
N
10
N
13
14
I* I
6 7 8 9
Remote Start
EM. STOP
WL
Aux. Input
OP Input
Temp. Input
Crank
Fuel
Aux. Output 1
Magnetic
GEN VOLTS
FROM GENERATOR
TO LOAD
ALT
Aux. Output 2
Aux. Output 3
Pickup
MAX 1A
MAX 1A
MAX 1A
MAX 1A
MAX 1A
Note:Please don’t move battery during running status or it may cause the
controller broken!
WARNING:When generator is on-load, C. T. secondary must not be open
circuit, Otherwise, the high voltage generated will pose a danger to personal safety.

Related product manuals