EasyManua.ls Logo

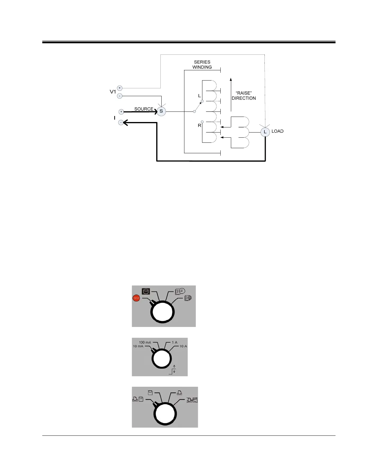
Megger MTO210 - Figure 9: Connection to a Regulator

Megger MTO210
74 pages
Print Icon
To Next Page IconTo Next Page
To Next Page IconTo Next Page
To Previous Page IconTo Previous Page
To Previous Page IconTo Previous Page
Loading...
Transformer Testing
AVTMTO210 Rev 7 Sept 2013
37
Figure 9: Connection to a Regulator
F
WARNING
Do not disconnect leads until all indicators are OFF.
PROCEDURE
1. Connect line cord to unit and plug into 120/240V socket.
2. Set the following conditions:
a
Set to TEST position.
b.
Set to desired max test current.
c.
Set DATA OUTPUT MODE.

Related product manuals